EasyManua.ls Logo

Panasonic DMR-EZ47VP

Panasonic DMR-EZ47VP
122 pages
To Next Page IconTo Next Page
To Next Page IconTo Next Page
To Previous Page IconTo Previous Page
To Previous Page IconTo Previous Page
Loading...
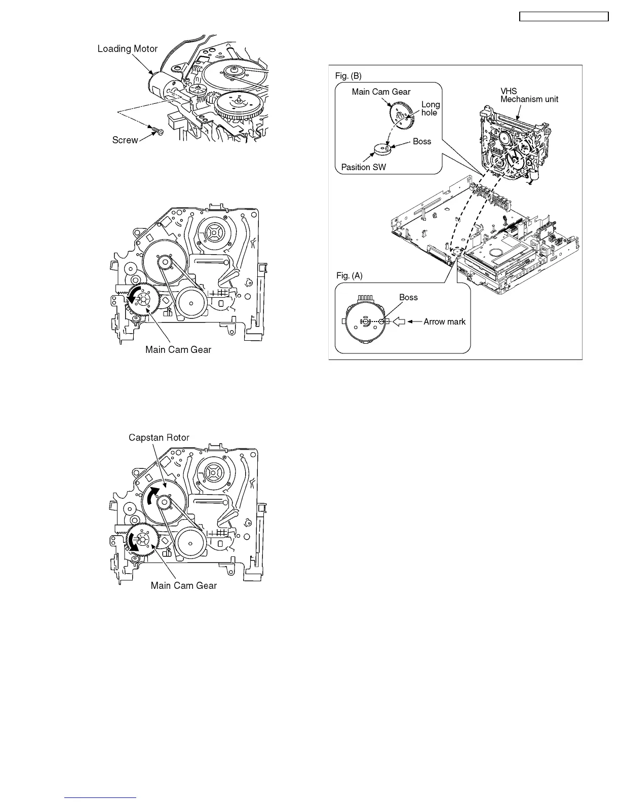
3. Rotate the Main Cam Gear counter-clockwise until just
before the unloading will be completed as shown below. .
4. Rotate the Capstan Motor clockwise to remove the slack
tape as shown below.
5. Rotate the Main Cam Gear counter-clockwise again to
remove the cassette-tape as shown below.
6. Attach Loading Motor and tighten the screw.
7. Set the Position Switch to EJECT POSITION certainly and
attach the mechanism to chassis as shown below.
15
DMR-EZ47VP / DMR-EZ475VP

Table of Contents

Related product manuals