EasyManua.ls Logo

Panasonic E3 - Page 202

Panasonic E3
329 pages
Print Icon
To Next Page IconTo Next Page
To Next Page IconTo Next Page
To Previous Page IconTo Previous Page
To Previous Page IconTo Previous Page
Loading...
3-1-1-1
33
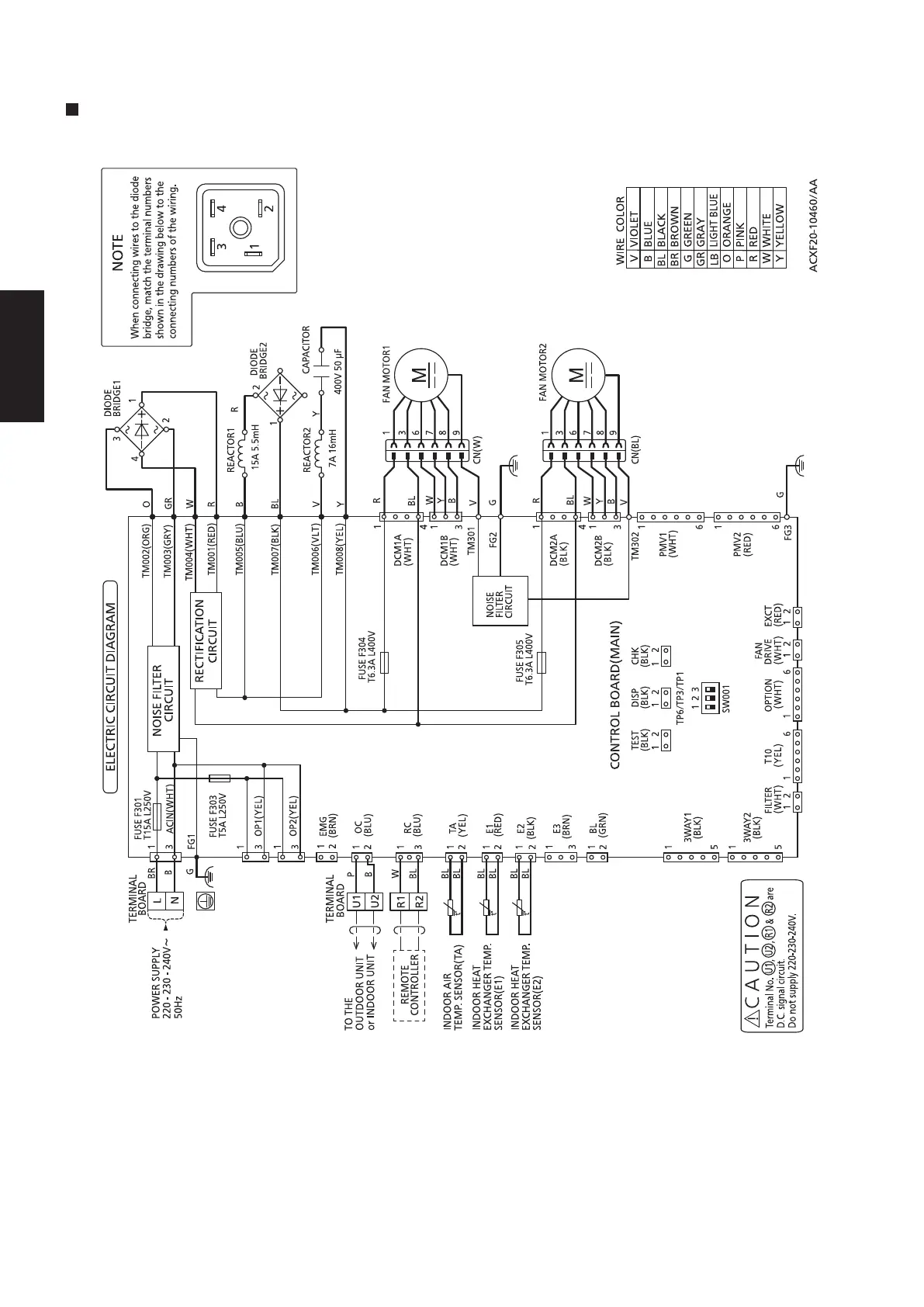
3-1. Indoor Units
High Static Pressure Ducted Type S-200PE3E5B
Electric Wiring Diagram
SM830281-00_欧州向け R32シングル TD&SM.indb 1 19/11/08 9:34:37

Table of Contents

Related product manuals