EasyManua.ls Logo

Panasonic E3 - Outdoor Units (Electric Wiring Diagram)

Panasonic E3
329 pages
Print Icon
To Next Page IconTo Next Page
To Next Page IconTo Next Page
To Previous Page IconTo Previous Page
To Previous Page IconTo Previous Page
Loading...
3-2-1-1
33 33
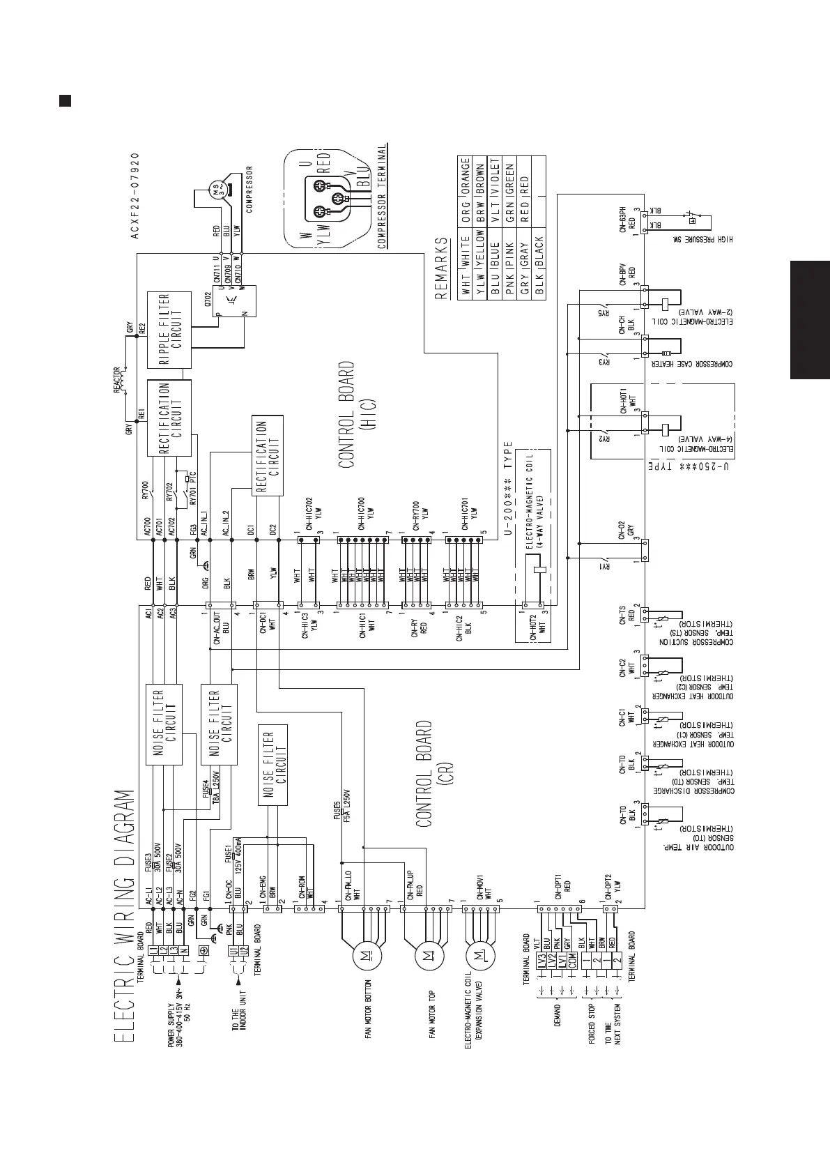
3-2. Outdoor Units
U-200PZH2E8, U-250PZH2E8
Electric Wiring Diagram
3-1. Outdoor Units
Electric Wiring Diagram U-200PZH2E8 / U-250PZH2E8
SM830281-00_欧州向け R32シングル TD&SM.indb 1 19/11/08 9:34:38

Table of Contents

Related product manuals