EasyManua.ls Logo

Panasonic EP3202-U1 - Greasing

Panasonic EP3202-U1
71 pages
Print Icon
To Next Page IconTo Next Page
To Next Page IconTo Next Page
To Previous Page IconTo Previous Page
To Previous Page IconTo Previous Page
Loading...
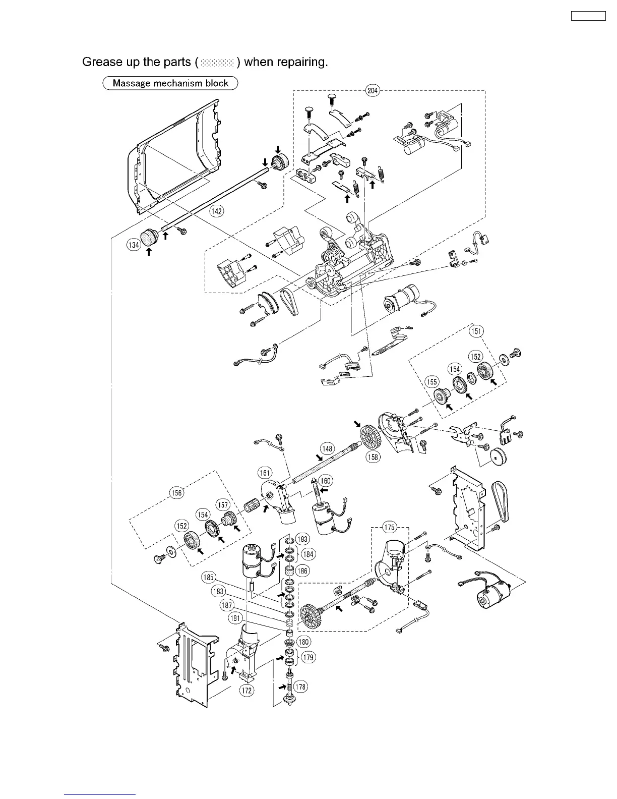
13 GREASE
59
EP3203-U1

Table of Contents

Related product manuals