EasyManua.ls Logo

Panasonic FPS Series

Panasonic FPS Series
332 pages
To Next Page IconTo Next Page
To Next Page IconTo Next Page
To Previous Page IconTo Previous Page
To Previous Page IconTo Previous Page
Loading...
Installation and Wiring
FPΣ User's Manual
84
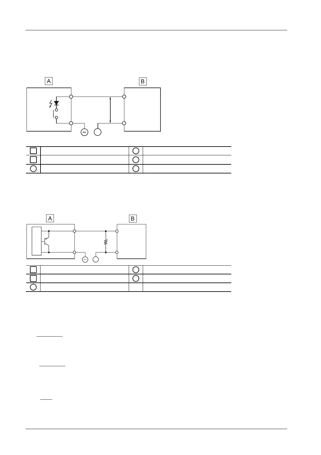
Precaution when using an LED-equipped Reed switch
When an LED is connected in series to an input contact such as an LED-equipped Reed
switch, make sure that the ON voltage applied to the PLC input terminal is greater than 21.6V
DC. In particular, take care when connecting a number of switches in series.
COM
+
24V
1
2
3
4
A
LED-equipped Reed switch
2
Contact
B
FPΣ
3
21.6V
1
LED
4
Input terminal
Precaution when using a two-wire type sensor
If the input of the PLC does not turn off because of leakage current from the two-wire type
sensor (photoelectric sensor or proximity sensor), the use of a bleeder resistor is
recommended, as shown below.
COM
+
R
1
2
3
A
Two-wire type sensor
2
Bleeder resistor
B
FPΣ
3
Input terminal
1
Internal circuit
The formula is based on an input impedance of 5.6kΩ. The input impedance varies depending
on the input terminal number.
The off voltage of the input is 2.4V. Therefore, select a bleeder resistor value R so that the
voltage between the COM terminal and the input terminal will be less than 2.4V.
I x
5.6R
5.6R + R
≤ 2.4
Therefore:
(kΩ)
13.44R
5.6I - 2.4
R ≤
The wattage W of the resistor is:
(V)
2
R
W =
V = Power supply voltage

Table of Contents

Related product manuals