EasyManua.ls Logo

Panasonic FPS Series

Panasonic FPS Series
332 pages
To Next Page IconTo Next Page
To Next Page IconTo Next Page
To Previous Page IconTo Previous Page
To Previous Page IconTo Previous Page
Loading...
High-Speed Counter and Pulse Output
FPΣ User's Manual
142
Applicable FPWIN Pro Project:
Sample_PulseOutput_01_TrapezoidalControl_LD.pro
Sample_PulseOutput_01_TrapezoidalControl_ST.pro
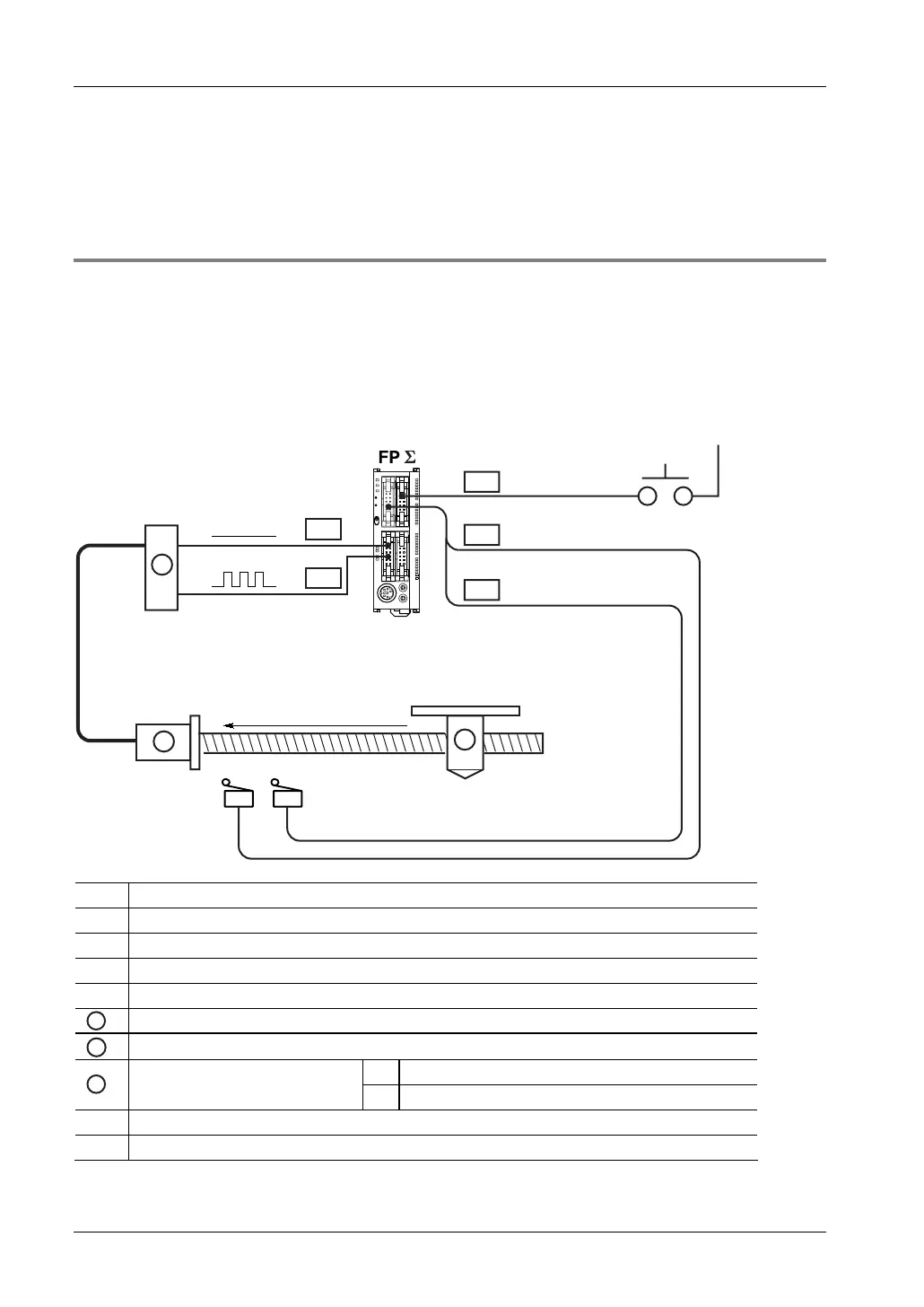
7.4.4.2 Example 2: Home Return in a Backward Direction (-)
When XA (XA_bGoHomeStart_CH0) turns to TRUE, pulses are output from CCW output Y1
of the specified channel 0 and the return to home begins. When X0 (X0_bNearHome_CH0)
turns to TRUE, deceleration begins, and when X2 turns to TRUE, home return has been
completed. At this point, the elapsed value area (sys_diPulseChannel0ElapsedValue) is
cleared to 0. (Y1 and X2 are used implicitly by F171_SPDH.)
The wiring diagram shown above applies to this program. See page
137.
(-)
(+)
Y1
Y0
0V (24V DC)
XA
X2
X0
X2
X0
B
A
C
XA
Home return start
X2
Home input
X0
Near home input
Y0
CW pulse output
Y1
CCW pulse output
A
Motor driver
B
Stepping motor
(+)
+ side
C
Moving table
(-)
- side
X0
Near home sensor
X2
Home sensor

Table of Contents

Related product manuals