EasyManua.ls Logo

Panasonic FPS Series

Panasonic FPS Series
332 pages
To Next Page IconTo Next Page
To Next Page IconTo Next Page
To Previous Page IconTo Previous Page
To Previous Page IconTo Previous Page
Loading...
High-Speed Counter and Pulse Output
FPΣ User's Manual
118
7.3.5.2 Positioning Operations with a Double-Speed Inverter
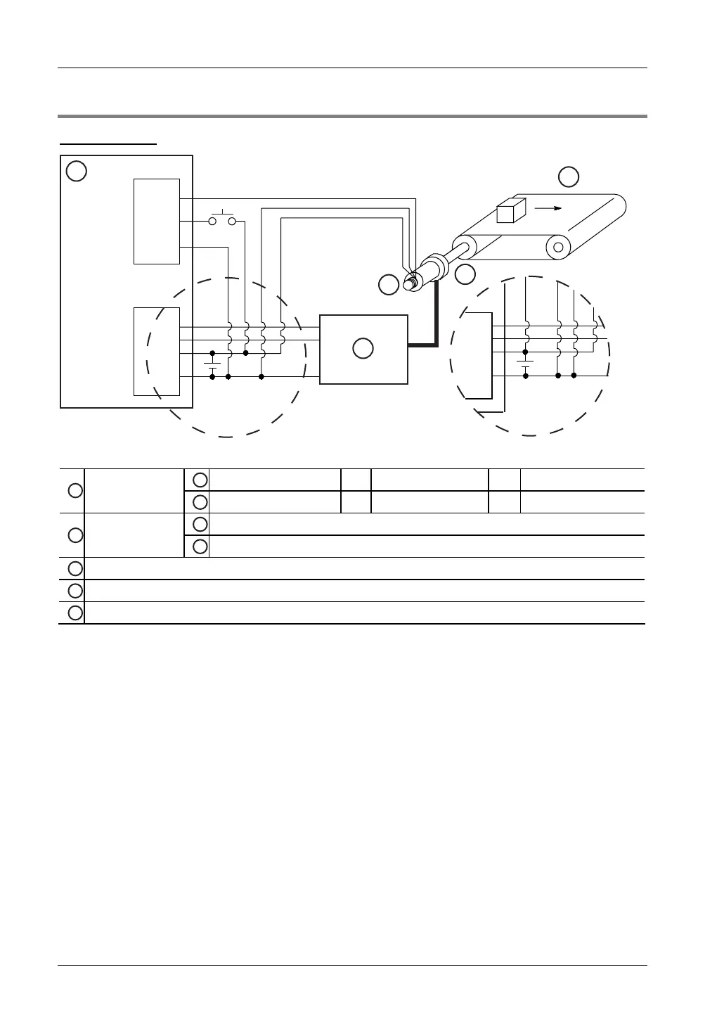
Wiring example
Y0
Y1
X0
X5
COM
COM
A
B
C
D
E
Y0
NPN
PNP
Y1
+
+
-
-
1
Input terminal X0 Encoder input X5 Operation start
A
PLC
2
Output terminal Y0 Inverter operation Y1 Inverter high-speed
3
Operation/stop
B
Inverter
4
Fast/slow
C
Encoder
D
Motor
E
Conveyor
When X5 turns to TRUE, Y0 and Y1 turn to TRUE and the conveyor begins to move. When
the elapsed value (sys_diHscChannel0ElapsedValue) reaches 4500, Y1 turns to FALSE and
the conveyor begins to decelerate. When the elapsed value reaches 5000, Y0 turns to FALSE
and the conveyor stops.

Table of Contents

Related product manuals