EasyManua.ls Logo

Panasonic FPS Series

Panasonic FPS Series
332 pages
To Next Page IconTo Next Page
To Next Page IconTo Next Page
To Previous Page IconTo Previous Page
To Previous Page IconTo Previous Page
Loading...
High-Speed Counter and Pulse Output
FPΣ User's Manual
144
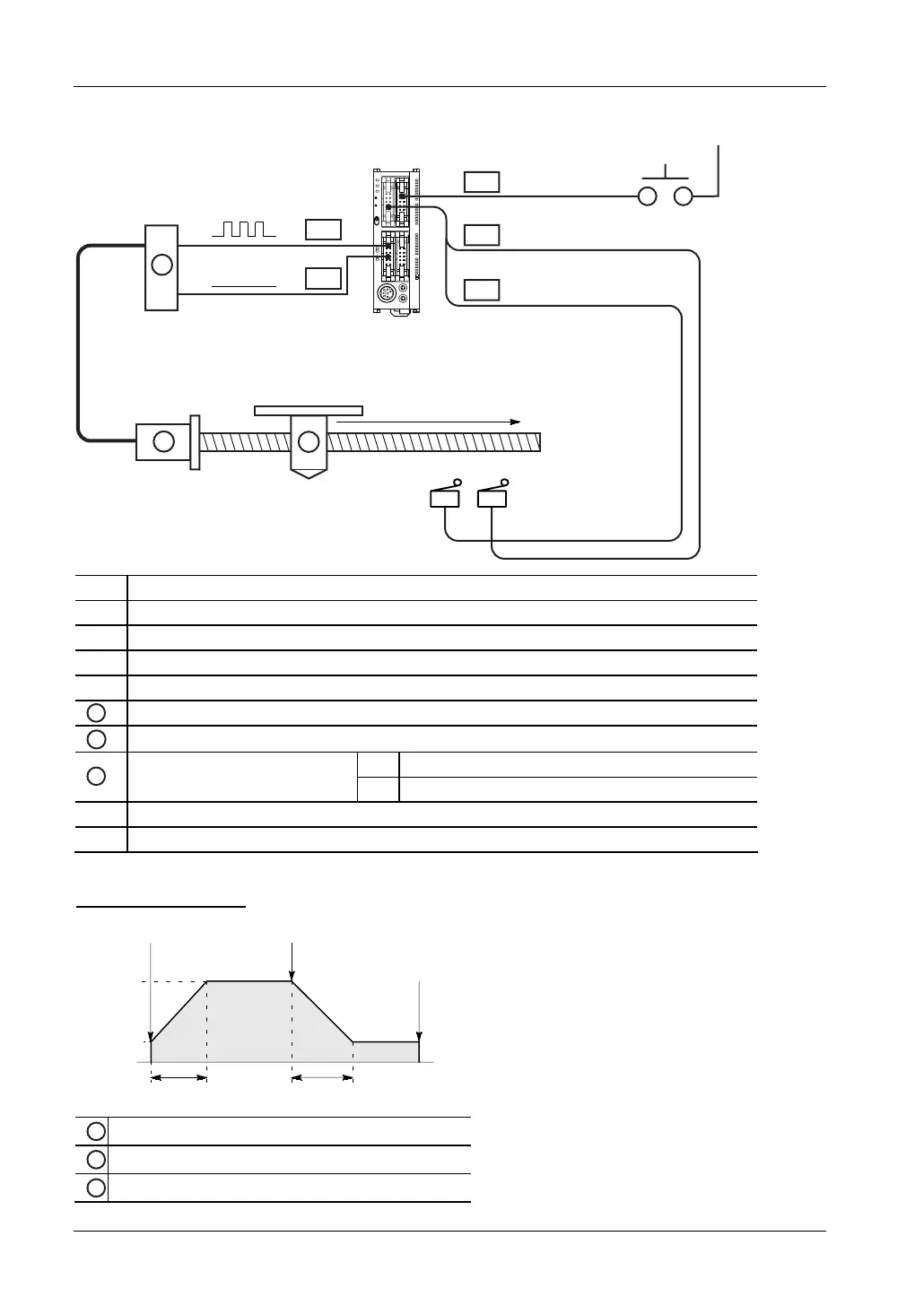
Y4
Y3
XB
X5
X3
X5
X3
FPΣ
0V (24V DC)
B
A
C
(-) (+)
XB
Home return start
X5
Home input
X3
Near home input
Y3
CW pulse output
Y4
CCW pulse output
A
Motor driver
B
Stepping motor
(+)
+ side
C
Moving table
(-)
- side
X3
Near home sensor
X5
Home sensor
Pulse output diagram
250ms 250ms
1000Hz
120Hz
0Hz

1
Positioning start
2
Near home input
3
Home input

Table of Contents

Related product manuals