EasyManua.ls Logo

Panasonic FPS Series

Panasonic FPS Series
332 pages
To Next Page IconTo Next Page
To Next Page IconTo Next Page
To Previous Page IconTo Previous Page
To Previous Page IconTo Previous Page
Loading...
High-Speed Counter and Pulse Output
FPΣ User's Manual
146
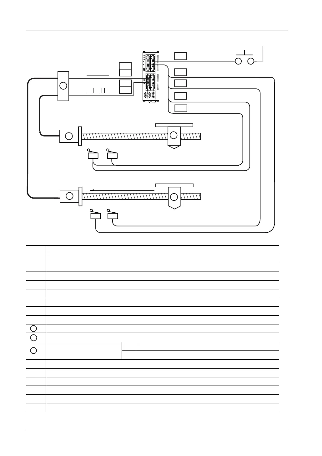
Y0
XA
(X2)
(X0)
X2
X0
Y3
Y1
Y4
(X5)
(X3)
X5
X3
FPΣ
CH2
CH0
0V (24V DC)
B
A
B
C
C
(-)
(-) (+)
(+)
XA
Home return start (XA_bPosOperStart)
X2
Home input (X2_bHomeSensorInput_CH0)
X0
Near home input (X0_bNearHomeSensorIn_CH0)
X5
Home input (X5_bHomeSensorInput_CH2)
X3
Near home input (X3_bNearHomeSensorIn_CH2)
Y0
CW pulse output, channel 0 (Y0_bPulseOutCW_CH0)
Y1
CCW pulse output, channel 0 (Y1_bPulseOutCCW_CH0)
Y3
CW pulse output, channel 2 (Y3_bPulseOutCW_CH2)
Y4
CCW pulse output, channel 2 (Y4_bPulseOutCCW_CH2)
A
Motor driver
B
Stepping motor
(+)
+ side
C
Moving table
(-)
- side
CH2
Channel 2
CH0
Channel 0
(X3)
Near home sensor
(X5)
Home sensor
(X0)
Near home sensor
(X2)
Home sensor

Table of Contents

Related product manuals