EasyManua.ls Logo

Panasonic GP6DU - Page 23

Panasonic GP6DU
127 pages
Print Icon
To Next Page IconTo Next Page
To Next Page IconTo Next Page
To Previous Page IconTo Previous Page
To Previous Page IconTo Previous Page
Loading...
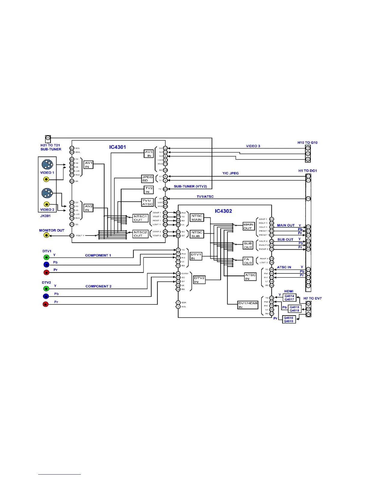
Figure 9 - H Board Block Diagram
17

Table of Contents

Related product manuals