EasyManua.ls Logo

Panasonic GP6DU - TH-42 XVS30 SC and SS SOS Detect

Panasonic GP6DU
127 pages
Print Icon
To Next Page IconTo Next Page
To Next Page IconTo Next Page
To Previous Page IconTo Previous Page
To Previous Page IconTo Previous Page
Loading...
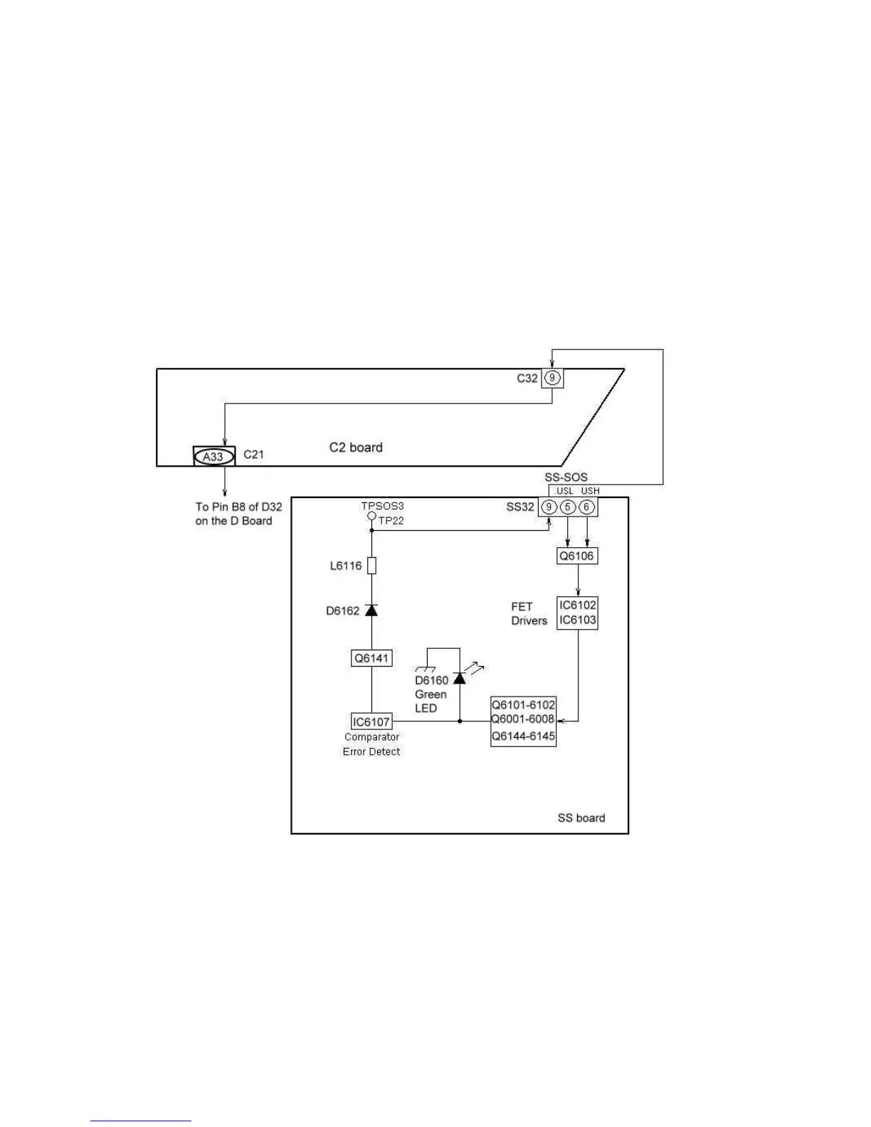
TH-42XVS30 SC and SS SOS Detect
The Scan and Sustain voltages on the SC and SS boards are monitored in a
similar manner. The +15V Line on the SS board is fed to a voltage divider and
the result is compared to a reference voltage. The reference voltage is provided
by a zener diode. If the output of the comparator goes high, a transistor turns on,
effectively grounding the SOS line. The SC board uses a similar circuit.
Additionally the SS and SC boards contain LED indicators to alert the technician
when a problem exists. The LED should be lit during normal operation, a dark
LED indicates that a problem exists on that board.
Figure 41 - SS SOS Detect Circuit (TH-42XVS30)
90

Table of Contents

Related product manuals