EasyManua.ls Logo

Panasonic GP6DU - TH-42 PD25 U SC and SS SOS Detect

Panasonic GP6DU
127 pages
Print Icon
To Next Page IconTo Next Page
To Next Page IconTo Next Page
To Previous Page IconTo Previous Page
To Previous Page IconTo Previous Page
Loading...
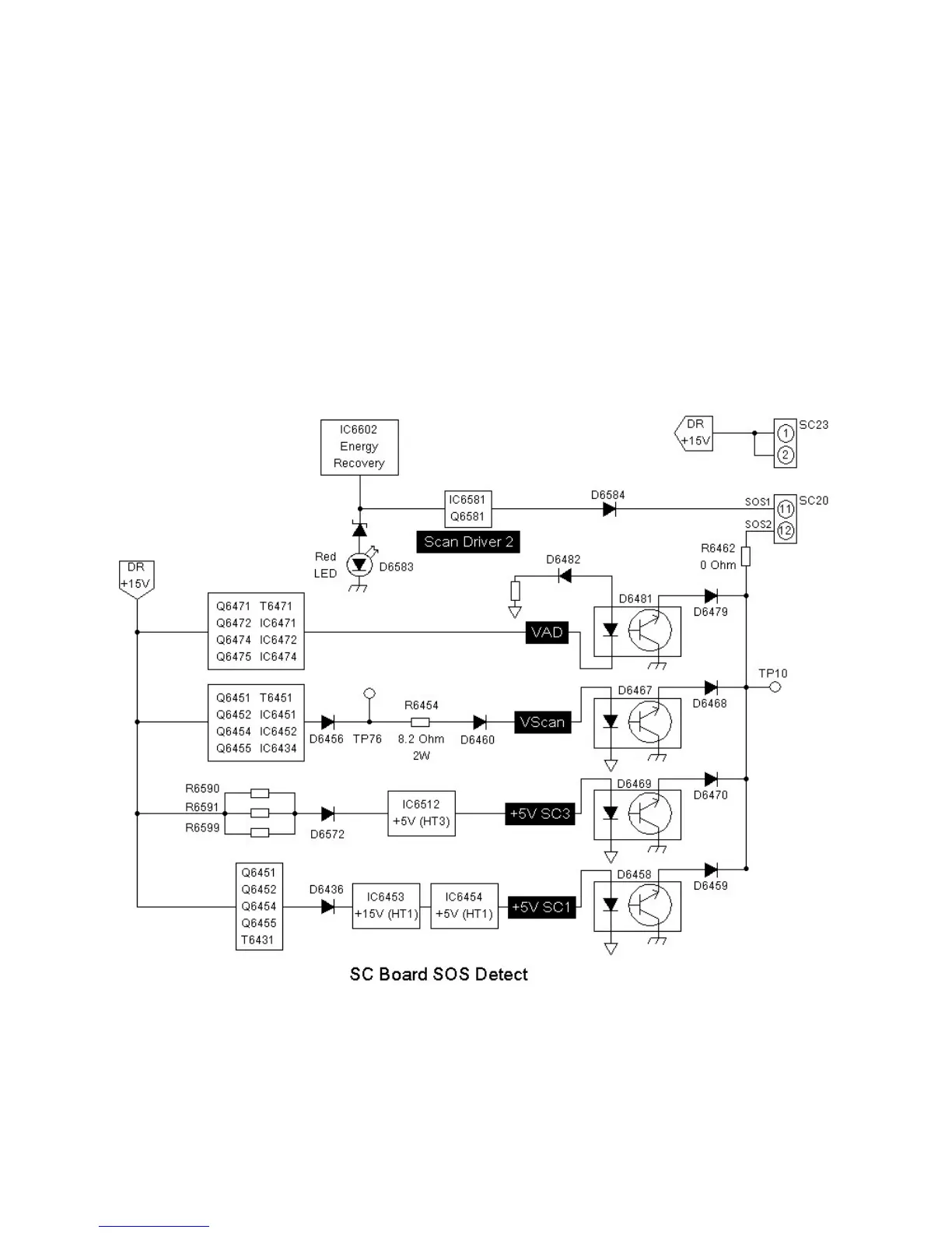
TH-42PD25U SC and SS SOS Detect
The Scan and Sustain voltages on the SC and SS boards are monitored in a similar
manner. The +15V Line on the SS board is fed to a voltage divider and
the result is
compared to a reference voltage. The reference voltage is provided by a zener diode. If
the output of the comparator goes high, a transistor turns on, effectively grounding the
SOS line. The SC board uses a similar circuit.
Additionally, the SS and SC boards contain LED indicators to alert the technician when
a problem exists. The LED should be lit during normal operation, a dark LED indicates
that a problem exists on that board.
Figure 30 - SC board SOS Detect
52

Table of Contents

Related product manuals