EasyManua.ls Logo

Panasonic GP6DU - Page 49

Panasonic GP6DU
127 pages
Print Icon
To Next Page IconTo Next Page
To Next Page IconTo Next Page
To Previous Page IconTo Previous Page
To Previous Page IconTo Previous Page
Loading...
4
1
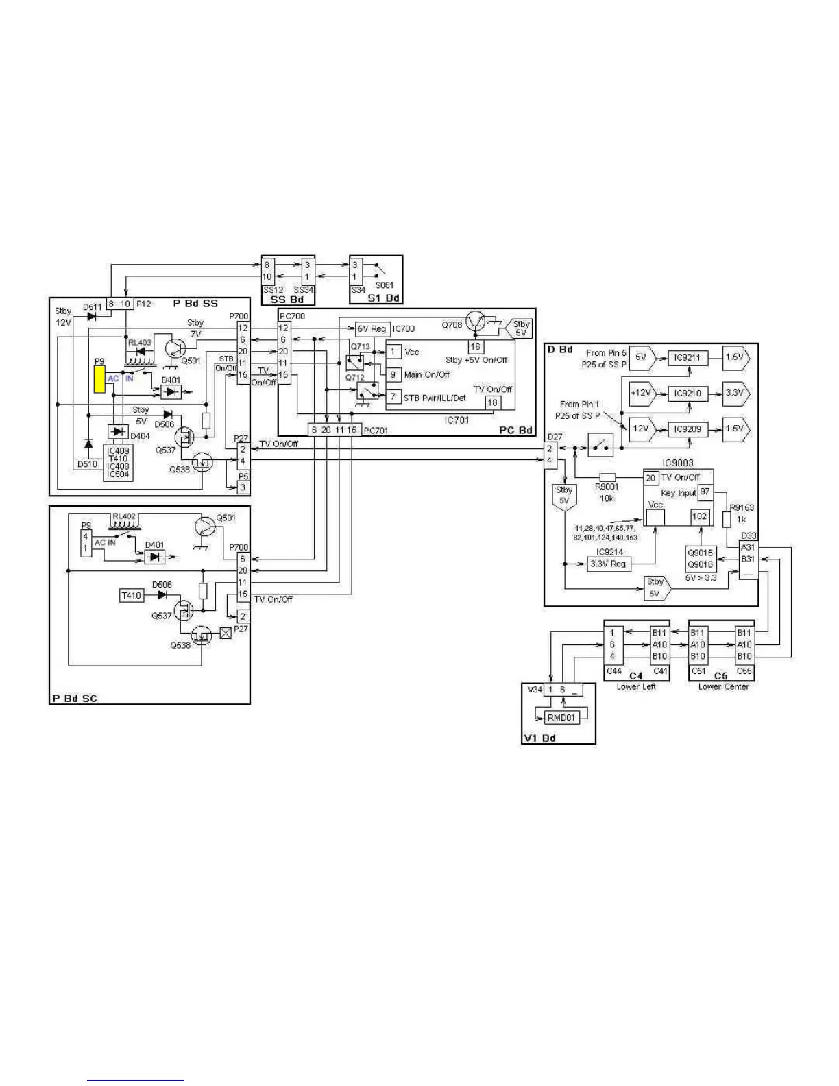
Figure 26 - TH-65XVS30 Power On operation
43

Table of Contents

Related product manuals