EasyManua.ls Logo

Panasonic GP6DU - Page 55

Panasonic GP6DU
127 pages
Print Icon
To Next Page IconTo Next Page
To Next Page IconTo Next Page
To Previous Page IconTo Previous Page
To Previous Page IconTo Previous Page
Loading...
49
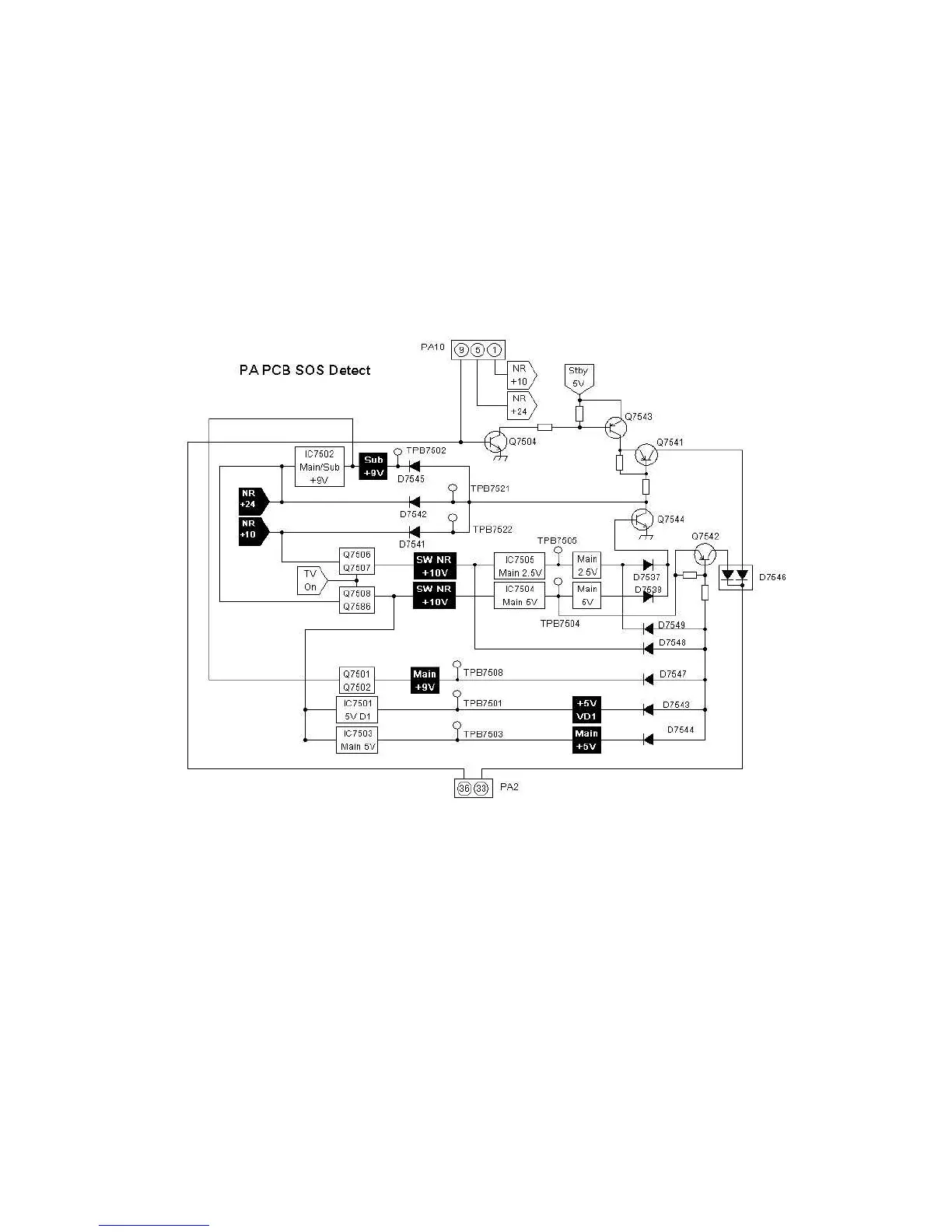
Figure 28 - TH-42PD25U PA board SOS detect

Table of Contents

Related product manuals