EasyManua.ls Logo

Panasonic GP6DU - Page 87

Panasonic GP6DU
127 pages
Print Icon
To Next Page IconTo Next Page
To Next Page IconTo Next Page
To Previous Page IconTo Previous Page
To Previous Page IconTo Previous Page
Loading...
IC9709
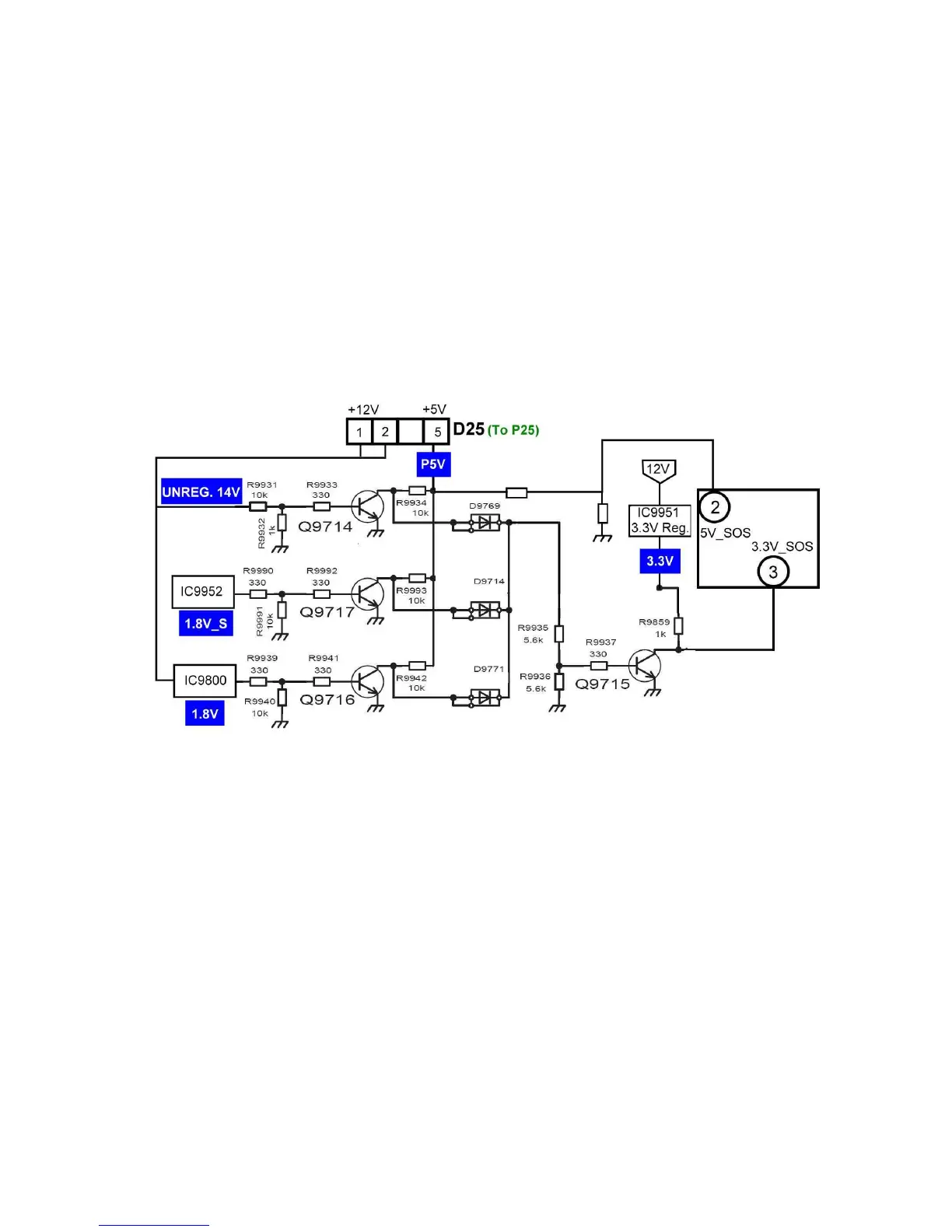
Figure 36 - TH-42PX25U 3.3V_SOS_5V_SOS detect
81

Table of Contents

Related product manuals