EasyManua.ls Logo

Panasonic GP6DU - Page 89

Panasonic GP6DU
127 pages
Print Icon
To Next Page IconTo Next Page
To Next Page IconTo Next Page
To Previous Page IconTo Previous Page
To Previous Page IconTo Previous Page
Loading...
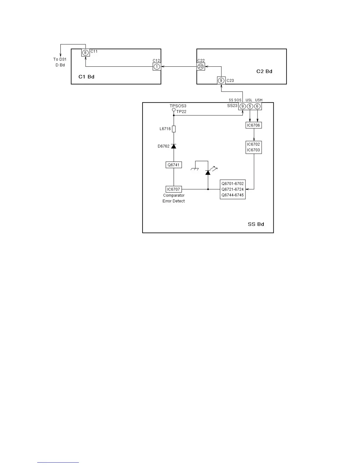
Figure 38 - SS-SOS Detect
83

Table of Contents

Related product manuals