EasyManua.ls Logo

Panasonic KX-TCD300FXS

Panasonic KX-TCD300FXS
115 pages
To Next Page IconTo Next Page
To Next Page IconTo Next Page
To Previous Page IconTo Previous Page
To Previous Page IconTo Previous Page
Loading...
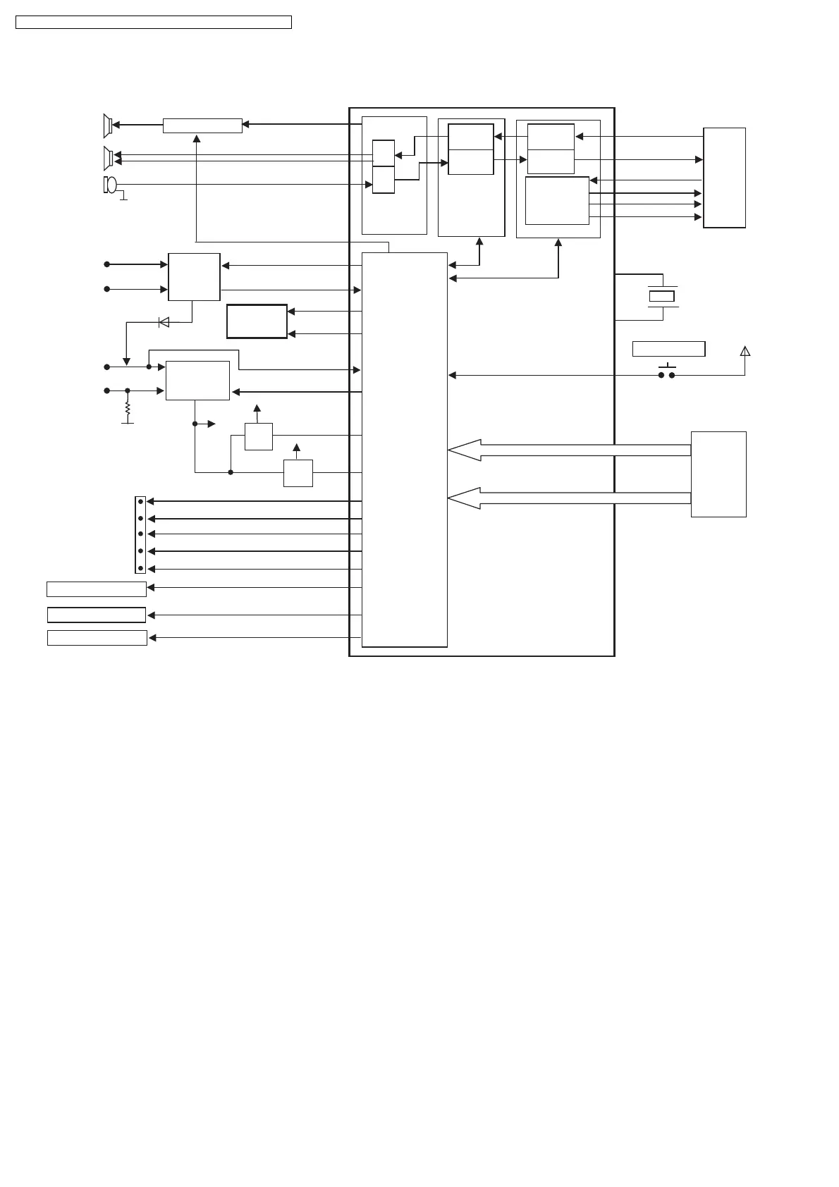
21 BLOCK DIAGRAM (HANDSET)
KX-TCA130FXS/FXT BLOCK DIAGRAM (HANDSET)
SPEAKER
AMPLIFIER
IC2
RECEIVER
MIC
CHARGE
CIRCUIT
Q4,Q5,Q9
R7
CHARGE
CONTACTS
CHARGE(+)
CHARGE(-)
CHARGE
CHARGE DETECT
EEPROM
SCL
SDA
SWITCHED
SUPPLY
Q1Q1
BATTERY
TERMINAL
D7
VBAT1
DC/DC-SWITCH
J1
J2
2.5V
Q3
1.8V
Q2
4.0V
2.5V
1.8V
COLOR
LCD
D00-D07
RESET
CS
WR_R/W
RD_E
LCD-BACK LIGHT
KEY-BACK LIGHT
SP-PHONE LIGHT
CPU
SP_AMP CONTROL
Analog
Front
End
D/A
A/D
112
110
111
118
14
97
96
66
67
107
93
104
103
61
44
43
81
79
42
10
ADPCM
Codec
Filter
DSP
Speech
Decoding
Speech
Encoding
BMC
Burst
Decoding
Burst
Encoding
RF
Interface
RF
Module
CN6
26
28
RXDA
TXDA
25
38
39
40
RSSI
SYDA
SYEN
SYCL
21
20
XTAL
X1
10.368
MHz
BATTERY
95
ON SWITCH
KEYPAD
ROWS
COLUMNS
57,58,62
50-54,80,82,83
BBIC
IC1
IC10
72
KX-TCD300FXS / KX-TCD300FXT / KX-TCA130FXS / KX-TCA130FXT

Table of Contents

Related product manuals