EasyManua.ls Logo

Panasonic KX-TG6841B

Panasonic KX-TG6841B
97 pages
To Next Page IconTo Next Page
To Next Page IconTo Next Page
To Previous Page IconTo Previous Page
To Previous Page IconTo Previous Page
Loading...
19
KX-TG6841B/KX-TG6842B/KX-TG6843B/KX-TG6844B/KX-TG6845B/KX-TG6873B/KX-TGA680B
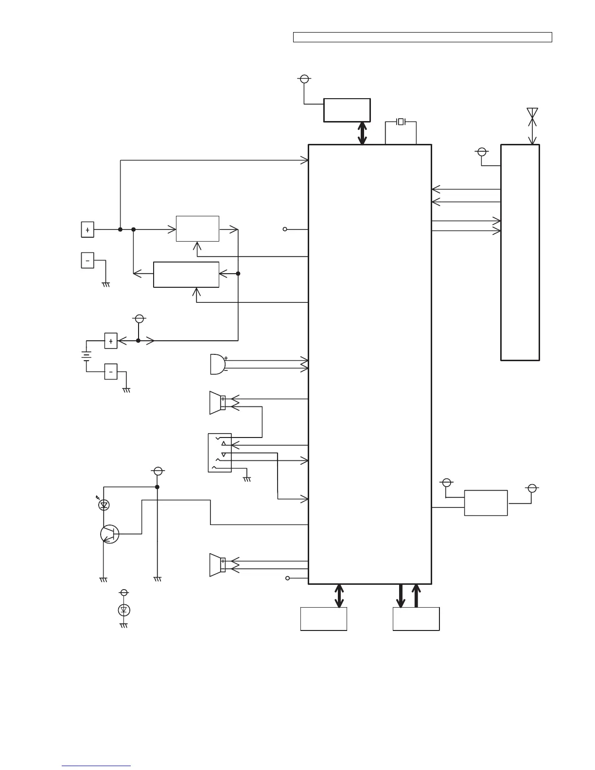
4.5. Block Diagram (Handset)
IC1
IC3
MIP
MIN
HSSPOUTP
LOUT
HSMIP
HEADSET_DET
SPOUTP
SPOUTN
CKM//STM
CKM/STM
BBIC
RESET
CHG_CTL
BATTERY_ON
CHG_DET
WP, CLK, DATA
KEYSTOROBE_A~E
KEYIN_1~5
CHARGE
MIC
Receiver
Headset Jack
CN431
Monitor SP
LCD
CHARGE
PUMP
IC4
KEYS
RF part
ANT1
X1
13.824 MHz
EEPROM
3V
BATTERY
LED
(LCD)
RSTN
VBAT
VBAT
3V
4.0V
VBAT
RXn
RXp
TXp
TXn
KX-TGA680 BLOCK DIAGRAM (Handset)
KEY_LED
CP_OFF
Q6
LED
(KEY)
4V
CHARGE
CONTROL
POWER SUPPLY
CONTROL

Table of Contents

Related product manuals