EasyManua.ls Logo

Panasonic KX-TGC220AL - Making;Answering Calls; Initiating and Receiving Calls

Panasonic KX-TGC220AL
86 pages
To Next Page IconTo Next Page
To Next Page IconTo Next Page
To Previous Page IconTo Previous Page
To Previous Page IconTo Previous Page
Loading...
15
KX-TGC220/KX-TGC222/KX-TGC223/KX-TGCA20
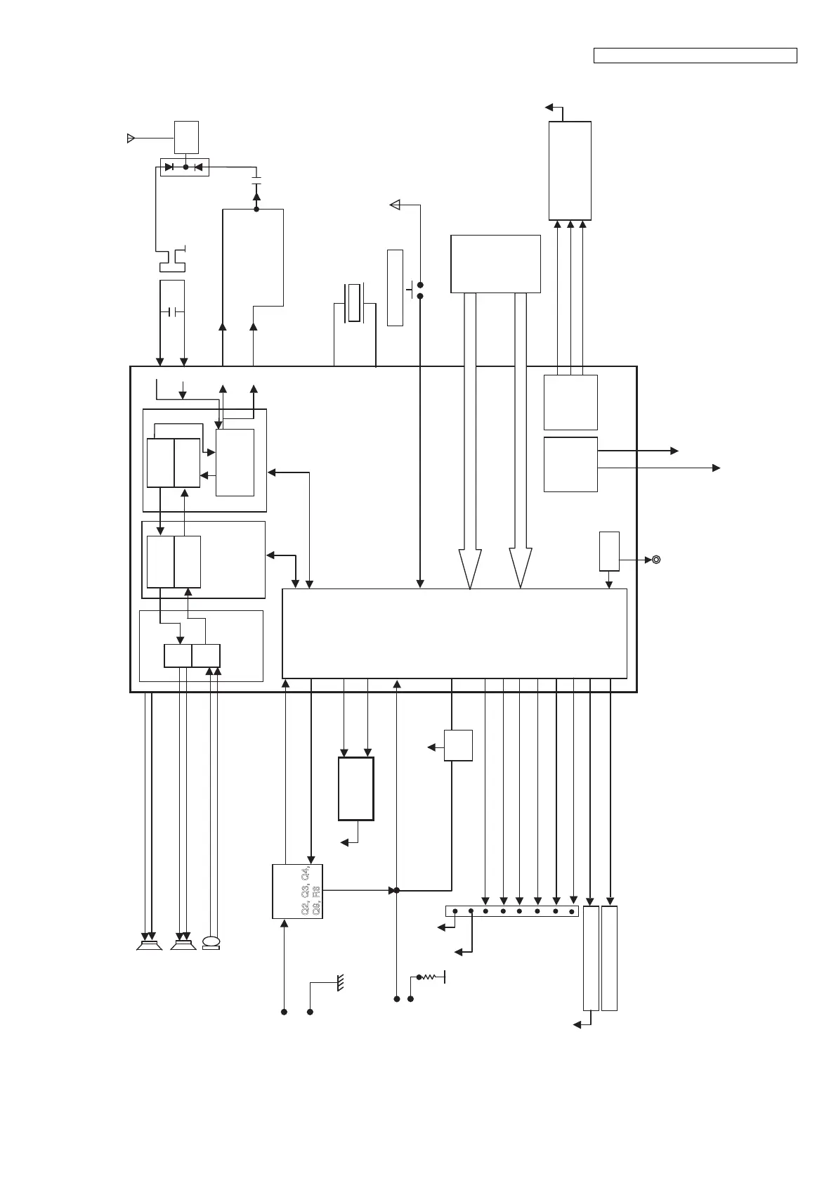
4.5. Block Diagram (Handset)
QSPI
FLASH MEMORY
IC4
Reset
Reset
Pin 71
SPEAKER
RECEIVER
MIC
CHARGE
CIRCUIT
Q2, Q3, Q4,
Q9, R8
CHARGE
CONTACTS
CHARGE(+)
CHARGE_CTRL
CHARGE_DET
EEPROM
SCL
SDA
BATTERY
TERMINAL
R45
VBAT
BATT-
1.8 V
Q1
1.8 V
LCD
CD
RESET
CS
SID
SCL
CPU
Analog
Front
End
D/A
A/D
35
37
21
22
17
18
34
33
66
67
32
24
44 45
73
63
64
77
76
ADPCM
Codec
Filter
DSP
Speech
Decoding
Speech
Encoding
BMC
Burst
Decoding
ANT1
Burst
Encoding
RF
PLL
MOD/DEMOD
1
2
87
86
RXn
ANT1
RXp
TXp
TXn
7
8
XTAL
X1
10.368
MHz
BATTERY
46
ON SWITCH
KEYPAD
Charge
Pump
ROWS
COLUMNS
CP3V
CP4V
57, 58, 59, 60
11, 12, 13, 14, 25, 55
47, 48, 51, 53 QSPI-IO 0-3
BBIC
IC1
IC7
65
LCD-BACK LIGHT
KEY LED
61
LDO_CTRL
1.8 V
CP3V
QSPI
Control
52 QSPI-SCK
49 QSPI-CS
CP 3V
LCD_LED0
CP4V
CP3V
1.8 V
GND

Table of Contents

Other manuals for Panasonic KX-TGC220AL

Related product manuals