EasyManua.ls Logo

Panasonic S-100PK2E5B - Charging Additional Refrigerant; Evacuation; Finishing the Job

Panasonic S-100PK2E5B
259 pages
Print Icon
To Next Page IconTo Next Page
To Next Page IconTo Next Page
To Previous Page IconTo Previous Page
To Previous Page IconTo Previous Page
Loading...
1
1-11-15
LEAK TEST, EVACUATION AND ADDITIONAL
REFRIGERANT CHARGE
Perform an air-tightness test for this package A/C. Check that
there is no leakage from any of the connections.
Air and moisture in the refrigerant system may have
undesirable effects as indicated below.
pressure in the system rises
operating current rises
cooling (or heating) efficiency drops
moisture in the refrigerant circuit may freeze and block
capillary tubing
water may lead to corrosion of parts in the refrigerant
system
Therefore, the indoor unit and tubing between the indoor and
outdoor unit must be leak tested and evacuated to remove any
noncondensables and moisture from the system.
Air Purging with a Vacuum Pump (for Test Run)
Preparation
Check that each tube (both liquid and gas tubes) between the
indoor and outdoor units has been properly connected and all
wiring for the test run has been completed. Remove the valve
caps from both the gas and liquid service valves on the outdoor
unit. Note that both liquid and gas tube service valves on the
outdoor unit are kept closed at this stage.
Lo Hi
The refrigerant charge at the time of shipment is only
guaranteed sufficient for a tubing length of up to 30 m. The
tubing may exceed this length, up to the maximum permitted
length; however, an additional charge is necessary for
the amount that the tubing exceeds 30 m. (No additional
refrigerating machine oil is needed.)
Leak Test
(1) With the service valves on the outdoor unit closed, remove
the 7.94 mm cap nut on the gas tube service valve. (Save
for reuse.)
(2) Attach a manifold valve (with pressure gauges) and dry
nitrogen gas cylinder to this service port with charge
hoses.
CAUTION
Use a manifold valve for air purging. If it is not available,
use a stop valve for this purpose. The “Lo” knob of the
manifold valve must always be kept closed.
(3) Pressurize the system up to 4.15 MPa {42 k
g
f/cm
2
G} with
dry nitrogen gas and close the cylinder valve when the
gauge reading reaches 4.15 MPa {42 k
g
f/cm
2
G}. Then, test
for leaks with liquid soap.
CAUTION
To avoid nitrogen entering the refrigerant system in a
liquid state, the top of the cylinder must be higher than
the bottom when you pressurize the system. Usually, the
cylinder is used in a vertical standing position.
(4) Do a leak test of all joints of the tubing (both indoor and
outdoor) and both gas and liquid service valves. Bubbles
indicate a leak. Wipe off the soap with a clean cloth after a
leak test.
(5) After the system is found to be free of leaks, relieve the
nitrogen pressure by loosening the charge hose connector
at the nitrogen cylinder. When the system pressure is
reduced to normal, disconnect the hose from the cylinder.
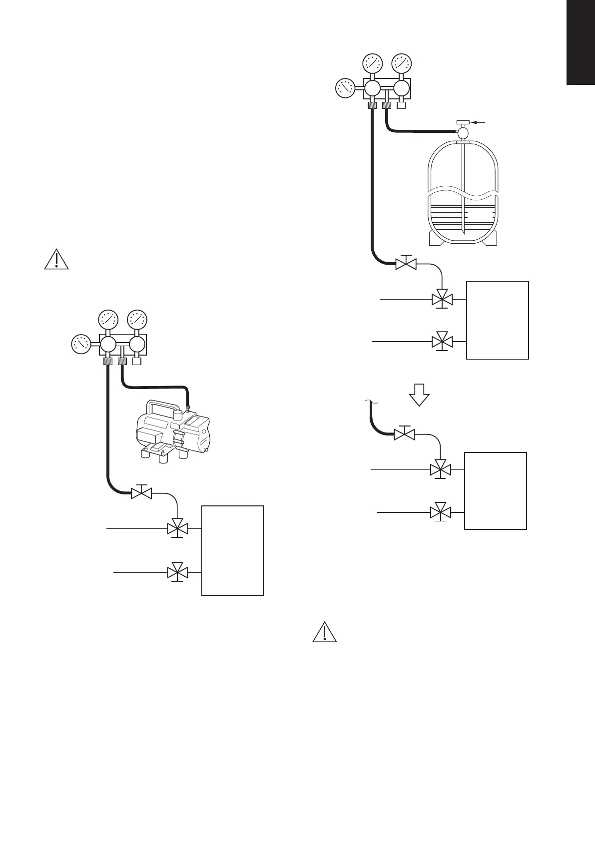
Manifold gauge Vacuum pump
Outlet
Inlet
Manifold valve
Pressure
gauge
Cylinder
valve
Nitrogen gas cylinder
(In vertical standing
position)
Charge hose
Open
Close
Gas tube
Liquid tube
Outdoor unit
Close
01_301769_2WAY_eng.indb 27 2018/3/20 9:15:04
Evacuation
Be sure to use a vacuum pump that includes a function for
prevention of back-flow, in order to prevent back-flow of pump
oil into the unit tubing when the pump is stopped.
Perform vacuuming of the indoor unit and tubing.
Connect the vacuum pump to the gas tube valve and apply
vacuum at a pressure of –101kPa {–755 mmHg, 5 Torr} or
below.
Continue vacuum application for a minimum of 1 hour after
the pressure reaches –101kPa {–755 mmHg, 5 Torr}.
(1) Attach the charge hose end described in the preceding
steps to the vacuum pump to evacuate the tubing and
indoor unit. Confirm that the “Lo” knob of the manifold
valve is open. Then, run the vacuum pump.
(2) When the desired vacuum is reached, close the “Lo”
knob of the manifold valve and turn off the vacuum pump.
Confirm that the gauge pressure is under –101 kPa
{–755 mmHg, 5 Torr} after 4 to 5 minutes of vacuum pump
operation.
CAUTION
Use a cylinder specifically designed for use with R410A or
R32.
Lo Hi
Charging Additional Refrigerant
Charge additional refrigerant (calculated from the liquid tube
length as shown on page 1-11-6 “Tubing Size”) using the
liquid tube service valve. (Fig. 1-11-2)
Use a balance to measure the refrigerant accurately.
If the additional refrigerant charge amount cannot be
charged at once, charge the remaining refrigerant in liquid
form by using the gas tube service valve with the system in
Cooling mode at the time of test run. (Fig. 1-11-3)
* If an additional refrigerant charge has been performed, list the
refrigerant tubing length and amount of additional refrigerant
charge on the product label (inside the panel).
Lo Hi
R32
Fig. 1-11-2
Fig. 1-11-3
7-4. Finishing the Job
(1) With a hex wrench, turn the liquid tube service valve shaft
counterclockwise to fully open the valve.
(2) Turn the gas tube service valve shaft counterclockwise to
fully open the valve.
CAUTION
To avoid gas from leaking when removing the charge hose,
make sure the stem of the gas tube is turned all the way
out (“BACK SEAT”) position.
(3) Loosen the charge hose connected to the gas tube service
port (7.94 mm) slightly to release the pressure, and then
remove the hose.
(4) Replace the 7.94 mm cap nut on the gas tube service port
and fasten the flare nut securely with an adjustable wrench
or box wrench. This process is very important to prevent
gas from leaking from the system.
(5) Replace the valve caps at both gas and liquid service
valves and fasten them securely.
Manifold valve
Vacuum
gauge
Vacuum pump
Open
Close
Gas tube
Liquid tube
Outdoor unit
Close
Manifold valve
Pressure
gauge
Valve
Close
Close
Liquid tube
Gas tube
Outdoor unit
Close
Liquid
Open
Open
Gas tube
Liquid tube
Outdoor unit
Open
01_301769_2WAY_eng.indb 28 2018/3/20 9:15:05
SM830266-00_大洋州向けR32シングルTD&SM.indb 15 18/03/29 10:20:11

Table of Contents

Other manuals for Panasonic S-100PK2E5B

Related product manuals