EasyManua.ls Logo

Panasonic SA-MAX7000E - System Block Diagrams; Audio Block Diagram

Panasonic SA-MAX7000E
39 pages
Print Icon
To Next Page IconTo Next Page
To Next Page IconTo Next Page
To Previous Page IconTo Previous Page
To Previous Page IconTo Previous Page
Loading...
11
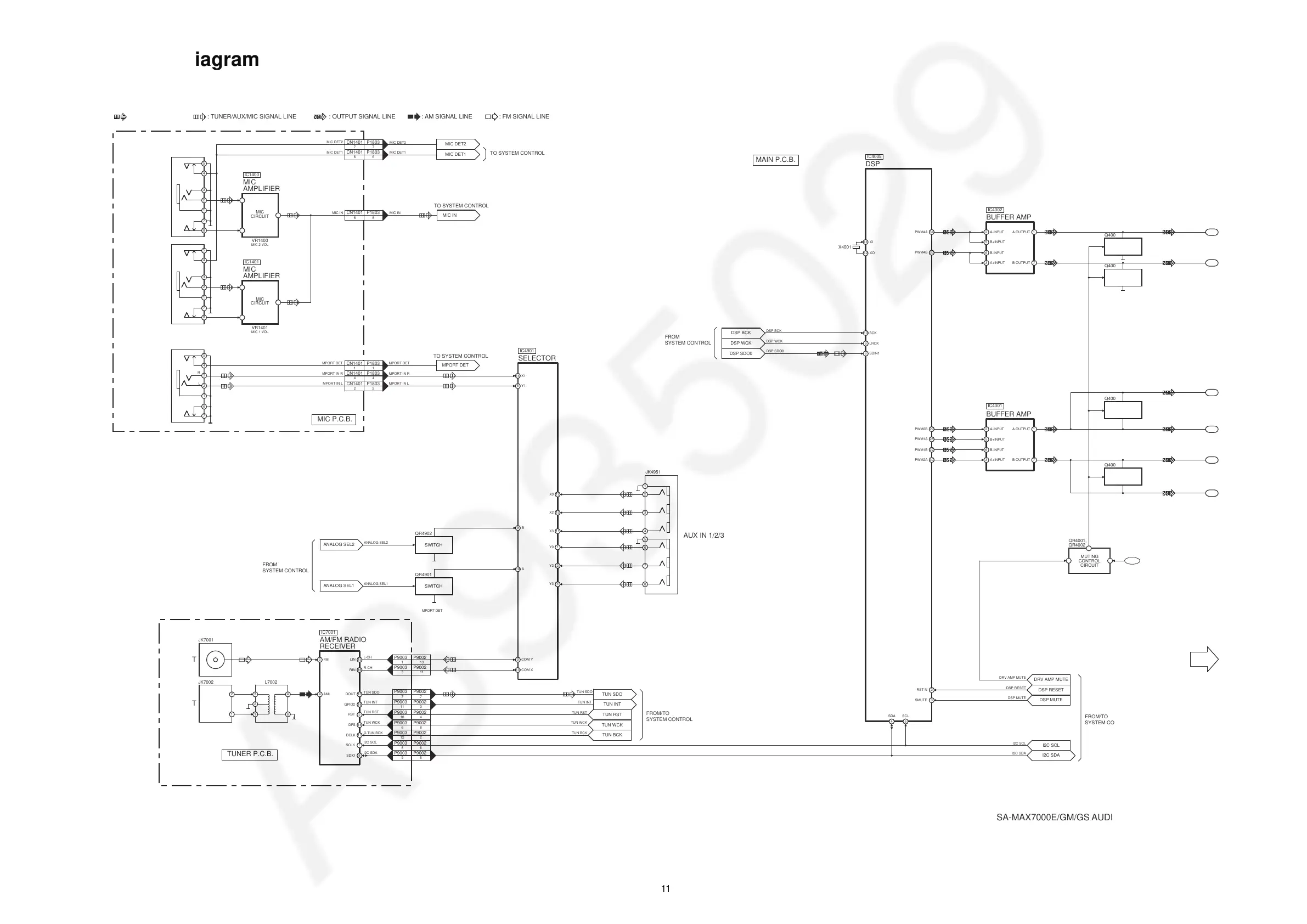
5 Block Diagram
5.1. Audio
SA-MAX7000E/GM/GS AUDIO (1/2) BLOCK DIAGRAM
1
2
5
6
TO AUDIO
BLOCK (2/2)
4
3
42 XO
41 XI
X4001
7
8
5
DSP
IC4005
MAIN P.C.B.
MIC P.C.B.
TUNER P.C.B.
SELECTOR
IC4901
A10
ANALOG SEL1
ANALOG SEL1
QR4901
SWITCH
B9
ANALOG SEL2
ANALOG SEL2
DSP SDO0
TUN INT
TUN WCK
QR4902
SWITCH
Q4001
MUTING
Q4002
MUTING
Q4003
MUTE
Q4004
MUTE
JK4951
Y0 1
X0 12
AUX IN 1/2/3
3
2
1
4
7
6
5
8
FM ANT
JK7001
AM/FM RADIO
RECEIVER
IC7001
2 FMI
SCLK
GPIO2 18
DOUT 13
DFS 14
LIN 15
L-CH
R-CH
TUN SDO
TUN INT
TUN RST
TUN WCK
G TUN BCK
I2C SCL
I2C SDA
RIN 16
DCLK 17
SDIO
RST
JK7002
L7002
4
6
3
1
2
4 AMI2
1
AM ANT
8 SDIN1
10 BCK
4
SDA
5
SCL
9 LRCK
FROM/TO
SYSTEM CONTROL
FROM/TO
SYSTEM CONTROL
FROM
SYSTEM CONTROL
R
L
AUX IN 4
JK1402
3
2
1
6
7
5
4
14 X1
5Y1
3 COM Y
13 COM X
BUFFER AMP
IC4002
2 A-INPUT
5 B+INPUT
3 A+INPUT
6 B-INPUT
A OUTPUT 1
B OUTPUT 7
66
CN1401 P1803
MIC DET1
MIC DET1
88
CN1401 P1803
MIC IN
MIC IN
11
CN1401 P1803
MPORT DETMPORT DET
44
CN1401 P1803
MPORT IN RMPORT IN R
22
CN1401 P1803
MPORT IN LMPORT IN L
TO SYSTEM CONTROL
TO SYSTEM CONTROL
FROM
SYSTEM CONTROL
MIC DET1
MIC IN
TO SYSTEM CONTROL
MPORT DET
DSP SDO0
DSP BCK
DSP BCK
DSP WCK
DSP WCK
I2C SCL
MIC
CIRCUIT
MIC 2 VOL
VR1400
MIC 2
JK1403
3
2
1
7
8
5
4
MIC
AMPLIFIER
IC1400
QR4001,
QR4002
MUTING
CONTROL
CIRCUIT
I2C SDA
TUN INT
TUN WCK
TUN BCK
TUN BCK
TUN SDO
I2C SCL
TUN RST
TUN SDO
TUN RST
2
RST N
DSP RESET
DSP RESET
DRV AMP MUTE
DRV AMP MUTE
3
SMUTE
DSP MUTE
DSP MUTE
I2C SDA
PWM4A 34
PWM4B 33
BUFFER AMP
IC4001
2 A-INPUT
5 B+INPUT
3 A+INPUT
6 B-INPUT
A OUTPUT 1
B OUTPUT 7
PWM2B 29
PWM1A 28
PWM1B 27
PWM2A 30
+5V
MIC
CIRCUIT
MIC 1 VOL
VR1401
MIC 1
JK1401
3
2
1
7
8
5
4
MIC
AMPLIFIER
IC1401
Y2 2
Y3 4
X2 15
X3 11
131
P9003 P9002
113
P9003 P9002
77
P9003 P9002
311
P9003 P9002
410
P9003 P9002
86
P9003 P9002
212
P9003 P9002
68
P9003 P9002
59
P9003 P9002
MPORT DET
: CD SIGNAL LINE
: TUNER/AUX/MIC SIGNAL LINE
: OUTPUT SIGNAL LINE
: FM SIGNAL LINE: AM SIGNAL LINE
CN1401 P1803
MIC DET2
77
MIC DET2
MIC DET2

Related product manuals