EasyManua.ls Logo

Panasonic SA-MAX7000E - Mic Circuit Schematic

Panasonic SA-MAX7000E
39 pages
Print Icon
To Next Page IconTo Next Page
To Next Page IconTo Next Page
To Previous Page IconTo Previous Page
To Previous Page IconTo Previous Page
Loading...
23
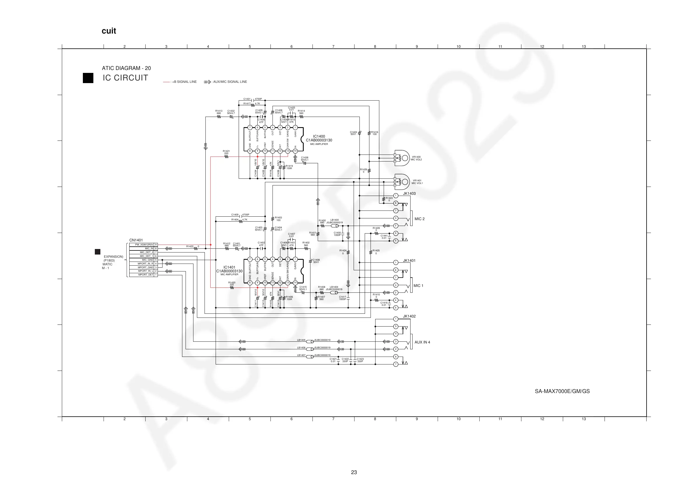
6.11. Mic Circuit
A
1
2 3 4 5 6 7 8 9 10 11 12 13 14
1 2 3 4 5 6 7 8 9 10 11 12 13 14
C
D
B
E
G
H
F
A
C
D
B
E
G
H
F
D
MIC CIRCUIT
SCHEMATIC DIAGRAM - 20
SA-MAX7000E/GM/GS MIC CIRCUIT
A
TO
MAIN (IO EXPANSION)
CIRCUIT (P1803)
IN SCHEMATIC
DIAGRAM - 1
: +B SIGNAL LINE
: AUX/MIC SIGNAL LINE
MIC 2
AUX IN 4
MIC 1
MIC VOL1
VR1401
MIC VOL2
VR1400
LB1405 J0JBC0000019
0
R1409
JK1403
C1441
0.01
C1421
0.01
C1423
330P
C1422
330P
LB1407 J0JBC0000019
5
4
2
3
7
1
6
5
4
3
1
2
7
8
JK1402
LB1406 J0JBC0000019
3
2
6
7
4
5
1
9
8
CN1401
MIC_GND
MIC_IN
MPORT_IN_R
MIC_DET_2
MIC_DET_1
PW_XSW12R0V
MPORT_DET
MPORT_GND
MPORT_IN_L
C1401
50V4.7
C1402
47P
50V0.1
C1403
50V0.1
C1404
C1406
50V1
C1407
0.01
C1408
50V1
4700PC1409
C1412 16V10
C1413 50V1
C1415
50V0.1
1000P
C1417
564 123
91113141210
7
8
IC1401
C1AB00003130
IN
V+
GND
SENSE
VREF
INT
GAIN SW
GAIN1
OUT
BUFFIN
GAIN2
DET
BUFFOUT
BUFFGAIN
LB1404
J0JBC0000019
R1401
47K
R1402
560
R1403
100
R1404 4.7K
47KR1405
R1406
100K
R1407
560
R1408
680
R1412
680
R1420
220
MIC AMPLIFIER
C1411 16V10
1
2
3
R1422 0
1000P
C1400
C1416
0.01
C1424
50V1
0.01
C1425
C1426
50V1
C1428
50V4.7
C1429
50V0.1
C1430
47P
C1431 4700P
50V4.7
C1432
C1434 16V10
C1435 16V10
C1436 50V1
C1438
50V0.1
564 123
91113141210
7
8
IC1400
C1AB00003130
MIC AMPLIFIER
IN GAIN1
BUFFOUT
OUT
BUFFIN
BUFFGAIN
GND
VREF
V+
SENSE
DET
GAIN2
INT
GAIN SW
5
4
JK1401
3
1
2
7
8
J0JBC0000019
LB1400
R1400
680
R1410
0
R1411
560
R1413
680 560
R1414
R1415
47K
R1416
100
R1417 4.7K
R1418 47K
100K
R1419
220
R1421
1
2
3
R1423
0
R1424
0
R1425
0
R1426
0

Related product manuals