EasyManua.ls Logo

Panasonic SA-MAX7000E - Main (AMP Single) Circuit (2;2)

Panasonic SA-MAX7000E
39 pages
Print Icon
To Next Page IconTo Next Page
To Next Page IconTo Next Page
To Previous Page IconTo Previous Page
To Previous Page IconTo Previous Page
Loading...
16
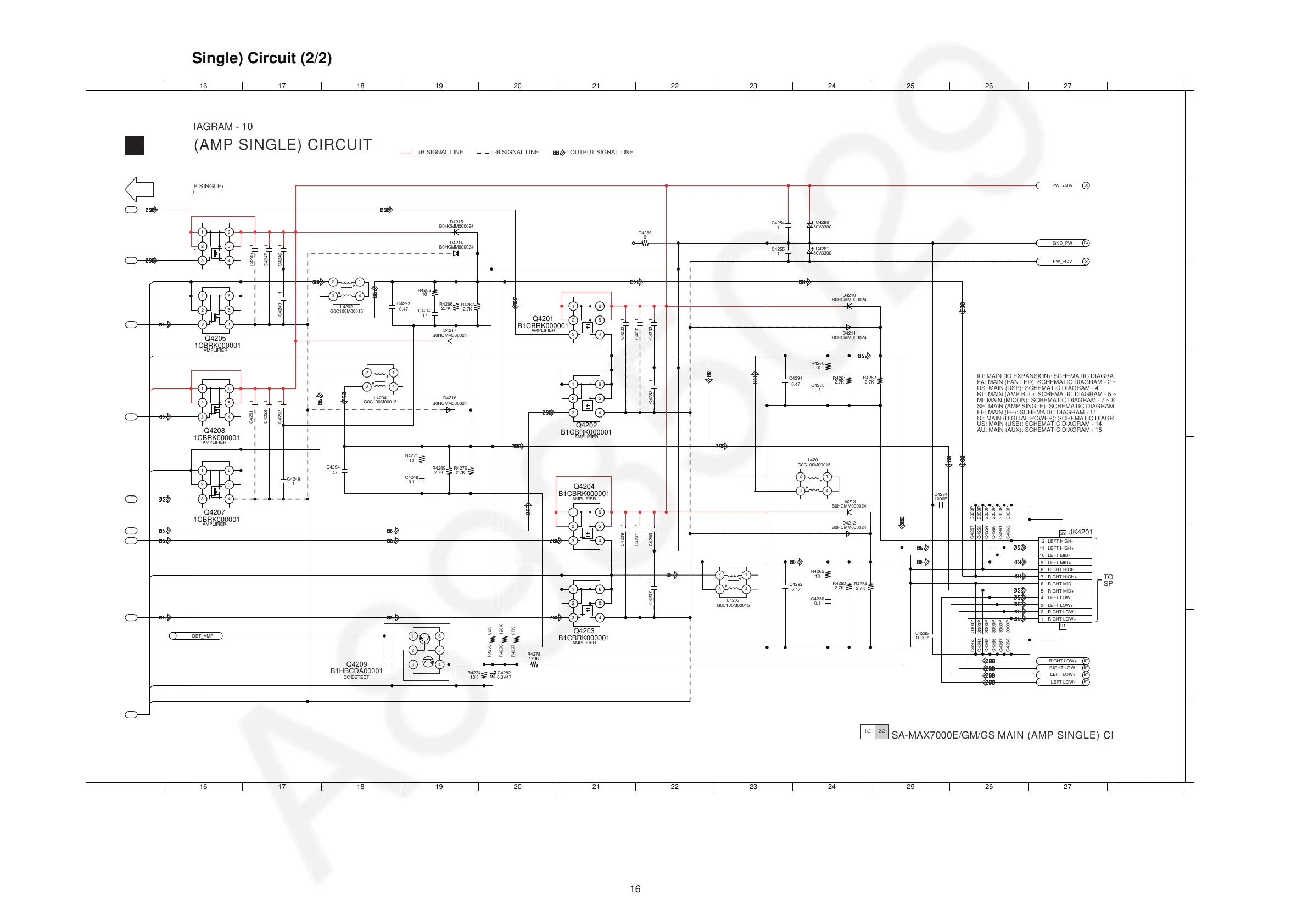
6.4. Main (AMP Single) Circuit (2/2)
15 16 17 18 19 20 21 22 23 24 25 26 27 28
15 16 17 18 19 20 21 22 23 24 25 26 27 28
A
C
D
B
E
G
H
F
A
MAIN (AMP SINGLE) CIRCUIT
SCHEMATIC DIAGRAM - 10
SA-MAX7000E/GM/GS MAIN (AMP SINGLE) CIRCUIT
2/21/2
TO MAIN (AMP SINGLE)
CIRCUIT (1/2)
1
3
2
4
5
6
P1
8
7
: +B SIGNAL LINE : -B SIGNAL LINE
: OUTPUT SIGNAL LINE
TO
SPEAKERS
IO: MAIN (IO EXPANSION): SCHEMATIC DIAGRAM - 1
FA: MAIN (FAN LED): SCHEMATIC DIAGRAM - 2 ~ 3
DS: MAIN (DSP): SCHEMATIC DIAGRAM - 4
BT: MAIN (AMP BTL): SCHEMATIC DIAGRAM - 5 ~ 6
MI: MAIN (MICON): SCHEMATIC DIAGRAM - 7 ~ 8
SE: MAIN (AMP SINGLE): SCHEMATIC DIAGRAM - 9 ~ 10
FE: MAIN (FE): SCHEMATIC DIAGRAM - 11
DI: MAIN (DIGITAL POWER): SCHEMATIC DIAGRAM - 12 ~ 13
US: MAIN (USB): SCHEMATIC DIAGRAM - 14
AU: MAIN (AUX): SCHEMATIC DIAGRAM - 15
2
3
1
4
2
3
1
4
2
3
1
5
4
6
3
2
5
7
9
11
12
10
8
6
G2
4
1
G1
JK4201
C4261 3300P
C4262 3300P
FA
1C4233
C4232 1
C4231 1
0
C4283
4
6
52
1
3
Q4201
B1CBRK000001
C4230 1
4
6
52
1
3
Q4202
B1CBRK000001
GND_PW
B0HCMM000024
D4210
D4211
B0HCMM000024
PW_-40V
PW_-40V
1
C4255
50V3300
C4281
PW_+40V
PW_+40V
1
C4254
50V3300
C4280
0.47
C4291
2.7K
R4262
2.7K
R4261
R4260
10
C4235
0.1
C4241 1
C4240 1
C4239 1
4
6
52
1
3
Q4204
B1CBRK000001
D4212
B0HCMM000024
D4213
B0HCMM000024
C4257 3300P
C4259 3300P
C4260 3300P
C4258 3300P
G0C100M00015
L4201
G0C100M00015
L4202
DGND
DC_DET_AMP
C4246 1
C4247 1
C4245 1
C4264 3300P
C4263 3300P
D4214
B0HCMM000024
D4215
B0HCMM000024
0.47
C4293
R4268
10
2.7K
R4266
2.7K
R4267
LEFT LOW-
RIGHT LOW+
LEFT LOW+
RIGHT LOW-
RIGHT LOW+
LEFT LOW-
RIGHT LOW-
LEFT LOW+
C4251
1
C4253
1
D4217
B0HCMM000024
R4274
10K
R4278
120K
R4271
10
C4248
0.1
0.47
C4294
2.7K
R4270
2.7K
R4269
D4216
B0HCMM000024
R4276 120K
R4277 68K
R4275 68K
C4282
6.3V47
C4252
1
1
C4249
C4242
0.1
1C4243
4
6
52
1
3
Q4206
B1CBRK000001
4
6
52
1
3
Q4205
B1CBRK000001
4
6
52
1
3
Q4207
B1CBRK000001
4
6
52
1
3
Q4208
B1CBRK000001
AMPLIFIER
AMPLIFIER
AMPLIFIER
AMPLIFIER
1C4237
2.7K
R4264
2.7K
R4263
C4236
0.1
R4265
10
0.47
C4292
4
6
52
1
3
Q4203
B1CBRK000001
AMPLIFIER
AMPLIFIER
AMPLIFIER
AMPLIFIER
RIGHT HIGH+
LEFT HIGH+
LEFT MID+
RIGHT MID+
LEFT MID-
LEFT HIGH-
RIGHT MID-
RIGHT HIGH-
VS2
VS1
VS4
VS3
DI
FA
DI
BT
BT
BT
BT
C4267 3300P
C4268 3300P
C4266 3300P
C4265 3300P
C4284
1000P
C4285
1000P
B1HBCDA00001
Q4209
DC DETECT
2
3
1
4
G0C100M00015
L4203
2
3
1
4
G0C100M00015
L4204

Related product manuals