EasyManua.ls Logo

Panasonic SA-MAX8000GN - Page 40

Panasonic SA-MAX8000GN
104 pages
Print Icon
To Next Page IconTo Next Page
To Next Page IconTo Next Page
To Previous Page IconTo Previous Page
To Previous Page IconTo Previous Page
Loading...
40
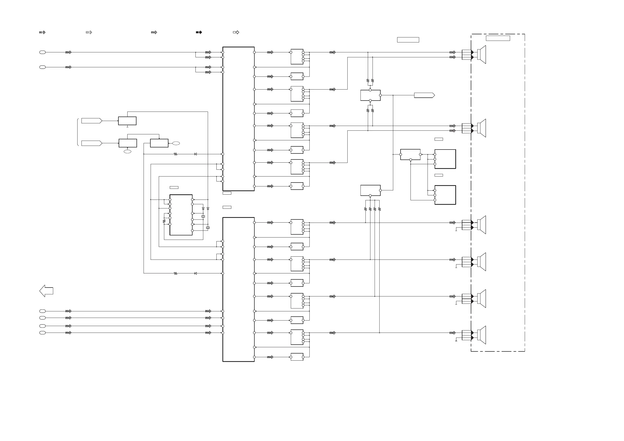
SA-MAX8000GN AUDIO (2/2) BLOCK DIAGRAM
2
1
4
6
3
5
TO AUDIO
BLOCK (1/2)
: TUNER/AUX/MIC INPUT SIGNAL LINE : OUTPUT SIGNAL LINE: CD INPUT SIGNAL LINE
: FM SIGNAL LINE: AM SIGNAL LINE
-
+
3
JK4201
4
JK4201
-
+
1
JK4201
2
JK4201
-
+
7
JK4201
8
JK4201
-
+
5
JK4201
6
JK4201
-
+
11
JK4201
12
JK4201
-
+
9
JK4201
10
JK4201
LEFT LOW
RIGHT LOW
RIGHT MID
LEFT MID
RIGHT HIGH
LEFT HIGH
SPEAKERS
MAIN P.C.B.
31
2
5
6
AMPLIFIER
Q4502
21L04
28H04
27VS4
3 4
AMPLIFIER
Q4501
31
2
5
6
AMPLIFIER
Q4503
22L03
25H03
26VS3
3 4
AMPLIFIER
Q4504
31
2
5
6
AMPLIFIER
Q4507
16L02
9H02
10VS2
34
AMPLIFIER
Q4508
31
2
5
6
AMPLIFIER
Q4505
15L01
12H01
11VS1
34
AMPLIFIER
Q4506
+3.3V
-5V
QR4203 QR4201
SWITCH SWITCH
D4509
D4209
DAMP MOD DA
DAMP MOD DA
48 CSD
48 CSD
AMP FHOP
AMP FHOP
QR4202
SWITCH
AUDIO
AMPLIFIER DRIVER
C0ZBZ0001673
IC4501
38 IN3
46 IN1
40 IN4
44 IN2
31
2
5
6
AMPLIFIER
Q4202
21L04
28H04
27VS4
3
4
AMPLIFIER
Q4201
31
2
5
6
AMPLIFIER
Q4203
22L03
25H03
26VS3
3 4
AMPLIFIER
Q4204
31
2
5
6
AMPLIFIER
Q4207
16L02
9H02
10VS2
34
AMPLIFIER
Q4208
31
2
5
6
AMPLIFIER
Q4205
15L01
12H01
11VS1
34
AMPLIFIER
Q4206
AUDIO
AMPLIFIER DRIVER
C0ZBZ0001673
IC4202
38 IN3
40 IN4
44 IN2
46 IN1
X4202
X4201
D4218 D4219
39 COMP4
47 COMP1
39 COMP4
47 COMP1
45 COMP2
37 COMP3
45 COMP2
37 COMP3
10 5Y
84Y
94A
11 5A
13 6A
42Y
53A
63Y
32A
21Y
11A
12 6Y
OSCILLATOR AMP
C0JBAB000902
IC4201
FROM SYSTEM CONTROL
TO SYSTEM CONTROL
Q4509
DC DETECT
DC DET
DC DET
Q4209
DC DETECT
1 CTRL
4VD
5OS
TEMPERATURE
SENSOR
C0ZBZ0001675
IC4502
1 CTRL
4VD
5OS
TEMPERATURE
SENSOR
C0ZBZ0001675
IC4203
QR4501,QR4502
DC DETECT
CIRCUIT

Table of Contents

Related product manuals