EasyManua.ls Logo

Panasonic SA-MAX8000GN - SMPS Circuit (1;2)

Panasonic SA-MAX8000GN
104 pages
Print Icon
To Next Page IconTo Next Page
To Next Page IconTo Next Page
To Previous Page IconTo Previous Page
To Previous Page IconTo Previous Page
Loading...
68
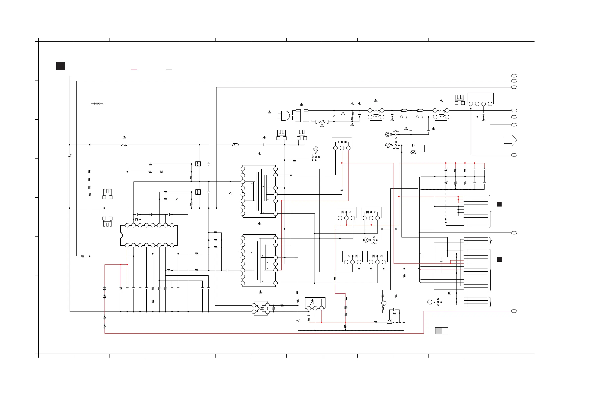
12.23. SMPS Circuit (1/2)
A
1
2 3 4 5 6 7 8 9 10 11 12 13 14
1 2 3 4 5 6 7 8 9 10 11 12 13 14
C
D
B
E
G
H
F
L
SMPS CIRCUIT
SCHEMATIC DIAGRAM - 22
SA-MAX8000GN SMPS CIRCUIT
2/21/2
TO SMPS
CIRCUIT (2/2)
1
5
6
7
2
3
4
P1
A
TO
MAIN
(DIGITAL POWER)
CIRCUIT (CN8001)
IN SCHEMATIC
DIAGRAM - 12
A
TO
MAIN (AMP BTL)
CIRCUIT (P4501)
IN SCHEMATIC
DIAGRAM - 5
: +B SIGNAL LINE : -B SIGNAL LINE
NOTE: “ * ” REF IS FOR INDICATION ONLY
4
TO FAN (SMPS)
AC IN
220~240V 50Hz
R1515
6.8K
R1514
1833
R1511
R1505 10KR1506 0
Q1501
B1CERR000137
Q1502
B1CERR000137
SWITCH
SWITCH
R1513
22
T10AH 250V
R1508
4.7
R1512
22
47K
R1516
D1504
B0JCPD000039
R1509
4.7
D1503
B0HAMP000094
C1505
0.1
DZ2J120M0L
D1502
C1510
10
D1505
B0JCPD000039
47K
R1517
C1703
35V1000
312
B0JBSG000053
D1702
8
10
11
9
4
3
6
7
5
12
13
CN1851
CN1854
TO
CHASSIS GND
C1851
0.1
312
B0JBSL000029
D1704
312
B0JBSL000029
D1703
C1710R1712
2.2K
R1714
C1711
0.01
0.01
C1712
C1713
0.01
0.01
R1713
2.2K
R1715
2.2K
2.2K
5
3
2
4
9
10
7
6
8
1
CN1853
C1706
50V2200
50V2200
312
B0JBSL000029
D1706
C1707
312
B0JBSL000029
D1705
D1506
B0EAMR000018
LB1501
ZC1851*
WIRE CLAMPER
J0JGC0000020
C1518
1000P
C1513
220P
C1800
0
R1524
0.1
R1519
0.12
98
15
11
13
12
16
4
1
2
3
7
5
6
T1502
G4DYA0000691
TRANSFORMER
TRANSFORMER
C1516
0.068
C1514
220P
98
15
11
13
12
16
4
1
2
3
7
5
6
T1501
G4DYA0000691
33K
R1708
ARK
IC1701
C0DAZYY00039
SHUNT REGULATOR
R1702
2.7K
R1703
2.7K
D1701
DZ2J150M0L
R1701
1.5K
R1716
1K
R1711
2.4K
R1709
33K
C1704
0.033
R1706
27K
R1710
12K
4
3
1
2
B3PBA0000579
FEEDBACK
Q1505
0.01
C1504
0.1C1509
C1508 1500P
C1512 0.033
R1510 47
4.7
C1506
220KR1507
0.1
C1507
0.01C1511
J0JKB0000015
LB1001
C1002
0.22
J0JKB0000015
LB1002
J0JKB0000015
LB1005
J0JKB0000015
LB1006
1000P
C1004
1000P
C1003
3
2
4
1
L1001
G0B183J00002
ZA1003
1M
R1001
R1002
1M
C1001
0.22
P1001
ZA1002
DZ1001
D4EAY511A127
~-~
432
+
1
D1001
B0FBCR000021
3
2
4
1
G0B183J00002
L1002
C1224
450V560
7564312
FB CSOASSSTVC1 VSEN
1012141516 13 11
8
9
C0DBBYY00077
SWITCHING POWER SUPLY
IC1501
4.7
C1503
25V100
C1502
R1205
18K
1M
R1503
680K
R1502
4.7K
R1504
680K
R1501
T5A 250V
F1501
CS2CS1
NC VGLNCVBVGH VS GNDVC2
-37.5V D-AMP
GND
-37.5V D-AMP
15V
SYNC
SYNC
PCONT
PCONT
POWER_UP
2
1
FAN_POSITIVE
FAN_NEGATIVE
POWER_UP
POWER_UP
SYS3.3
SYS_GND
SMPS_ID
GND
GND
GND
TEMP_DET
15V
F1001
0.1
C1006
ZJ1001
3
2
1
ZJ1701
3
2
1
ZJ1851
3
2
1
ZJ1004
3
2
1
ZJ1103
321
1
3
2
GND
GND
GND
CN1852
1
2
FAN_POSITIVE
FAN_NEGATIVE
ZA1001*
G2G1
HEATSINK
ZA1501*
G2G1
HEATSINK
G2G1
HEATSINK
ZA1701* ZA1702*
G2G1
ZA1502*
HEATSINK
HEATSINK
D1510
B0EAMM000057
D1509
B0EAMM000057
D1508
B0EAMM000057
D1507
B0EAMM000057
G2 G1
SYS3.3
0
R1717
0
R1718
10C1802
TH1801
D4CCY1040001
R1518
0.12
C1720
0.01
R1720
10K
B1GBCFLL0037
SWITCH
QR1720
47KR1721
Q1720
B1ADNG000003
SWITCH
R1723
10K
R1724
220
R1722
47K
PWR_GND
-B (-40V)
-B (-40V)
-B (-40V)
PWR_GND
PWR_GND
+B (40V)
+B (40V)
+B (40V)
PWR_GND
K7*...MAX8000GN

Table of Contents

Related product manuals