EasyManua.ls Logo

Panasonic SA-MAX8000GN - Main (Digital Power) Circuit (1;2)

Panasonic SA-MAX8000GN
104 pages
Print Icon
To Next Page IconTo Next Page
To Next Page IconTo Next Page
To Previous Page IconTo Previous Page
To Previous Page IconTo Previous Page
Loading...
58
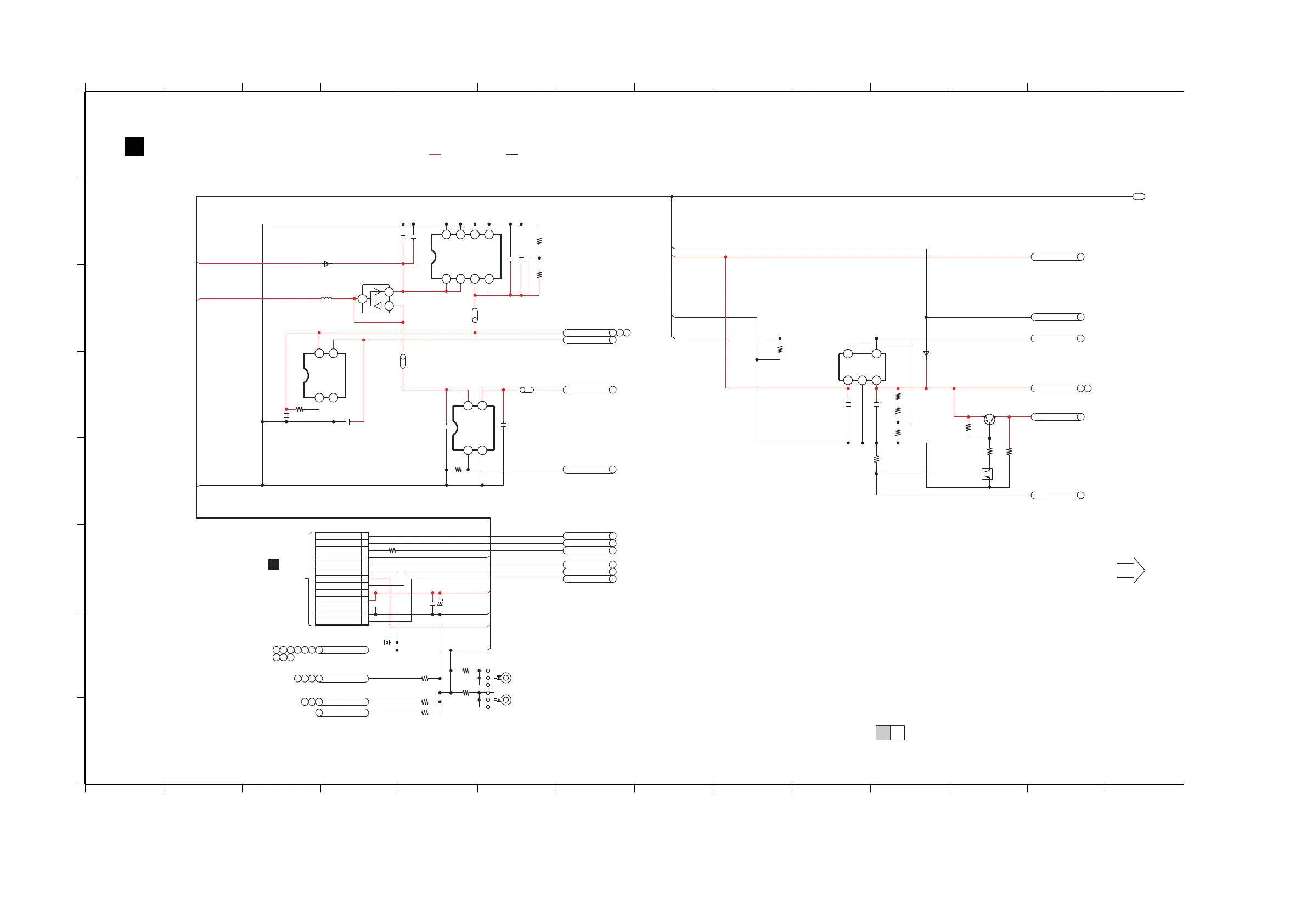
12.13. Main (Digital Power) Circuit (1/2)
A
1
2 3 4 5 6 7 8 9 10 11 12 13 14
1 2 3 4 5 6 7 8 9 10 11 12 13 14
C
D
B
E
G
H
F
A
MAIN (DIGITAL POWER) CIRCUIT
SCHEMATIC DIAGRAM - 12
SA-MAX8000GN MAIN (DIGITAL POWER) CIRCUIT
2/21/2
TO MAIN (DIGITAL POWER)
CIRCUIT (2/2)
P1
: +B SIGNAL LINE : -B SIGNAL LINE
L
TO
SMPS CIRCUIT
(CN1851)
IN SCHEMATIC
DIAGRAM - 22
IO: MAIN (IO EXPANSION): SCHEMATIC DIAGRAM - 1
FA: MAIN (FAN LED): SCHEMATIC DIAGRAM - 2
DS: MAIN (DSP): SCHEMATIC DIAGRAM - 3
AB: MAIN (AMP BTL): SCHEMATIC DIAGRAM - 4 ~ 5
MI: MAIN (MICON): SCHEMATIC DIAGRAM - 6 ~ 7
AS: MAIN (AMP SINGLE): SCHEMATIC DIAGRAM - 8 ~ 9
FE: MAIN (FE): SCHEMATIC DIAGRAM - 10
KA: MAIN (KARAOKE): SCHEMATIC DIAGRAM - 11
DI: MAIN (DIGITAL POWER): SCHEMATIC DIAGRAM - 12 ~ 13
US: MAIN (USB): SCHEMATIC DIAGRAM - 14
AU: MAIN (AUX TUNER): SCHEMATIC DIAGRAM - 15
DA2J10100L
D8004
PW_SW15R0V
KA
DGND
DGND
DGND
IOAUUSKAFEASMI
KAAU
DSAS
FA
FA US AB
AGND
IO
AMP_GND
AB
MGND
FA
PW_XSW3R3V
IO
MI US
SMPS_FAN_N
FA
SMPS_FAN_P
FA
POWER_UP
IO
SMPS_ID
MI
SYNC
MI
TEMP_DET
MI
PW_SOC_1R5V
MI
PW_BT_SW4R6V
IO
PCONT2
MI
PDET
MI
PW_SW12R0V
AU IO
PW_FL_SW12V
IO
PW_SW5R4V
B1GBCFJJ0040
PCONT
QR8001
10K
R8053
4.7K
R8051
R8052
4.7K
B1ADGF000010
SWITCH
Q8001
R8003
33K
R8068
10K
2.2K
R8062
3
1
2
B0ADDH000009
D8040
B0JCGD000016
D8013
L8005
G1C100KA0101
R8079
0
K8002 0
0K8005
R8067
23.2K
C8078 1
C8079 100P
R8011 0
0.1C8040
1C8077
ZC8001*
C8052
0.1
C8054
25V1000
7
9
11
10
12
8
2
3
1
5
6
4
13
CN8001
+12V VOLTAGE
REGULATOR
312
45
IC8007
C0DBEYY00146
K8004 0
675
243
8
1
C0DBEYY00267
+3.3V LDO
IC8011
J0JGC0000063
LB8011
LB1222
J0JHC0000046
2.2K
R8064
ZJ8003
3
2
1
2.2K
R8063
C8035 1
C8036 1
1
4
2
3
IC8012
C0DBGYY00969
+5V VOLTAGE
REGULATOR
J0JHC0000046
LB8005
R8020
0
R8002
4.7K
R8001
10K
C8001 10
10C8002
1
C8005
1
4
2
3
IC8001
C0DBGYY00911
+1.5V VOLTAGE
REGULATOR
1
C8004
VO
GNDCE
VDD VOUT
VIN
CN
VIN
GND
VO
CE ADJVIN VOUT
GND
EN
15V
15V
15V
15V
GNDGND GND GND
TEMP_DET
GND_15V
GND_15V
GND_15V
GND_15V
SYNC
PCONT
PCONT
PCONT
NEGATIVE
POWER_UP
POSITIVE
SYS5R0V
SYS5R0V
SYS5R0V
SMPS_ID
GND_SYS_3R3V
FB
PDET
R8078
0
ZJ8001
3
2
1
PCONT
MI
PCONT3
MI

Table of Contents

Related product manuals