EasyManua.ls Logo

Panasonic SA-MAX8000GN - 10 Block Diagram; System Control

Panasonic SA-MAX8000GN
104 pages
Print Icon
To Next Page IconTo Next Page
To Next Page IconTo Next Page
To Previous Page IconTo Previous Page
To Previous Page IconTo Previous Page
Loading...
35
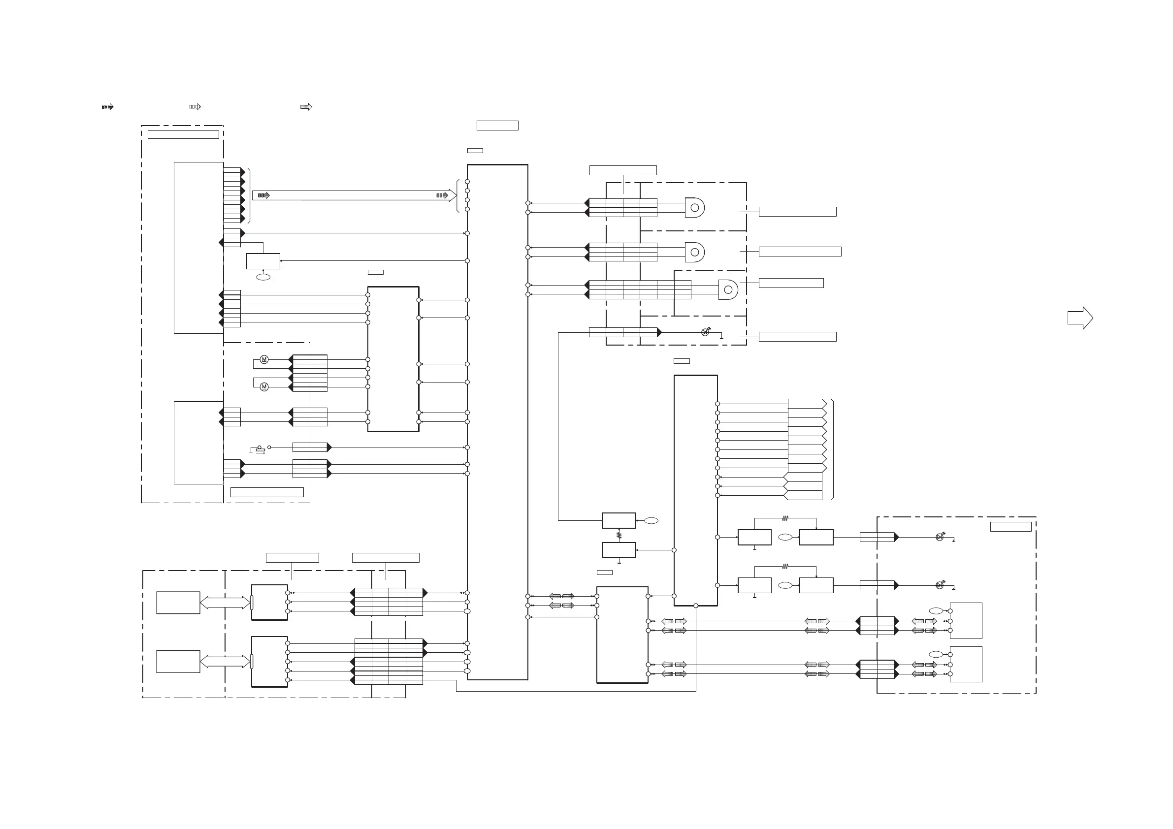
10 Block Diagram
10.1. System Control
SA-MAX8000GN SYSTEM CONTROL (1/4) BLOCK DIAGRAM
TO SYSTEM CONTROL
BLOCK (2/4)
: CD INPUT SIGNAL LINE
: USB SIGNAL LINE
: TUNER/AUX INPUT SIGNAL LINE
SOC
C1AB00004188
IC1001
FROM/TO AUDIO
MAIN P.C.B.
NOTE: “ * ” REF IS FOR INDICATION ONLY
USB P.C.B.
+5V
1 USB5V
D- B
D+ B
USB PORT B
(REC/PLAY)
JK9002
2 USB B D-
3 USB B D+
D- B
D+ B
66
CN9001P9001
55
CN9001P9001
+5V
1 USB5V
D- A
D+ A
USB PORT A
(PLAY)
JK9001
2 USB A D-
3 USB A D+
D- A
D+ A
33
CN9001P9001
22
CN9001P9001
IO EXPANDER
C0ZBZ0002175
IC1202
DJ JOG A
DJ JOG B
MULTI CONTROL
VR1600
BUTTON LEFT P.C.B.
BUTTON LEFT P.C.B.BT&NFC P.C.B.
MULTI CONTROL P.C.B.
MULTI CONTROL P.C.B.
GPIO8 73
GPIO9 74
VOLUME JOG P.C.B.
ILLUMINATION JOG P.C.B.
1813
P1500P1802
DJ JOG A
221
P1600P1502
BT UART TX
20 11
P1500 P1802
BT UART TX
12 1
P7701* P1504
BT HOST WAKE
22 9
P1500 P1802
BT HOST WAKE
10 3
P7701* P1504
BT UART RX
21 10
P1500 P1802
BT UART RX
11 2
P7701* P1504
NFC IRQ
28 3
P1500 P1802
NFC IRQ
310
P7701* P1504
NFC SCL
27 4
P1500 P1802
NFC SCL
49
P7701* P1504
NFC SDA
26 5
P1500 P1802
NFC SDA
58
P7701* P1504
BT UART RTS
25 6
P1500 P1802
BT UART RTS
76
P7701* P1504
BT LDO ON
23 8
P1500 P1802
BT LDO ON
94
P7701* P1504
1714
P1500P1802
DJ JOG B
214
P1600P1502
ILLUMI JOG A
ILLUMI JOG B
ILLUMINATION
VR1930
GPIO1 14
GPIO2 15
312
P1501P1801
ILLUMI JOG A
59
P1932P1503
411
P1501P1801
ILLUMI JOG B
68
P1932P1503
VOL JOG A
VOL JOG B
VOLUME
VR1960
SSCS 25
SSDI 26
114
P1501P1801
VOL JOG A
311
P1932P1503
213
P1501P1801
VOL JOG B
412
P1932P1503
38
P1960P1930
47
P1960P1930
D1600,D1601
DJ JOG LED CTRL
1912
P1500P1802
DJ JOG LED CTRL
1310
P1600P1502
+5V
QR1802
Q1802
SWITCH
LED DRIVE
KPX5
KPX2
26
36
KPY4
25
KPY10
3
EXIT100
4
KPY7
28
KPY3
9
KPY1
8
KPY0
7
PWM0
40
KPY9
5
KPX3 37
KPY5
KPX6
22
24
MIC DET1
MIC DET1
ANALOG SEL1
ANALOG SEL1
ANALOG SEL2
ANALOG SEL2
TUN RST
TUN RST
DSP RESET
DSP RESET
KPY2
10
DAMP MOD DA
DAMP MOD DA
DSP MUTE
DSP MUTE
MIC DET2
MIC DET2
MPORT DET
MPORT DET
+
+
AC50
BD51
E54
F55
PD56
LDO57
TDOUT62
CLVOUT64
SDOUT63
GPIO531
GPIO329
GPIO430
SSDO28
SSCLK27
USBDP 98
USBDM 97
GPIO10 93
GPIO772
FODRV61
56
CN7002 P5001
OPEN SW
83
CN7002 P5001
CLOSE SW
SPM-
92
CN7002 P5001
SPM+
10 1
CN7002 P5001
TRV+
110
CN7002 P5001
TRV-
29
CN7002 P5001
LDM+
38
CN7002 P5001
LDM-
LDM+
LDM-
47
CN7002 P5001
SPINDLE MOTOR
M7302*
TRAVERSE MOTOR
M7301*
CD INTERFACE P.C.B.
+3.3V
Q5001
LASER DRIVE
23VINLD
5CH MOTOR DRIVER
C0GBY0000213
IC5001
VOLD+17
VOLD-18
VOSL+11
VOSL-12
VOFC+14
VOFC-13
VOTK-16
VOTK+
F+
F-
T-
T+
CD-LD
MD/LPD
15
VOTR+10
VOTR-9
26VINTK
7REV
6FWD
23
P5002
24
P5002
21
P5002
22
P5002
6
P5002
5
P5002
OPEN SW
3
CN7001
CLOSE SW
1
CN7001
1VINFC
16
P5002
15
P5002
20
P5002
19
P5002
10
P5002
14
P5002
4VINSL+
OPTICAL
PICKUP UNIT
CD
LOADING P.C.B.
CLOSE SW
77
P9002 CN9002
USB REC LED USB REC LED
55
P9002 CN9002
USB PLAY LED USB PLAY LED
OPEN SW
74
CN7002 P5001
RESET SW RESET SW
5
CN7001
LDM+
4
CN7001
LDM-
SPM-
SPM+
TRV+
TRV-
CD MECHANISM UNIT
CD TRACKING SIGNAL
RESET
S7201
USB SWITCH
C0JBAS000401
IC9001
/OE 8
1D+ 5
1D- 4
2D+ 7
2D- 6
S10
D+1
D-2
UART0 RXD
101
UART0 TXD
102
GPIO19
117
UART0 RTS
103
BLUETOOTH
CIRCUIT
NFC
CIRCUIT
BLUETOOTH
DEVICE
FREQUENCY
NFC
DEVICE
FREQUENCY
DRV AMP MUTE
DRV AMP MUTE
KPX1
11
AMP FHOP
AMP FHOP
75
SDA0
SCL0
76
+5.4V
QR9003
LED DRIVE
Q9003
SWITCH
USB B
D9001
+5.4V
QR9002
LED DRIVE
Q9004
SWITCH
USB A
D9000

Table of Contents

Related product manuals