EasyManua.ls Logo

Panasonic SA-PM21PC - Page 49

Panasonic SA-PM21PC
92 pages
Print Icon
To Next Page IconTo Next Page
To Next Page IconTo Next Page
To Previous Page IconTo Previous Page
To Previous Page IconTo Previous Page
Loading...
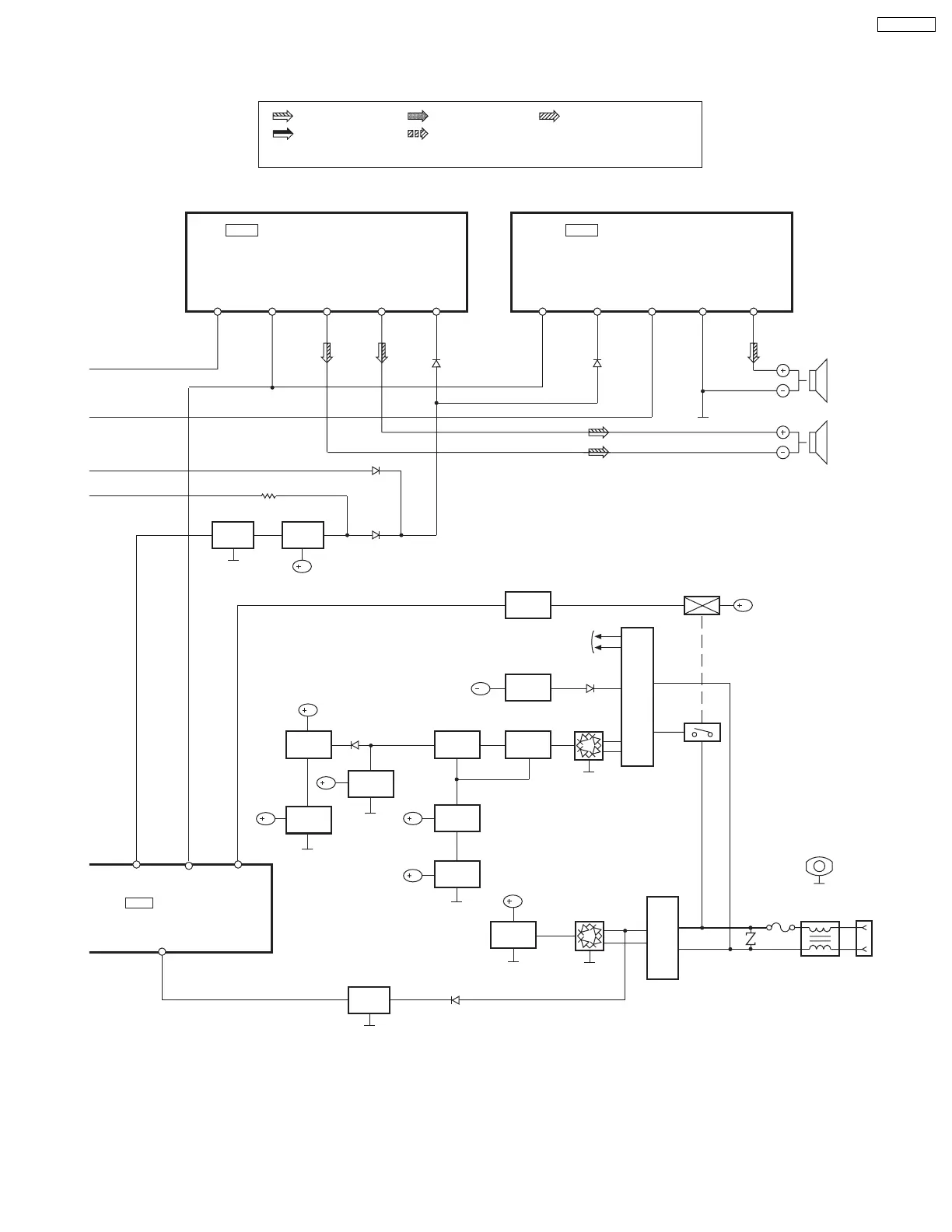
B
POWER HIC
MICROPROCESSOR
SIGNAL LINES
POWER AMP IC
IC500
AN17808B
IC803
MN101C49GHA
JK600
AC INLET
POWER
TRANSFORMER
SUB
TRANSFORMER
JK502
HIGH CHANNEL
SPEAKER L(R)
IC300
AN17831A
JK501
LOW CHANNEL
SPEAKER L(R)
E301
11
STBY
8
MUTE
5(2)
IN_L(IN_R)
HI_L(HI_R)
Q750,Q751
SWITCH
D580
D750
53
MUTE_A
Q803
MUTING
SWITCH
HALT
27
F1
L600
T601
T600
D603~D606
Q601
REGULATOR
SYS6V
Q600
PCONT
SWITCH
Q602
SWITCH
D608
D501,D502,
D504,D505
TO FL
DISPLAY
Q603
SWITCH
D609
Q503
STABALIZER
Q501
SWITCH
Q504
SWITCH
Q530
Q506
REGULATOR
Q505
D513
25
PCONT_1
Z600
Q500
CURRENT
LIMITTING
9
MUTE
12(2)
LOW L+(LOW R+)
5
STBY
8(6)
IN_L(IN_R)
49
D380
10(4)
LOW L-(LOW R-)
PCONT_2
D751
REGULATOR
REGULATOR
15(2)
OUT GND
9
B
B
B
B
B
B
B
B
: MAIN SIGNAL LINE
: FM/AM SIGNAL LINE
CD SIGNAL LINE
: TAPE RECORD SIGNAL LINE
: TAPE PLAYBACK SIGNAL LINE
( ) Indicates Pin No. of Right Channel
Note : Signal Lines are applicable to the Left Channel only.
RLY600
49
SA-PM21PC

Table of Contents

Related product manuals