EasyManua.ls Logo

Panasonic SA-PM21PC - Page 54

Panasonic SA-PM21PC
92 pages
Print Icon
To Next Page IconTo Next Page
To Next Page IconTo Next Page
To Previous Page IconTo Previous Page
To Previous Page IconTo Previous Page
Loading...
C880
50V2.2
C410
1000P
C411
0.22
R211
390K
C412
0.22
R212
3.9K
C213
50V0.22
C211
0.22
C212
0.22
C413
50V0.22
C802
16V47
C803
47P
C800
47P
C801
25V47
R411
390K
R412
3.9K
R750
4.7K
Q750
KRA101STA
SWITCH
D751
B0ACCK000005
R751
1K
C750
50V1
#D750
B0ACCK000005
R752
2.2K
R753
10
R755
4.7K
R756
4.7K
C751
63V47
C752
0.01
C420
50V1
R420
100K
C421
330P
R220
100K
C221
330P
C222
100P
C223
100P
R221
12K
R222
68K
C422
100
C423
100
R421
12K
R423
47
C753
0.01
C224
6.3V 47
C424
6V47
R424
1K
R422
68K
R224
1K
C220
50V1
R223
47
C225
0.01
C425
0.01
R425
39
R225
47
Q221
Q222
Q221,Q222,Q421,Q422
B1ABGC000005
AMPLIFIER
Q422
R226
3.9K
R426
3.9K
R227
3.9K
R427
3.9K
DS2
INF1
INF2
BNF2
BOUT2
BNF1
BOUT1
LEFT
RIGHT
VCC
S1
SC
C210
1000P
MUTE A
ASP_DATA
ASP_CLK
Q751
Q421
VIN1
VIN2
SEL2OUT
SEL1OUT
A1IN
A2IN
B1IN
B2IN
C1IN
C2IN
FILTER
GND
IC800
C1BB00000757
ASP IC
: MAIN SIGNAL LINE
: TAPE PLAYBACK SIGNAL LINE
: TAPE RECORD SIGNAL LINE
: CD SIGNAL LINE
: FM/AM SIGNAL LINE
: +B SIGNAL LINE
1234
6785
R800
4.7
IC700
C0ABBB000297
OP AMP
Q751
B1GBCFJJ0044
SWITCH
Q803
Q803
B1GBCFJJ0044
MUTING SWITCH
C296
50V0.22
Q490
Q290
Q280
Q480
C481
2200P
C482
1000P
C282
1000P
C281
2200P
R282
5.6K
R482
5.6K
C890
16V100
R801
180
C283
50V 0.1
R283
47K
R284
47K
R484
47K
R483
47K
C483
0.1
C496
50V0.22
R294
4.7K
R494
4.7K
C293
1500P
C493
1500P
C297
470P
C497
470P
C492
27000P
C292
27000P
R495
68K
R295
68K
R292
4.7K
R492
4.7K
R291
4.7K
R491
4.7K
R266
12K
R267
120K
R466
12K
R467
120K
Q280,Q480
B1ABCE000016
AMPLIFIER
Q290,Q490
B1ABCE000016
AMPLIFIER
R285
27K
R485
27K
C298
470P
C498
470P
C754
16V220
1
2
23
24
3
22
4
21
5
20
6
19
7
18
8
17
9
16
10
15
11
14
12
13
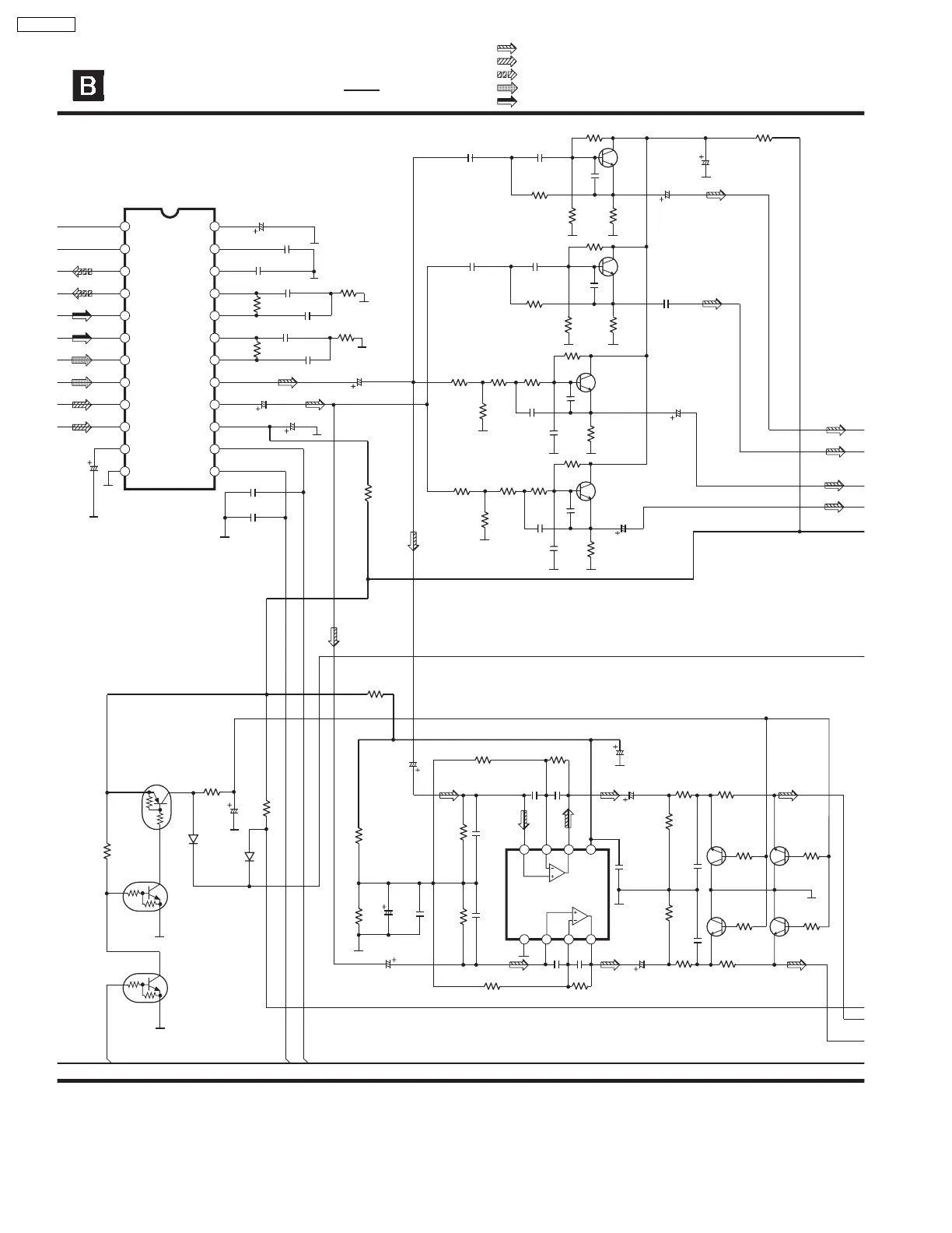
MAIN CIRCUIT
SCHEMATIC DIAGRAM-4
54
SA-PM21PC

Table of Contents

Related product manuals