EasyManua.ls Logo

Panasonic SA-VK61D - Page 47

Panasonic SA-VK61D
156 pages
Print Icon
To Next Page IconTo Next Page
To Next Page IconTo Next Page
To Previous Page IconTo Previous Page
To Previous Page IconTo Previous Page
Loading...
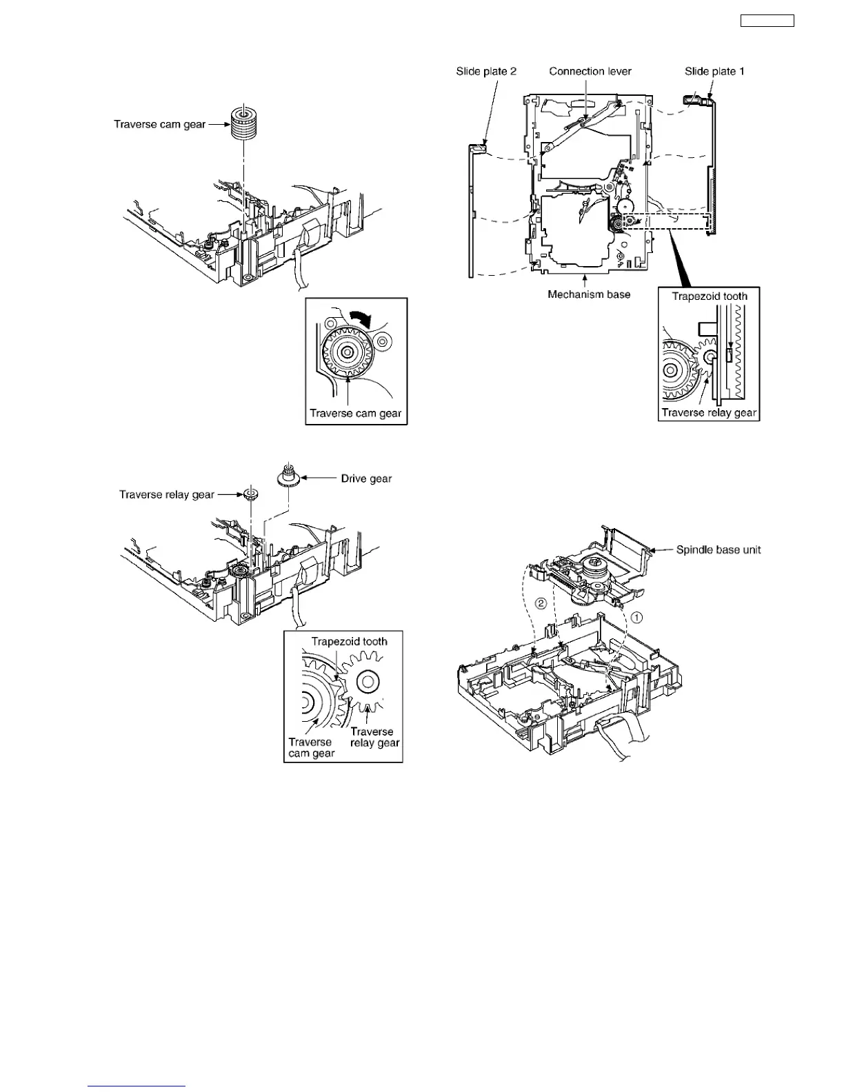
Step 1 Install the traverse cam gear.
Step 2 Rotate the traverse cam gear to the direction of arrow.
Step 3 Install the drive gear and traverse relay gear.
*When installing the traverse relay gear, align the trapezoid
tooth of gear with tooth of traverse cam gear.
Step 4 Install the slide plate 2 to the mechanism base, and
then match to the connection lever.
Step 5 Install the slide plate 1 to the mechanism base, and
then match to the connection leve and align the trapezoid tooth
of traverse relay gear with the slide plate 1.
Step 6 Install the spindle base unit. (First, slide plate 1.)
47
SA-VK61DGS

Table of Contents

Related product manuals