EasyManua.ls Logo

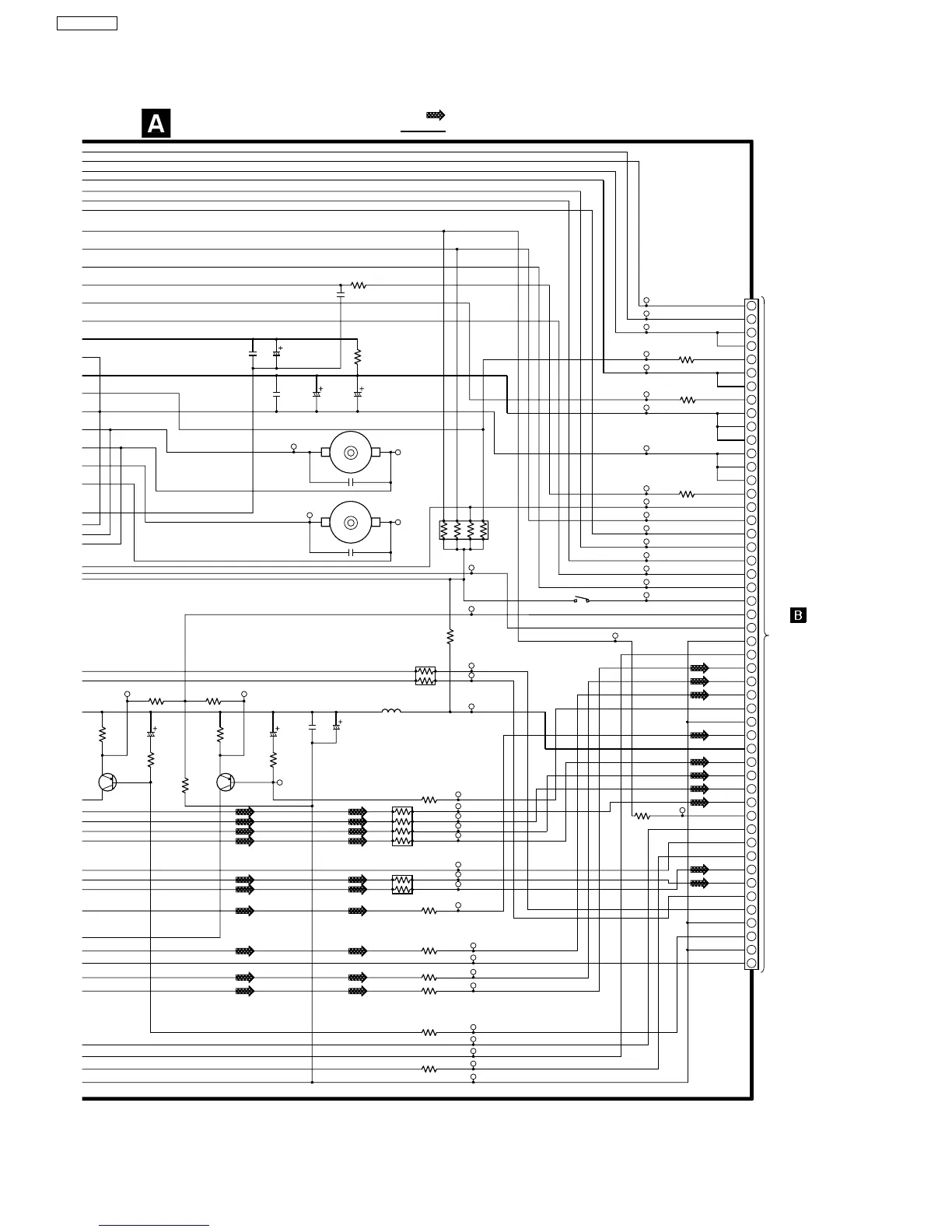
Panasonic SA-VK61D - (A) DVD Module (1) Circuit

Panasonic SA-VK61D
156 pages
Print Icon
To Next Page IconTo Next Page
To Next Page IconTo Next Page
To Previous Page IconTo Previous Page
To Previous Page IconTo Previous Page
Loading...
C 5 111
6.3V47
C5115
6.3V47
C5103
0.1
C5101
16V10P
C2512 0.1
C2511 0.1
C2505
0.1
C2509
16V10P
C2502
16V100
C2513
0.1
C2503
16V22
C2510
0.1
FP5102
L5101
ELJEA100KF
Q5111 Q5115
Q 5 111
B1BDF000004
LD SUPPLY SWITCH
Q5115
B1BDF000004
CD SUPPLY SWITCH
R5117
47K
R5113
47K
R5116
27
R5115
2.2
R5114
22K
R 5 111
2.2
R5112
27
R5107
0
R2501
100
R5108
0
R5109
0
R5120
0
R5103 56
R5101 56
R5121 56
R5122 56
R5123 56
R5102 56
R5152 1K
TC5130 TC5129
TC5127
TC2522
TC2525
TC2523
TC2524
TP5101
TP5102
TP5103
TP5104
TP5113
CP5102
TP5105
TP5106
TP5107
TP5108
CP5103
CP5101
TP5109
TP5110
TP5111
TP5112
TP5114
SW2501
CP5104
TP5115
CP5105
TP5119
TP5120
TP5130
TP5132
TP5126
TP5127
TP5128
TP5129
TP5131
TP5124
TP5121
TP5122
TP5133
TP5134
TP5135
TP5116
TP5118
TP5125
TP5136
TP5123
TP5137
TP5117
FG1
FG3
DGND
DGND
MUTE4
D+5V
D+5V
TRAYIN(D+5V)
M+9V
M+9V
M+9V
MGND
MGND
MGND
TRAYREF
MUTE12
MUTE3
DMV
FOIN
TRIN
SPDIN
TRVIN
INSW
LDCUR
VHALF
AGND
PIN(CD)
T2(CD)
FE2(CD)
T1(CD)
LPCO2
AGND
FE1(CD)
VCC+5V
TB(DVD)
TC(DVD)
TD(DVD)
TA(DVD)
TRAY/TRV
VREF2.2V
PIN(DVD)
GAINH/L
F2(DVD)
F1(DVD)
RFN
RFP
AGND
LPCO1
AGND
3.3VHFM
SPINDLE
MOTOR
TRAVERSE
MOTOR
M2501
M2502
TO
DVD MODULE 2
(FORE) CIRCUIT
(FP5201) ON
SCHEMATIC
DIAGRAM-3
DVD MODULE (1) CIRCUIT
SCHEMATIC DIAGRAM-2
: +B SIGNAL LINE
: CD-DA SIGNAL LINE
RA5102
(56 x 4)
RA5103
(56 x 2)
RA5101
(56 x 2)
RA2501
(47K x 4)
R2507
6.8
R5105
0
46
45
44
43
42
41
40
39
38
37
36
35
34
33
32
31
30
22
24
26
28
29
27
25
23
21
50
49
48
47
16
15
14
13
12
11
10
9
8
7
6
5
4
3
2
1
20
19
18
17
70
SA-VK61DGS

Table of Contents

Related product manuals