EasyManua.ls Logo

Panasonic SB-WA310 - Page 160

Panasonic SB-WA310
210 pages
Print Icon
To Next Page IconTo Next Page
To Next Page IconTo Next Page
To Previous Page IconTo Previous Page
To Previous Page IconTo Previous Page
Loading...
34
1234567891011 12
13
14
15
16
17
18
19
20
21
22
23
24
2526272829303132333536
37
38
39
40
41
42
43
44
45
46
47
48
VDD1
VSS1
CLK54
CLK27
VDD2
VSS2
XTI
XTO
CE
CLK33
FSEL
CLK16
VDD3
VSS3
768fs
384fs
VCC
AGND
VCC
AGND
VOUT8(NC)
AGND
VCC
AGND
VOUT7(NC)
VCOM
VOUT1
VOUT2
RSTB
SCLKI
SCLKO
BCKIN
LRCIN
TEST
VDD
DGND
DIN1
DIN2
DIN3
ZFLGA
ZFLG1
ZFLG2
ZFLG3
ZFLG4
ZFLG5
ZFLG6
NC
NC
VOUT6
VOUT5
VOUT4
VOUT3
ML
MC
MDI
MDO
ZERO8
DATA4
ZERO7
NC
VCC
AGND
VCC
AGND
CPU SBO1
CPU SBT1
AVDEC SRCK
AVDEC LRCK
AVDEC DMIXOUT
CPU SBI1
CPU STBDAC2
FEP/SODC/AVDEC/CPUNRST
AVDEC AOUT0
AVDEC AOUT1
AVDEC AOUT2
AVDEC CLK54M1
FEP/SODC/AVDEC/VD/CPU/CLK D+3.3V
CPUCLK33M
CPUCLKSEL
SODCCLK16M
AVDECEXTCLK1
C4209
0.1
C4208
0.1
C4222
6.3V330P
C4223
6.3V330P
C4211 10V10
C4220 10V10
C4219 10V10
C4216 6.3V100P
K4205
0
K4202
0
C4217
0.1
C4215
0.1
C4213
10V10
C4210
0.1
L4211
G1C220KA0038
LB4200
J0JBC0000015
L6561
G1C220KA0038
C6561
6.3V33
C6566
0.1
C6564
0.1
C6563
6.3V33
L6562
G1C220KA0038
LB6562
LB6561
J0JBC0000015
LB6563
LB6562, LB6563
J0JCC0000119
R6563
10K
R6566
10
R6565
47
LB6565
J0JCC0000077
LB6566
J0JCC0000119
LB6564
J0JCC0000119
LB6567
J0JBC0000015
C6568
0.1
FL4201
F1H0J1050018
TP6563
33.8MHz
TP6564
16.9MHz
TP6565
TP6562
54MHz
IC4211
C0FBBK000036
AUDIO DAC
IC6561
C1DB00000582
CLOCK GENERATOR IC
IC6561
K4204
0
K4203
0
TC4215
TP6561
27MHz
1
2
3
4
13
14
15
16
5
12
6
11
7
10
8
9
C6503
X6501
H0J368600003
12P
C6505
15P
AVDEC CLK27M1
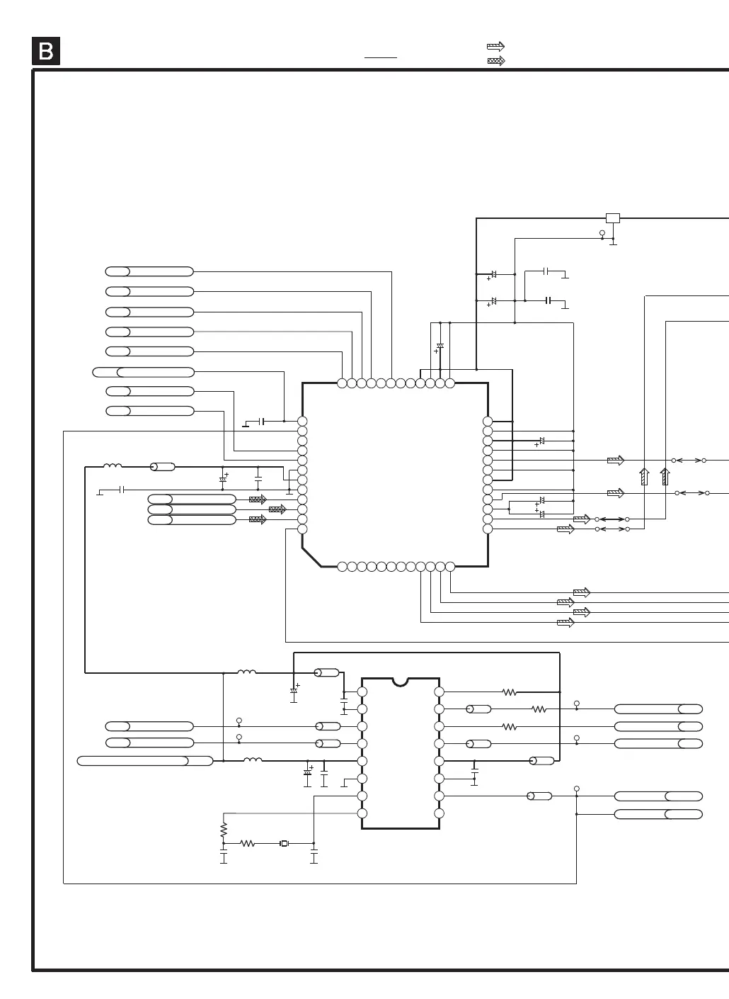
DVD MODULE(2) (AUDIO DAC) CIRCUIT
SCHEMATIC DIAGRAM-12
: +B SIGNAL LINE
: MAIN SIGNAL LINE
: DVD AUDIO SIGNAL LINE
AVDECEXTCLK2
R6505
0
R6503
330

Related product manuals