EasyManua.ls Logo

Panasonic SB-WA310 - Dsp Circuit

Panasonic SB-WA310
210 pages
Print Icon
To Next Page IconTo Next Page
To Next Page IconTo Next Page
To Previous Page IconTo Previous Page
To Previous Page IconTo Previous Page
Loading...
6V100
12P
5P
0.01
1u
10V220
1u
1u
2200P
2200P
2200P
1u
0.01
0.01
50V1
50V1
8.2K
5.6K
5.6K
1.2K
1.2K
1K
1K
1K
1K
220
470p
47
50V4.7
16V100
50V4.7
270
270
6V100
6V100
50V2.2
50V2.2
6V47
1u
50V1
1u
50V1
270
270
1u
330
50V0.47
50V0.47
50V0.47
50V0.47
1u
50V1
50V1
2200P
0.01
3.9K
3.9K
5.6K
0.022
5.6K
8.2K
330
4.7K
330
100K
L203
C236
C224
C223
C243
C222
C253
L206
L205
C213
C212
C240
C230
C226
C242
C239
C228
IC201
DSP
C241
C231
R221
R222
L201
L204
R249
R235
R233
R228
R227
R224
R225
X201
X201
R231
C252
R229
C220
C221
C219
R234
R232
C234
C232
C229
C227
L202
C233
C235
C225
C245
C237
R240
R238
C244
R246
C217
C218
C214
C215
C250
C248
C251
C238
C249
R251
R250
R248
C246
R205
R209
R244
R243
R245
R242
G0A200D00002
G0A200D00002
G0A200D00002
C2HBZC000013
J0JBC0000041
J0JBC0000041
RSXZ36M8M01T
J0JBC0000041
(REF_GND)
GNDX
AO4
AI4
NC
AOT3
VDA34
NC
VRI
NC
AO3
VRO2
GNDA3
AI3
VDA12
GNDA2
AOT2
AOT2
AOT1
AOT1
NC
VRO1
NC
AO2
AI2
NC
AOT4
NC
XO
GNDA1
AI1
NC
VDAR
VRAL
VDAL
VDX
GNDAR
VRAR
OUTR
XI
RIN1
RIN2
GNDAL
NC
OUTL
AO1
NC
I2CS
LIN4
NC
NC
NC
TST0
TST1
GND
LIN1
LIN2
RIN3
RIN4
LIN3
IFDO
/ERR
NC
/RST
DOUT
IFCK
ELRI/O
DIN2
DIN0
DIN1
GNDR
VDDR
NC
GNDA4
SYNC
IFDI
NC
NC
NC
EBCI/O
/CS
VDD
NC
6CHFR
6CHFL
MIX_TV_VCR_AUX_TUNER_R
MIX_TV_VCR_AUX_TUNER_L
DSPFL
DSPFR
DSP_A5V
DSP_DGND1
DSP_D5V
6CHFR
DPLC
DPLS
DSP_DA
DSP_IN_L
DSP_IN_R
6CHFL
DSP_CK
DSP_RST
DSP_CS
36.864MHZ
1
2
3
4
5
6
7
8
9
10
11
12
13
14
15
16
17
18
19
20
25
26
27
28
29
30
31
32
33
34
35
36
37
38
39
40
45
46
47
48
49
50
51
52
53
54
55
565758
59
60
6162
63
64
68
65
66
67
72
69
70
71
73
74
75
76
77
78
79
80
21
22
23
24
4142
43
44
1M
R230
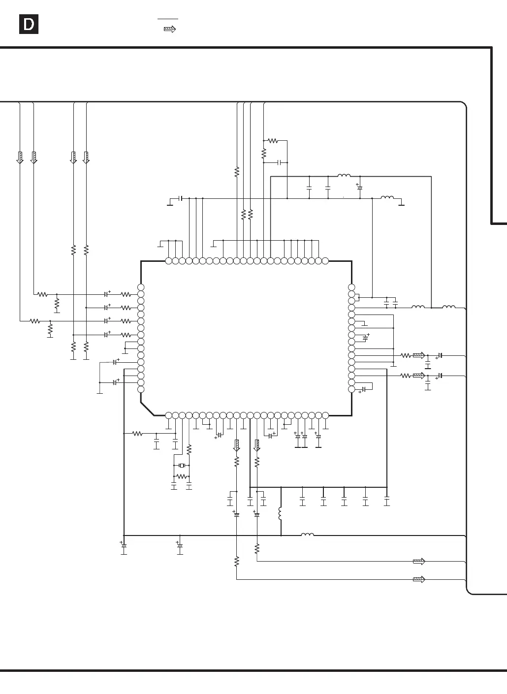
DSP CIRCUIT
SCHEMATIC DIAGRAM-29
: +B SIGNAL LINE
: MAIN SIGNAL LINE

Related product manuals