EasyManua.ls Logo

Panasonic SB-WA310 - DVD Module

Panasonic SB-WA310
210 pages
Print Icon
To Next Page IconTo Next Page
To Next Page IconTo Next Page
To Previous Page IconTo Previous Page
To Previous Page IconTo Previous Page
Loading...
IN
GND
ON/OFF
REFOUT
IC31125
IC31125
C0DAEZG00010
REGULATOR
REGULATOR
Q36003
Q36003
2SD0601A0L
IN
GND
ON/OFF
REFOUT
IC31151
IC31151
C0CBCHG00003
R31125
100
R31126
1200
R31127
1200
C31125
6V220
C31154
16V220
R34002
1K
C34012
0.01
C34013
25V4.7
D34001
MAZ4075NHF
L34402
VWJ0023=5
Q34003
Q34003
2SD0601A0L
C36071
0.01
C34011
0.1
C36072
6V47
D36071
MAZ40390HF
D36074
B0AKM000055
D201
B0JAME000025
C36008
6V47
C33001
0.01
D33001
MAZ4056NHF
Q33001
Q33001
B1AAGD000006
Q33011
Q33011
QR207
QR206
SD12730G
QR207
SWITCH
SWITCH
B1GBCFJN0004
QR206
B1GBCFJN0004
POWER SUPLLY
POWER SUPLLY
C33015
6V220
C34403
10V100
POWER SUPPLY
POWER SUPPLY
P30003
DSP CLK
CMD
PB/CB
PB/CB
GND(V)
STATUS
M +9VM +9V
M +9V
GND(M)
D +5VD +5V
D +5V
GND(D)
D+5V/+2.5VD+5V/+2.5V
D+5V/+2.5V
GND(D)
D+1.8V/+2.5V
GND(D)
A +5VA +5V
A +5V
GND(A)
YY
GND(V)
CC
GND(V)
PR/CRPR/CR
PY/YPY/Y
GND(D)
LB33001 J0JCC0000188
J0JCC0000188
J0JCC0000188
J0JCC0000188
J0JCC0000188
J0JCC0000188
ERJ3GEY0R00V
ERJ3GEY0R00V
ERJ3GEY0R00V
ERJ3GEY0R00V
ERJ3GEY0R00V
ERJ3GEY0R00V
ERJ3GEY0R00V
ERJ3GEY0R00V
ERJ3GEY0R00V
ERJ3GEY0R00V
ERJ3GEY0R00V
ERJ3GEY0R00V
LB33005
LB33006
LB33007
LB33008
LB33009
LB33010
LB3301
LB33012
K33503
0
P30004
P34301
TRAY/TAV
TRAY-SW+
TRAYMUT
TRAYDRV
TRAYREF
ADIGITAL
GND(D)
GND(ADAC)
MIXL
CNT
SW
SL
SR
FL
FR
FL
FR
SL
SR
SW
CNT
MIXL
GND(ADAC)
LB34002
LB34003
LB34004
LB34005
LB34006
B9
B7
B6
B5
3.3V
B8
B10
LB33013
MIXR
MOTE
-7.5V
+7.5V
FL
SL
SR
SW
CNT
MOTE
-7.5V
+7.5V
MIXR
+7.5V
ADAC5VADAC5V
ADAC5V
AMUT
ZFLAG
ZFLAG
AC3H/DACMUT
CNT
SW
SL
SR
FL
FR
AC3H
AC3H/DACMUT
FR
AC3H
R34001
2200
R36071
270
UNREG 6V
UNREG 4V
D34011
1SS254
C34010
6V220
C33014
6V220
B8
QR34301
QR34301
UNR521100L
MUTING
Q34302
Q34302
2SD1819A0L
RESET
C33017
0.01
CMD
STAT
DSPCLK
NFLOFF
4
5
1
2
3
4
5
1
2
3
R34362
TL34303
10K
19
18
17
16
15
14
13
12
26
25
24
23
22
21
20
11
10
2
4
6
8
9
7
5
3
1
19
18
17
16
15
14
13
12
22
21
20
11
10
2
4
6
8
9
7
5
3
1
11
10
2
4
6
8
9
7
5
3
1
L34001
100
LB34009
LB34008
LB34007
C34303
16V47
R34305
0
C34304
16V47
R34306
0
R33001
270
R267
22K
MIXLOUT A
MIXROUT
A
UNREG 6V S
UNREG 4V
UNREG 9V
K33001
0
K33003
0
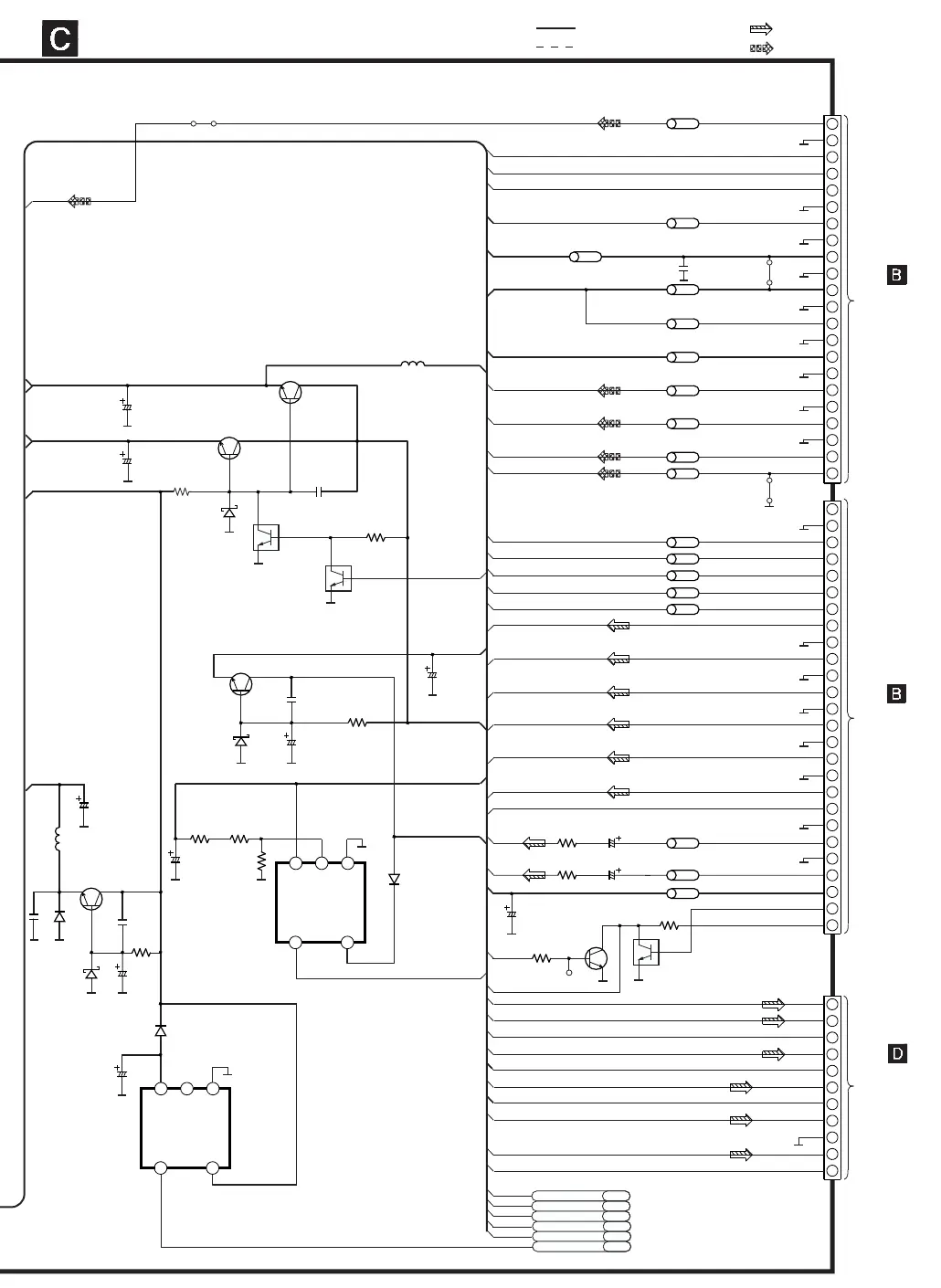
SCHEMATIC DIAGRAM-21
TO
DVD MODULE 2(AUDIO DAC)
CIRCUIT
(PS4201) ON
SCHEMATIC
DIAGRAM-13
TO
DSP CIRCUIT
(CN301) ON
SCHEMATIC
DIAGRAM-28
TO
TO
DVD MODULE 2
(VIDEO DAC)
CIRCUIT
(FP3201) ON
SCHEMATIC
DIAGRAM-14
: +B SIGNAL LINE
: -B SIGNAL LINE
: MAIN SIGNAL LINE
: DVD VIDEO SIGNAL LINE
S
S
S
P_ON_H
MAIN (DVD INTERFACE:IF) CIRCUIT

Related product manuals