EasyManua.ls Logo

Panasonic SB-WA310 - Signal Lines

Panasonic SB-WA310
210 pages
Print Icon
To Next Page IconTo Next Page
To Next Page IconTo Next Page
To Previous Page IconTo Previous Page
To Previous Page IconTo Previous Page
Loading...
B
B
B
Q34003
T1150
QR1230
Q1230
D1260,
D1261
L1260
L1240
D1240,
D1241
D1230
B
1
2
3
B
Q33001
QR207
IP1240
B
Q6305
B
Q33011
D33001
Q6306
QR206
1
3
1
D36074
D1270
Q1200
Q1151
Q1153
D1140
(TO P1101)
AC IN
Q1150,
Q1152
F1101
D1110
L1121,
L1120
B
Q34004
REGULATOR
REGULATOR
POWER
SUPPLY
POWER
SUPPLY
POWER
SUPPLY
SWITCH
SWITCH
REGULATOR
POWER
SUPPLY
CONTROL
B
D34001
Q1382
REGULATOR
PULSE
DRIVE
SWITCHING
SWITCHING
B
D1383
D36001
PHOTO COUPLER
B
POWER
SUPPLY
D1155
D1157
LR1150
IC
PROTECTOR
IC1200
C0DAEJC00003
ERROR
VOLTAGE
DET.
Q36003
POWER
SUPPLY
D36071
B
IC31125
CODAEZG00010
REGULATOR
2
IC6301
CODBCHD00002
REGULATOR
B
Q1352,
Q1354
5V
REGULATOR,
TUNER 5V
D1290
L1290
IC31151
C0CBCHG00003
REGULATOR
D1250,
D1251
L1250
Q1341
D1341
REGULATOR
D1280
TO FL
DISPLAY
E201
D6305
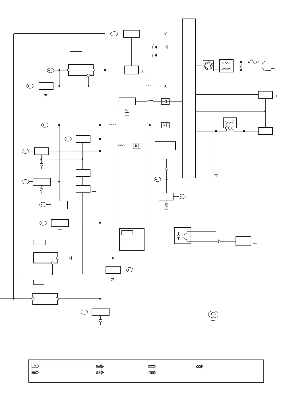
SIGNAL LINES
: MAIN SIGNAL LINE
: DVD AUDIO SIGNAL LINE
: DVD VIDEO SIGNAL LINE
( ) Indicates the Pin No. of Right Channel.
NOTE : Signal Lines are applicable to the Left Channel only.
: VCD VIDEO SIGNAL LINE
: FM /AM SIGNAL LINE
: AUX SIGNAL LINE
: CD-DA (AUDIO /VIDEO) SIGNAL LINE

Related product manuals