EasyManua.ls Logo

Panasonic SB-WA310 - Page 94

Panasonic SB-WA310
210 pages
Print Icon
To Next Page IconTo Next Page
To Next Page IconTo Next Page
To Previous Page IconTo Previous Page
To Previous Page IconTo Previous Page
Loading...
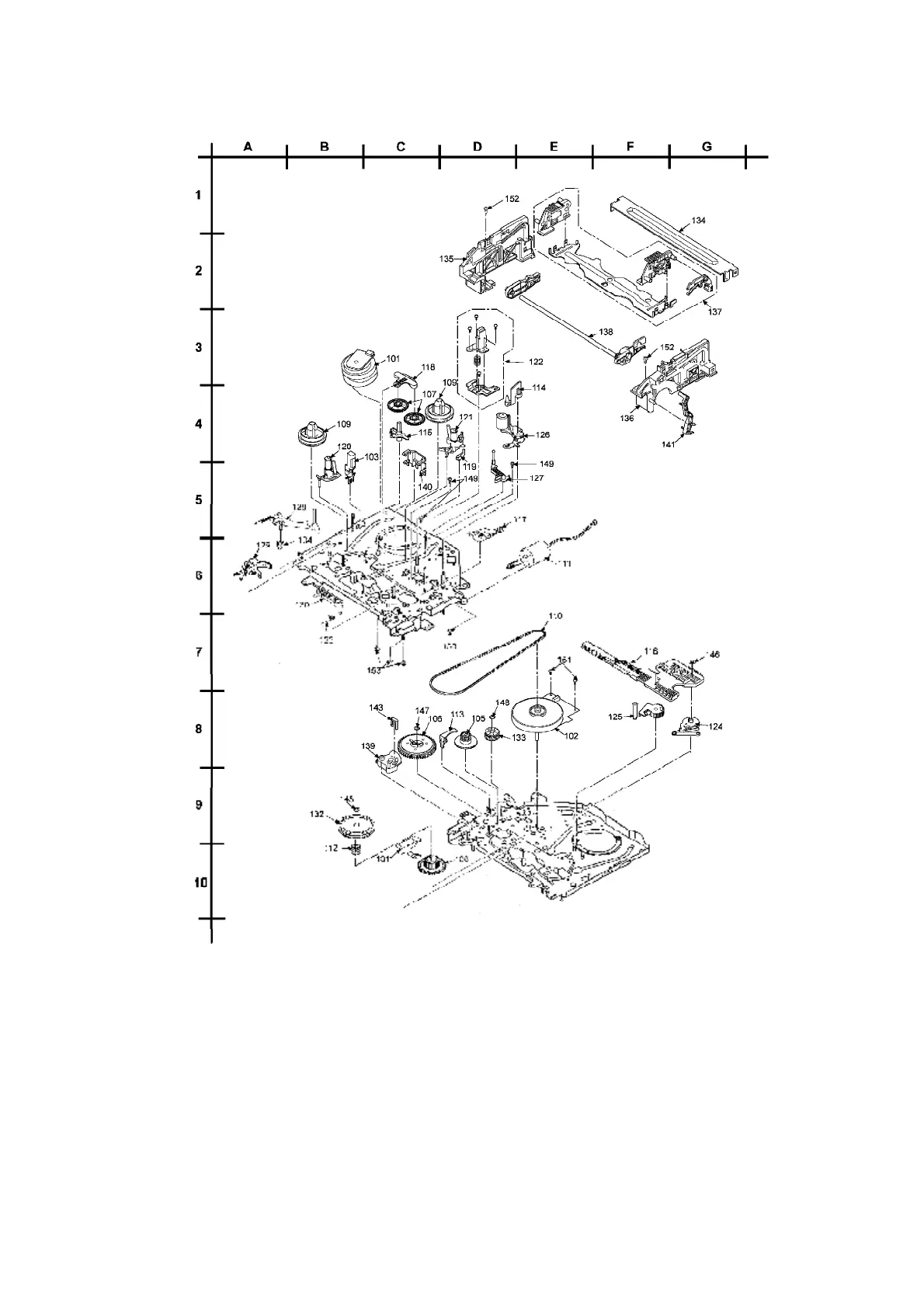
24.2.2. Cassette Mechanism Parts List
94

Related product manuals