EasyManua.ls Logo

Parker Lucifer EPP4 Series - Page 3

Parker Lucifer EPP4 Series
24 pages
Print Icon
To Next Page IconTo Next Page
To Next Page IconTo Next Page
To Previous Page IconTo Previous Page
To Previous Page IconTo Previous Page
Loading...
496783 EPP4 Pressure Regulator
Parker Lucifer SA
Ch. du Faubourg de Cruseilles 16
CH-1227 Carouge-Geneva, Switzerland
Tel. : +41 22 3077 111
Fax.: +41 22 3077 110
- 3 -
408193.doc – Rev.0 / 12.11.2009
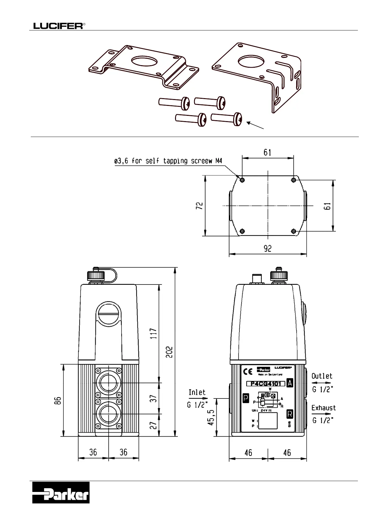
ACCESSORY
To order separately
Only for P4C.4…
491366
Flat mounting plate
4x M4 x 10
DIMENSIONS
ABMESSUNGEN
DIMENSIONS
DIMENSIONI
maku GmbH & Co. KG · 73630 Remshalden · Telefon (0 71 51) 90 39 50 · Telefax (0 71 51) 90 39 5 99 · www.maku-industrie.de

Related product manuals