EasyManua.ls Logo

Parker NitroFlow Lab - Options Menu

Parker NitroFlow Lab
36 pages
Print Icon
To Next Page IconTo Next Page
To Next Page IconTo Next Page
To Previous Page IconTo Previous Page
To Previous Page IconTo Previous Page
Loading...
K3.1.142k Manual NitroFlow Lab - 30 -
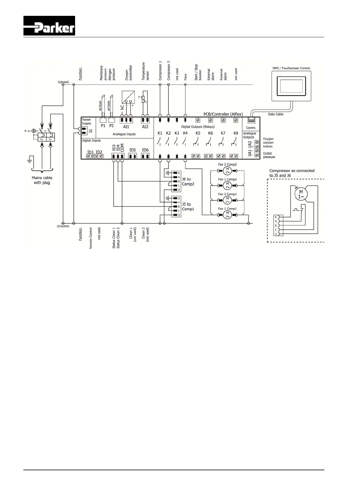
10 Electrical scheme

Other manuals for Parker NitroFlow Lab

Related product manuals