EasyManua.ls Logo

Peak 210C - Test with Load; Hydraulic System

Peak 210C
36 pages
Print Icon
To Next Page IconTo Next Page
To Next Page IconTo Next Page
To Previous Page IconTo Previous Page
To Previous Page IconTo Previous Page
Loading...
26
5. Test with load
After finishing the above adjustment, test the lift with load. Raise the lift in low
position for several times firstly, make sure the lift can be raised and lowered
synchronously, and the safety device can be locked and released synchronously. And
then raise the lift to the top position completely. If there is anything improper, repeat
the above adjustment.
NOTE: It may be vibrated when lifting at start, lifting it with load for several times,
the air would be bled and the vibration would be disappeared
automatically.
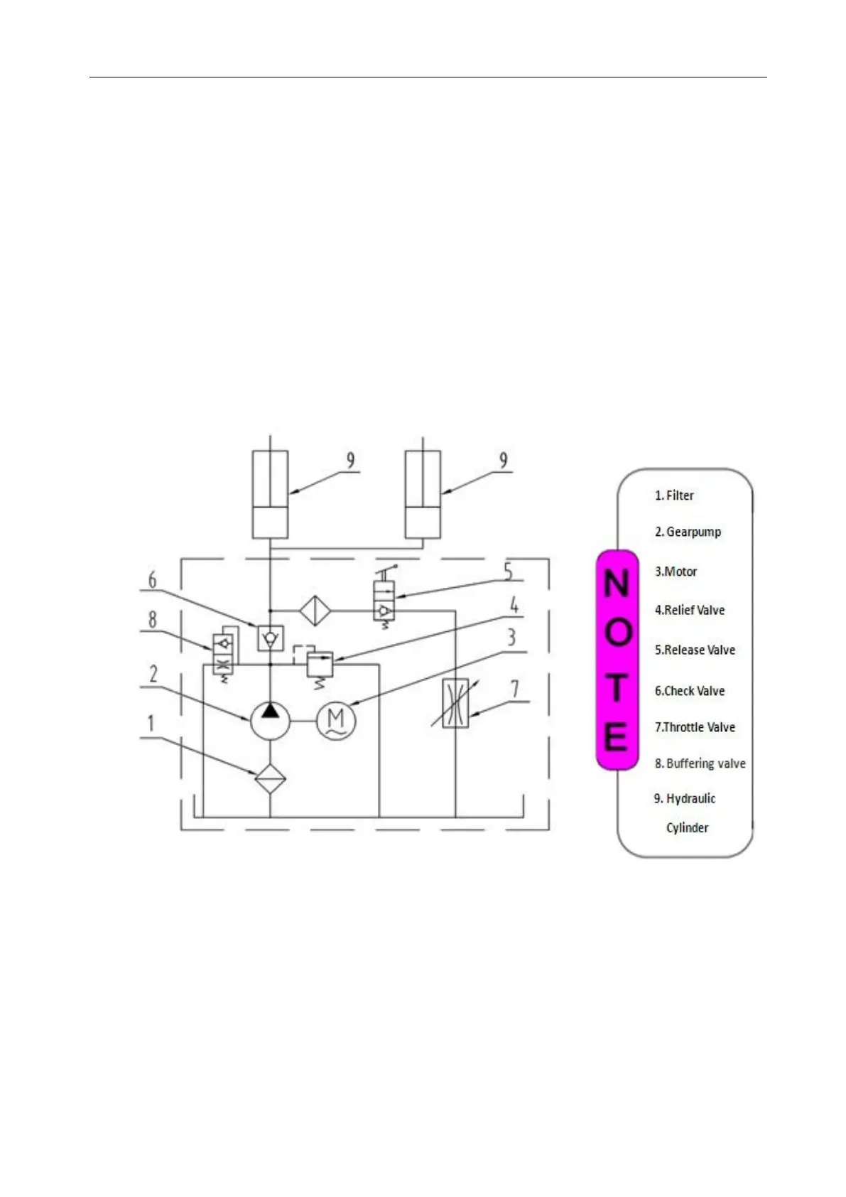
Fig. 45 Hydraulic System