EasyManua.ls Logo

Perkins 1104 - Engine Specifications and Identification

Perkins 1104
92 pages
Print Icon
To Next Page IconTo Next Page
To Next Page IconTo Next Page
To Previous Page IconTo Previous Page
To Previous Page IconTo Previous Page
Loading...
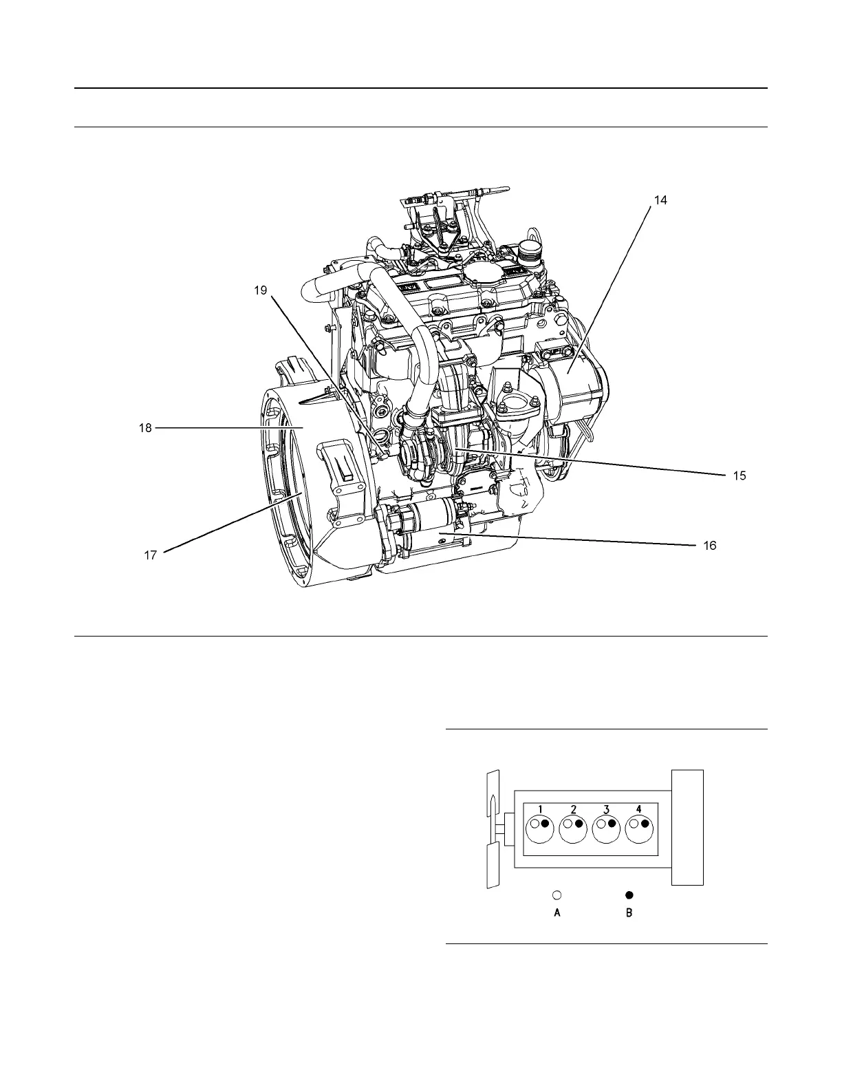
Illustration 15 g03705848
Typical example
(14) Alternator
(15) Turbocharger
(16) Starting motor
(17) Flywheel
(18) Flywheel housing
(19) Coolant drain plug
i05899588
Engine Description
Turbocharged aftercooled
Turbocharged
Naturally aspirated
Engine Specifications
Note: The front end of the engine is opposite the
flywheel end of the engine. The left and the right
sides of the engine are determined from the flywheel
end. The number 1 cylinder is the front cylinder.
Illustration 16 g00984281
A typical example of the layout of the valves
(A) Inlet valves
(B) Exhaust valves
16 SEBU7833
Model Views
Engine Description

Table of Contents

Other manuals for Perkins 1104

Related product manuals