EasyManua.ls Logo

Pfannenberg DTS 6301 - Electrical Circuit Diagram

Pfannenberg DTS 6301
134 pages
Print Icon
To Next Page IconTo Next Page
To Next Page IconTo Next Page
To Previous Page IconTo Previous Page
To Previous Page IconTo Previous Page
Loading...
ENG
Operating Manual | Attachment and Installation Cooling Units | Standard Controller (SC) 400 V, 2~ | 086100115 37/68
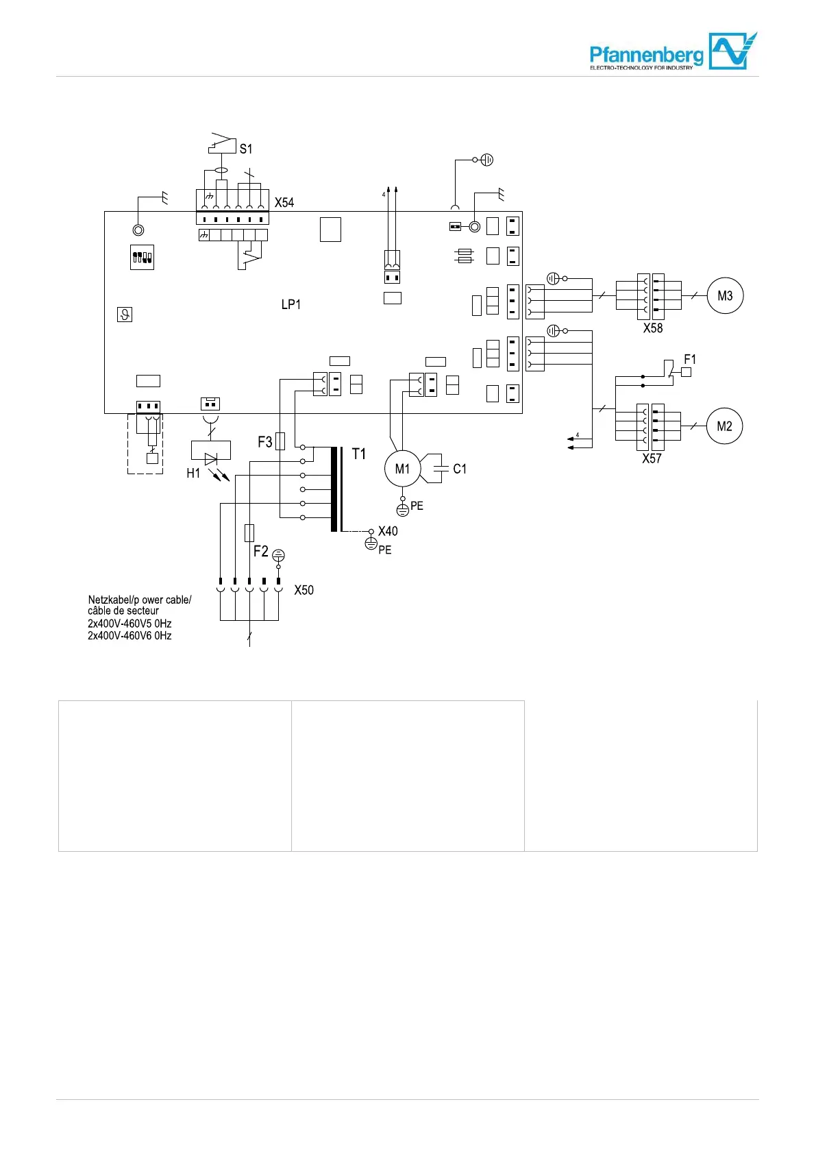
4.6.2 Electrical circuit diagram
Fig. 14: Circuit diagram
C1 St
arting capacitor
F1 Hi
gh pressure switch
F2-F5 Fuse
H1 Display unit (SC)
LP1 Controller
M1 Compressor
M2 Condenser fan (external)
M3 Evaporator fan (internal)
S1 Door contact
SK Fault signal contact (terminal 1,2)
T1 Transformer
TK Door contact/signal (terminal 4,5)
TS1 Temperature sensor (internal)
TS2 Temperature sensor (external)
X28 Service interface
X40 Ground terminal contact
X50 Terminal strip mains connection
X54 Terminal strip door contact + fault
indication
X57 Terminal strip fan (external)
X58 Terminal strip fan (internal)
086100115
X28
X13
2
0,14mm²
AWG26
2 1
X1
X1
2 1
L
N
230V
L
M1
N
X3
X3
12
2 1
X10
F 1
2 1
X10
X4 X4
2
2
L
M2
6
X40
X20
C11
X21
12
C12
F5
E 1
F4
X6
4
M3
L
1
23
N
NC
2
3
GNYE
13 2
PE
X5 X5
Srung /
failure/ d éfaut
3
2 1
X54
SK
2 1
4
3
5
ok
SKTK TK
6 5 4 3
SK
X8 X8
1 2 3
TS 2
32
TS2
4
4
3
2
1
2
3
GNYE
1
4
3
1
2
1
GNYE
2
X40
PE
4
1
2
3
4
1
2
4
3
5
4
3
GNYE
2
1
P>
(X10) B
5
(X10) A
A
B
(F1)
(F1)
5
DIP-Switch
1,2 - Störmeldung / failure indication /
contact secd e défaut
4,5 - Türkontakt/ door contact /
contact de porte
TS1
ON
1 2 3 4
13
11
V (A) U (P)
X15
X40
PE
Türo ffen/ door open /p orteo uvert
Türg eschlossen / doorc losed /p ortef ermé
X40
5
max. 2,5mm²
AWG 14
L2 L3L1
PE
PE
2 1
2 1
NC
N
1
3
13
1
3
L1
460V400V
T1/ 5
T1/ 1
T1/ 3
T1/ 2
T1/ 4
T1/ PE
T1/ 1

Table of Contents

Other manuals for Pfannenberg DTS 6301