EasyManua.ls Logo

Pfannenberg DTS 6301 - Electrical Circuit Diagram

Pfannenberg DTS 6301
134 pages
Print Icon
To Next Page IconTo Next Page
To Next Page IconTo Next Page
To Previous Page IconTo Previous Page
To Previous Page IconTo Previous Page
Loading...
ENG
Operating Manual | Attachment and Installation Cooling Units | Standard Controller (SC) 230 V | 086100113 37/66
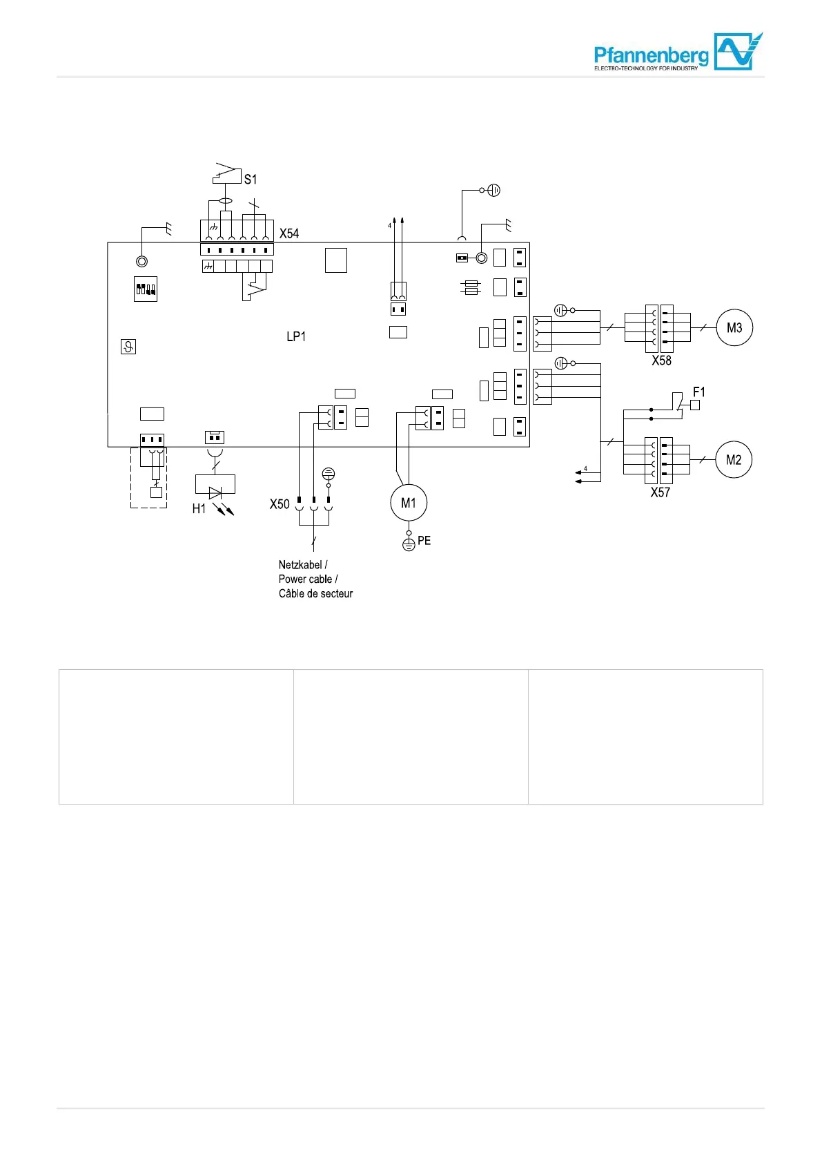
4.6.2 Electrical circuit diagram
Fig. 14: Circuit diagram
F1 High pressure switch
F4-F5 Fuse
H1 Display unit (SC)
LP1 Controller
M1 Compressor
M2 Condenser fan (external)
M3 Evaporator fan (internal)
S1 Door contact
SK Fault signal contact (terminal 1,2)
T1 Transformer
TK Door contact/signal (terminal 4,5)
TS1 Temperature sensor (internal)
TS2 Temperature sensor (external)
X28 Service interface
X40 Ground terminal contact
X50 Terminal strip mains connection
X54 Terminal strip door contact + fault
indication
X57 Terminal strip fan (external)
X58 Terminal strip fan (internal)
X40
PE
3
max. 2,5mm²
AWG1 4
PENL
X28
X13
2
0,14mm²
AWG26
2 1
X1
X1
2 1
N
L
230V
L
M1
N
X3
X3
12
2 1
X10
F 1
2 1
X10
X4X4
23
1
NC
N
3 2 1
L
M2
6
X40
X20
12
C11
X21
2 1
C12
F5
E 1
F4
X6
4
M3
L
3 2 1
N
NC
2
3
GNYE
3
12
PE
X5 X5
Störung/
failure/ défaut
3
2 1
X54
SK
2 1
4 3
5
ok
SKTK TK
6
5 4 3
SK
1
X8
32
TS2
32
TS2
X8
4
4
3
2
1
2
3
1
GNYE
4
3
2
1
1
GNYE
1
2
3
X40
PE
4
1
2
3
4
2
1
4
3
5
4
3
GNYE
2
1
P>
5
(X10)B
(X10) A
A
B
(F1)
(F1)
5
DIP-Switch
1,2 - Störmeldung / failure indication /
contacts ecd e défaut
4,5 - rkontakt / doorc ontact /
contactd e porte
Tür offen / dooro pen /p orteo uvert
Tür geschlossen / doorc losed/ p ortef ermé
TS1
ON
1 2 3 4
P
A
X15
X40
PE
BN BU
2 1
X40
086100113

Table of Contents

Other manuals for Pfannenberg DTS 6301