EasyManua.ls Logo

Phase Technologies Essential Series - Introduction

Default Icon
56 pages
Print Icon
To Next Page IconTo Next Page
To Next Page IconTo Next Page
To Previous Page IconTo Previous Page
To Previous Page IconTo Previous Page
Loading...
1 | P a g e
INTRODUCTION
Essential Series variable frequency drives (VFDs) are inverter based devices that provide
speed control for two- and three-wire, single-phase, AC motors. The drives offer advanced
motor control features through an intuitive, easy-to-use interface.
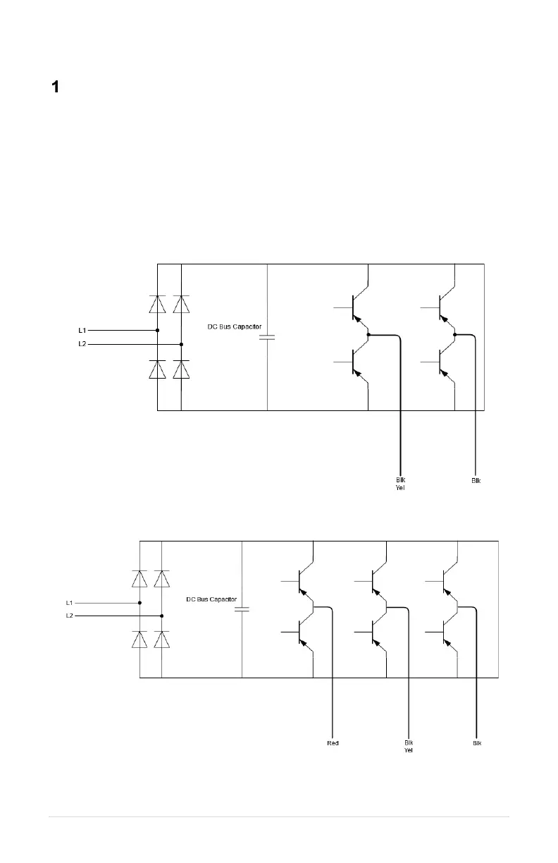
Essential Series Design
The diagrams in Figure 1 and Figure 2 illustrate the basic function of the Essential Series
drives for 2 & 3 wire single phase motors.
Figure 1 Essential Series 2-Wire Block Diagram
Figure 2 Essential Series 3-Wire Block Diagram

Related product manuals