EasyManua.ls Logo

Philips 32PFL5605D/78 - Ambilight: Everlight LED Common 2; Al1 B

Philips 32PFL5605D/78
85 pages
Print Icon
To Next Page IconTo Next Page
To Next Page IconTo Next Page
To Previous Page IconTo Previous Page
To Previous Page IconTo Previous Page
Loading...
EN 48LC9.3L LA 10.
Circuit Diagrams and PWB Layouts
2010-Mar-26
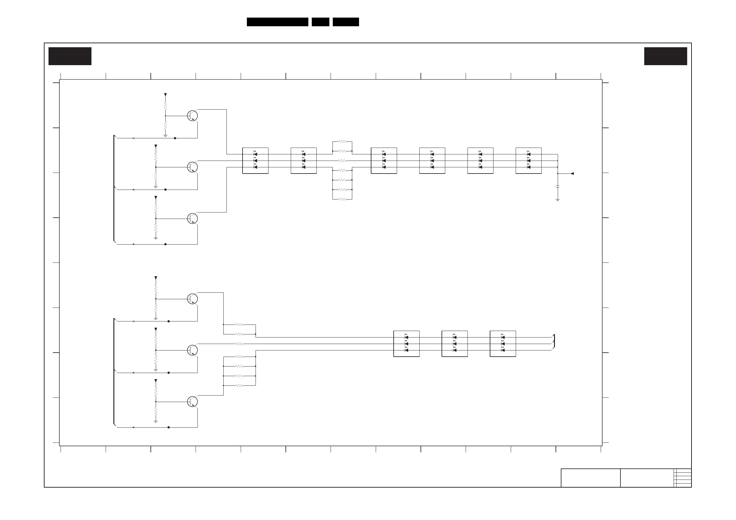
Ambilight: Everlight LED Common 2
18770_671_100212.eps
100212
Everlight 15 LED Common 2
AL1B AL1B
2009-11-27
2
2009-11-03
1
8204 000 9059
AL 2K10 Everlight
15 LED Common
BLUE
GREEN
RED
BLUE
GREEN
RED
BLUE
GREEN
RED
BLUE
GREEN
RED
BLUE
GREEN
RED
BLUE
GREEN
RED
BLUE
GREEN
RED
BLUE
GREEN
RED
BLUE
GREEN
RED
3B57-3 C3
FC03 H3
11 12
A
B
C
7104 B6
7105 B5
F
G
3B55-2 B3
3B55-3 A3
E
7200 F8
3B55-4 A3
7C20-2 F3
8
12
3B53-4 C7
3B55-1 C3
11 12
FC02 G3
3
3B57-2 D3
4
3C15-3 G4
3C15-4 G4
910
7102 B9
7103 B7
3C10 F4
7C20-1 E3
3B50 B7
D
910
7201 F9
7202 F10
7B51 C3
FB71 C3
FB72 D3
FC01 F3
3C11 F4
3C12 F4
C
D
E
H
2B50 C11
3C15-1 G4
3C15-2 G4
7100 B11
7101 B10
3C00-4 E3
7C22 G3
FB70 B3
3 4
3B51 B7
7
3B52 B7
3B53-1 B7
5
3C00-1 G3
3C00-2 F3
3C00-3 F3
7B50-1 A3
7B50-2 B3
A
B
3B53-2 C7
3B53-3 C7
1
F
G
H
3C06-1 G3
3C06-2 H3
56
678
5
3
4
+24V
2
45
BC847BS(COL)
7B50-2
7
10K
3B55-4
3B57-2
10K
2
21
43
99-235/RSBB7C-A24/2D
7105
65
BC847BS(COL)
2
6
1
65
21
43
7B50-1
99-235/RSBB7C-A24/2D
7100
6
5
2
1
4
3
1
43
7101
99-235/RSBB7C-A24/2D
99-235/RSBB7C-A24/2D
65
2
10K
3C06-1
1 8
7200
1
43
+24V
99-235/RSBB7C-A24/2D
7201
6
5
2
10K
3B55-3
3 6
100n
2B50
4
FC01
7C20-2
BC847BS(COL)
5
3
270R
3C10
12
270R
12
10K
3B55-1
1 8
3C11
3B52
68R
21
43
7104
99-235/RSBB7C-A24/2D
65
3
2
FB71
7B51
BC847BW
1
3B51
270R
270R
3B50
1K5
3B53-4
45
1K5
3B53-3
3 6
3B53-2
27
1 8
1K5
1K5
3B53-1
27
FC02
3 6
10K
3C06-2
27
3C00-3
10K
8
3C00-2
10K
5
3C00-1
10K
1
3C00-4
10K
4
+24V
3 6
45
3C15-3
1K5
3C15-4
1K5
2
3C12
68R
BC847BW
7C22
1
3
3 6
+24V
+24V
3B57-3
10K
FB72
FB70
FC03
10K
3B55-2
27
6
5
2
1
4
3
3
7103
99-235/RSBB7C-A24/2D
99-235/RSBB7C-A24/2D
7202
6
5
2
1
4
1 8
27
3C15-1
1K5
3C15-2
1K5
2
6
1
+24V
+24V
BC847BS(COL)
7C20-1
6
5
2
1
43
PWM-R2
PWM-G2
99-235/RSBB7C-A24/2D
7102
PWM-B2
PWM-R3
PWM-G3
PWM-B3
Blue
Green
Red