EasyManua.ls Logo

Philips 32PFL5605D/78 - SSB: Connectors

Philips 32PFL5605D/78
85 pages
Print Icon
To Next Page IconTo Next Page
To Next Page IconTo Next Page
To Previous Page IconTo Previous Page
To Previous Page IconTo Previous Page
Loading...
EN 74LC9.3L LA 10.
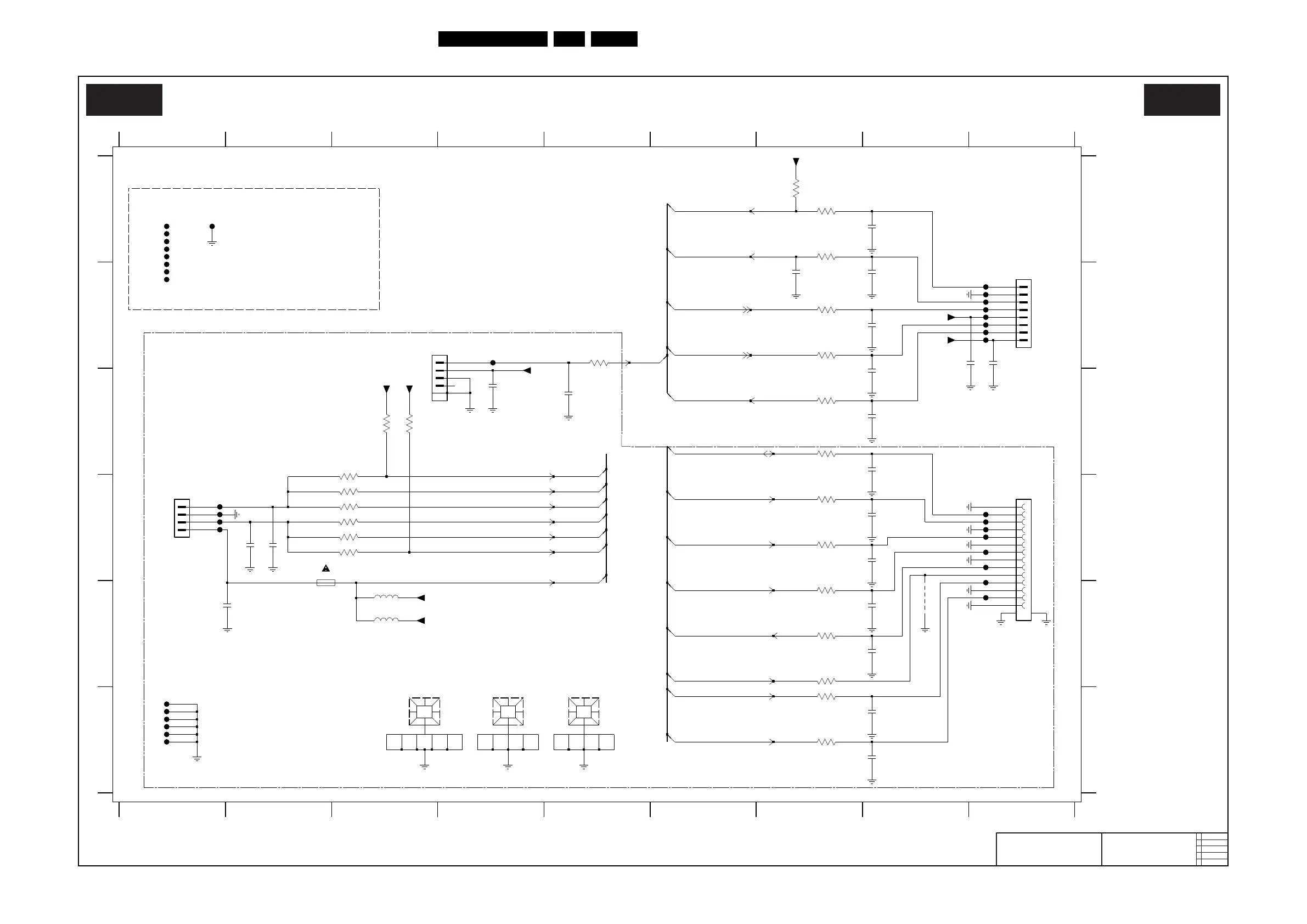
Circuit Diagrams and PWB Layouts
2010-Mar-26
SSB: Connectors
18970_519_100322.eps
100322
Connectors
B14F B14F
2009-11-16
1
3139 123 6481
LC10 PCB SB SSB DIGITAL
* FOR TV550 ONLY
SENSOR
5678 9
A
B
C
1F53 D9
**
12
1K85 D2
3 4
1M20 B9
1M71 D1
1P12 B4
1X03 F3
1X05 F4
1X08 F5
2K76 A8
2K77 B8
D
E
F
A
B
C
D
E
F
2K87 D8
2K88 D8
2D DIMMING
2K89 E8
3 45678 9
12
3K76 A7
3K77 B7
OVAL SCREW HOLE
2K78 B8
2K79 B8
2K80 C8
2K81 B9
2K82 C8
2K83 D2
2K84 D2
2K85 E1
2K86 C8
3K86 D7
3K87 F7
Dummy testlands for common jig
*
3K88-1 F7
3K88-2 E7
3K88-4 E7
3K89 B5
3K90 C3
3K91 D2
3K92 D2
3K93 C3
5K53 E3
5K54 E3
9K50 E8
2K90 E8
2K91 F8
2K92 F8
2K93 C4
2K94 C5
2K95 B7
3K71 E7
3K74 A7
3K75 A7
FK5A F1
FK5B F1
*
**
*
LED PANEL
FK88 B9
FK89 B9
FK90 B9
FK91 B9
FK92 B9
FK93 B9
FK94 B9
FK96 D1
FK97 D1
FK98 D1
FK99 D1
FKZA A1
3K78 B7
3K79 C7
3K80 D2
3K81 D2
3K82 D2
3K83 D2
3K84 C7
3K85 D7
*
*
HOTEL TV
TEMPERATURE
*
FKZC A1
FKZD A2
FKZE A1
FKZF A1
FKZG B1
FKZH B1
FKZJ B1
ROUND SCREW HOLE 4.5mm
FK50 B4
FK51 B9
FK52 D9
FK53 D9
FK54 D9
FK55 D9
FK56 D9
FK57 D9
FK58 E9
LIGHT STRIP
ROUND SCREW HOLE 4mm
FK5C F1
FK5D F1
FK5E F1
FK5F F1
FK60 E9
FK96
FKZB A1
+3V3
FK93
FK94
FK91
RES
30R
5K54
100p
2K79
FKZB
FKZA
9K50
+3V3
10K
3K93
RES
100R
3K92
+3V3
RES
RES
3K90
10K
3K91 100R
RES
1 8
FKZC
3K88-4
100R
45
3K88-1
100R
FK88
1X05
EMC HOLE
FK57
+12V
+3V3
FK58
FK56
2K84
100p
FK5C
FK5A
FK5B
100p
2K91
2K92
1n0
2K83
100p
100R
3K87
1
2
3
4
5
6
502382-0470
1P12
100R
3K78
100R
3K77
100R
3K76
FK92
+5V
2K76
100p
2K82
100p 100p
2K80 2K78
100p
3K86
100R
100R
3K85
FK51
27
2K93
100n
100R
3K88-2
FK50
1X03
REF EMC HOLE
1
2
3
4
3K82 100R
2041145-4
1M71
RES
100R3K83
FK55
FK54
7
8
FK52
1
2
3
4
5
6
2041145-8
1M20
FKZG
FKZF
FKZD
FKZE
FK5E
FK5D
FK5F
FK97
100K
3K74
FK98
10R
3K79
FK53
FK99
2K90
100p 100p
2K89
100R
3K75
100n
2K81
2K88
100p 100p
2K77
3K80
RES
3K81
100R
10p
2K87
100R
8
9
15 16
10
11
12
13
14
2
3
4
5
6
7
1F53
502386-1470
1
5K53
30R
RES
2K86
10p
FKZJ
2K94
100p
100R
3K89
T63V1.0A
1K85
1X08
EMC HOLE
2K95
47n
RES
2K85
1u0
FK89
FK90
+3V3-STANDBY
FK60
3K71
FKZH
RES 100R
3K84
100R
+5V
FAN-CTRL2
BACKLIGHT-PWM-ANA-DISP
FAN-CTRL1
LIGHT-SENSOR
LED-2
LED-1
KEYBOARD
LED-1
BL-SPI-SDO
FAN-DRV
SDA-BL
TACH02
SCL-BL
TACH01
BACKLIGHT-PWM_BL-VS
BL-SPI-CSn
BL-SPI-SDI
BL-SPI-CLK
SCL-BL
SDA-BL
RC

Related product manuals