EasyManua.ls Logo

Philips EM5.1E - Page 35

Philips EM5.1E
134 pages
Print Icon
To Next Page IconTo Next Page
To Next Page IconTo Next Page
To Previous Page IconTo Previous Page
To Previous Page IconTo Previous Page
Loading...
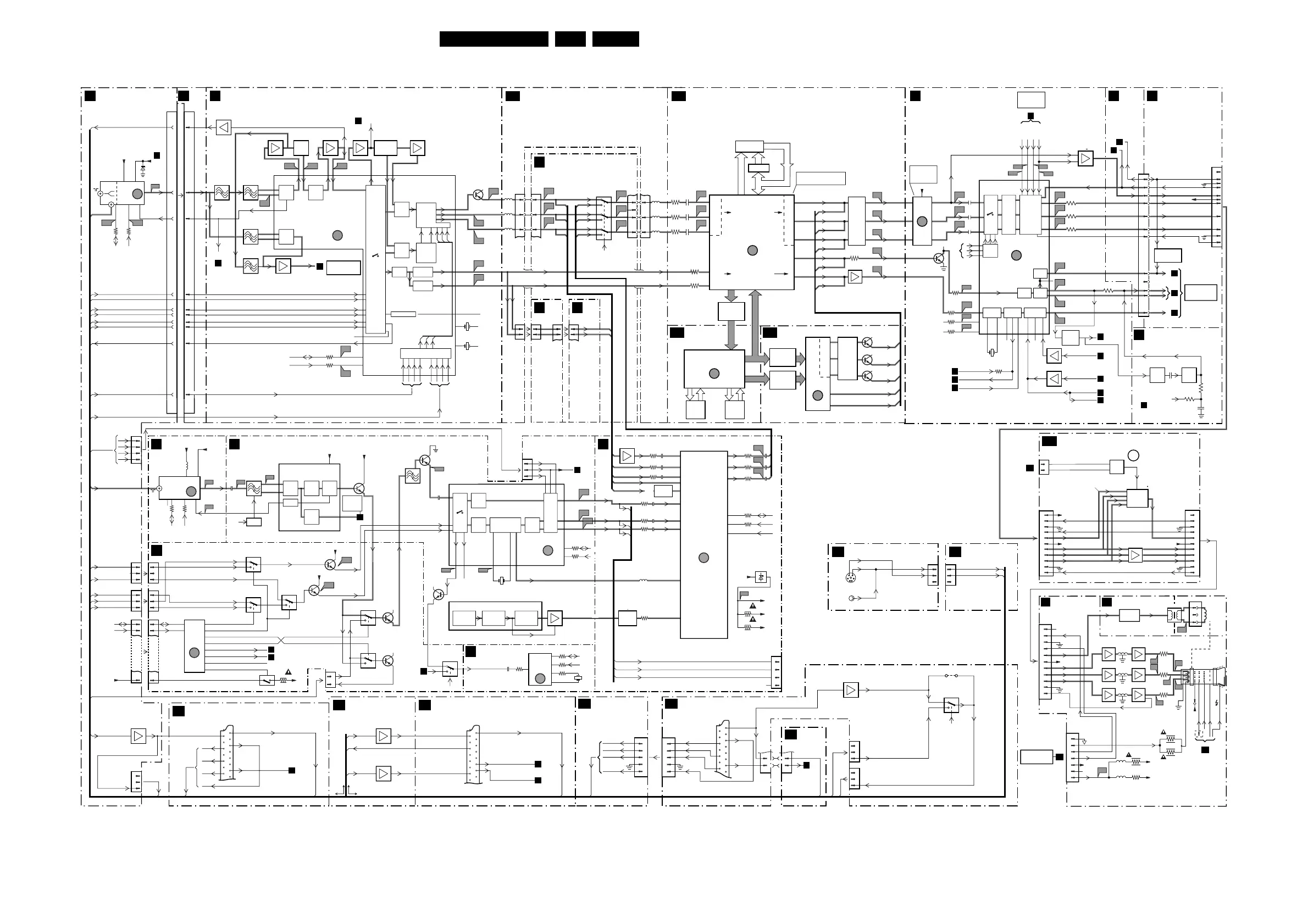
Wiring Diagram, Block Diagrams and Overviews
35EM5.1E 6.
Block Diagram Video
3342
3367
3341
3340
TUNER AGC
SIF2
SIF1
VIF1
VIF2
LINEDRIVE1
FRAMEDRIVE +
FRAMEDRIVE -
B-CRT
G-CRT
R-CRT
YLTP
B-CRT
CUTOFF
G-CRT
R-CRT
Y-SCAVEM
EHT-INFO
HFB-X-RAY-PROT
E/W DRIVE
OTC
OTC
VSYNC
2064
PWM-ANTIMOIRÉ
ANTI-MOIRÉ
7019
7020
7017
7018
HFB-X-RAY-PROT
HFB
DYN-FASE-COR.
6200
BZM55-C33
+8V
3321
SDA-F
3320
SCL-F
19
20
7302
TDA9178
+8VS
TOPIC
17
16
3036
3032
2063
ERR
8
ERR
13
TO
BLOCK DIAGRAM
DEFLECTION
PROTECTION
CIRCUIT
CONTROL
23
Y50
7404
U50
V50
64K
PROM
25
SIGNAL PROCESSING
SYNC PROCESSING
PICNIC
MUPPET
3x
ADC
26
28
FIELD
MEMORY
1
7718
SAA4992
7722
MS81V04160
7723
MS81VO4160
29
VA50
HA50
LATCH
7712
74HC573D
7714
MS81V04160
7713
SAA4978H
7711
M27C512
3x
DAC
3x
DAC
FIELD
MEMORY
2
FIELD
MEMORY
3
7719
MSM54-
V12222A
7717
MSM54-
V12222A
FIELD
MEMORY
5
7724
T8F24EF
FIELD
MEMORY
4
ONE
SHOT
11ms
FLIP
FLOP
HOP
EHT-INFO
POR
POR FLASH
TILT
VSYNC
0.7V OR
3V
HIP
I/O
EXP.
7500
TDA8444T
7500
7000 7042
SCAVEM
PROC.
CL 36532017_002.eps
230403
DY
HA50
VA50
6
3
4
Y50
U50
V50
DU
DV
7
8
12
11
10
5
5261
2351
RESETRESET
AERIAL
DH SYNCVA50
DV SYNCHA50
V50
U50
Y50
16
23
8
15
10
1
2
7305
7411
7412
7401-B
HEF4053BT
7331
7421
7368
5
3
7401-C
HEF4053BT
7403
M62320P
9
12
13
7401-A
HEF4053BT
11
14
4
SEL-MAIN-RIR2
SEL-MAIN-FRONT RR
SDA
SCL
SEL-TUNER1
(N.A.)
SEL-TUNER2
FBLK
RESET
SEL-YUV-RGB
SEMI-STD-BY
12
11
10
9
7
6
5
4
2
3
8-bit
I/O
EXPANDER
Y-CVBS-SC2-AV2-IN
CVBS-SC1-AV1-IN
C-SC2-SVHS-IN
C-FRONT-IN
Y-CVBS-FRONT-IN
12
13
7402-A
11
14
7434
7435
+3V3
+3V
+3VD
N.C.
N.C.
N.C.
SV
SY
SU
3
1
2
+5VS
7802
LM317T
32
+8VS
ERR
17
ERR
23
ERR
20
ERR
18
ERR
16
7422
2
1
7402-B
CVBS-PIP-TUN1-2-CVBS-IN
CVBS-TER-OUT
10
15
5
3
YCV1
7402-C
9
47
15
14
3
5
SDA-5
SCL-5
5126 (2x)4 (2x)
B1
B5
B5
B5
SIM
CONN.
(MALE)
TUNER,
SIMM-CONNECTOR
(FEMALE)
B4
HOP
B1
SIM
CONN.
A8
1200
3201
SDA-S
SCL-S
+5VT
VTUN
1410
1408
AGC
MONITOR
1406
1407
7322
EF
1409
16
CVBS-SC1-AV1-IN
Y-CVBS-SC2-AV2-IN
R/G/B/SC1-IN
R/G/B/SC3-IN
C-SC2-SVHS-IN
Y-CVBS-FRONT-IN
C-FRONT-IN
SDA-F
20
21
32
47
3377
SAW FILTER
AUDIO
SAW FILTER
VIDEO
SOUND
FILTER
CVBS-TXT
OTC
CVBS-TER-OUT
7323
TDA9320H
PLL
DEM
GROUP
DELAY
COR.
VIDEO
SWITCH
+
CONTROL
QSS
MIXER
AM
DEMO
PSS-AM
QSS-AM
SOUND-OUTPUT
7.3
2
10 12 13 14
Y
PROC.
Y/U/V
SWITCH
UU
Y
U
V
VY V
UY
R
SCART1
SCART2
V
Y
C
PROC.
SYNC
SEPAR.
CVBS PIP
60
61
VA50
HA50
51
50
49
2323
2431
2321
R
23
24
RGB
YUV
MATRIX
G
B
YUV
2120
R
G
B
28
27
26
30
31
32
54
32
1305
(N.C.)
1308
4.43MHz
3.57MHz
V-SYNC
PROC.
H-SYNC
PROC.
DECODER
PA L
NTSC
SECAM
Y/U/V
RGB
MATRIX
RGB
INSERTION
OUTPUT
AMPL.
CATHODE
CALIBR.
7301
TDA9330H
FROM
BLOCK
DIAGRAM
'CONROL'
C
COMB
FILTER
3
62
63
64
5
TUNER1
TEDE9
AGC
7411
RGB
MATRIX
40,4
5403
1411 7410
N.A.
7304
3363
3331
V19
F14
V9
V10
L6
V6
L8
L7
L8
I6
CVBS-AV3-IN
28
57
V20
V21
L12
40
43
35 36 37 38
R-TXT
G-TXT
B-TXT
FBL-TXT
41
42
44
3
4
2
1
8
I6
F20
V30
V29
V28
F18
L13
F19
V1
A8
SIM CONN.
B9
ANTI-MOIRÉ
7320
12
14
EF
26 29
16
28
7307
TDA9181
7412
EFEF
GB
36 37 38 39
RGB
41 42 43 40
B1
B5
B1
B5
9
15
11
SCL-F
46
3376
3200
4
1205
1
5
4
6
7
8
9
10
11
12
IF
A68
V23
F17
V22
15
13
V2
A69 A70
1301
3324
12MHz
15
CVBS-TER-OUT
10
6
7
9
10
6
7
9
SEE
BLOCK DIAGRAM
AUDIO
23
63
64
CVBS-SC2-MON-OUT
CVBS-SC1-AV1-IN
Y-CVBS-SC2-AV2-IN
C-SC2-SVHS-IN
Y-CVBS-FRONT-IN
C-FRONT-IN
CVBS-AV3-IN
CVBS-SC2-MON-OUT
34
1000 1923
32
41
33
25
24
23
21
6401
6402
31
29
26
28
26
1940
2
5
4
7
8
9
11
1
3
10
11
10
E/W
DRIVE
FRAME
RAMP
GEN
91413
29
5
PH1-1
22
7303
7361
7362
B5
B1
B1
B4
A4
B5
7310, 7311
V25
V27
V24 V26
7313 : 7315
A4
A3
6
IF, I/O
VIDEOPROC.
(HIP)
B2
PH1-2
STARISTOP
H-DRIVE
B5
B5
A2
1936
2
4
7
63
64
3
OTC
B5
13
3
11 11
1000
7402
20
16
8
21
19
15
11
7
9 (2x)
Y-CVBS-FRONT-IN
8 (2x)
C-FRONT-IN
1952
1
2
3
TER-CVBS-OUT
1272
1
2
3
CVBS-TER-OUT
VIDEO
PULSE
FORMER
530us
L1
L2
L3
L6
L4
12
14
15
19
18
Y-OUT
OUTPUTS 12, 14, 15, 18, 19
NOT USED IF "EAGLE"
IS PRESENT
U-OUT
V-OUT
VD
HD
OR
OR
OUTPUT
FILTER
OR
OR
OR
3721
HD100
VD100
OR
OR
OR
OR
54
OR
Y_EAGLE_E
U_EAGLE_E
V_EAGLE_E
Y100
U100
V100
6
8
9
VD_E
HD_E
Y_EAGLE_E
U_EAGLE_E
V_EAGLE_E
VD_E
B3A
PICNIC
FALCONIC
B3B B3C
EAGLE
7703
ERR
26
ERR
??
B6
EAGLE
FALCONIC
63
7728
7729
7730
OUTPUT
FILTER
73
3713
3714
3715
2740
2741
2742
HD_E
TOPIC
NOT PRESENT
IF "EAGLE"
IS PRESENT
R
SCART 3
CVBS-AV3-IN
STATUS-SC3
FBL
14021402
G
B
1
3
5
2
4
1
3
5
2
4
1680
1680
5
6
5
6
FBL
R
G
B
FBL
OTC
B5
I/O 3RD SCART (VIDEO PART)
H
B6
SIDE I/O
OB6
2
5
1
34
1936
C/16:9
CVBS
CVBS-AV3-IN
14 13
SVHS
Y
2
4
Y
C
7
3727
3728
B4
V8
V7
AUTOSCAVEM
SCAVEMCRT
F1 F2
5500
8
8
8
5
3
VG1
VG2
+8V
3
3
11
6
8
R
G
B
5501
5502
F5
F9
F15
F7
F4
F6
F8
1
1940
+8V_+12V
Y-SCAVEM
N.C.
n.c.
200V
HFB_X-RAY_PROT
HFB_X-RAY_PROT
3
5
7
9
2
4
6
8
EHT-INFO
SEE
BLOCK DIAGRAM
DEFLECTION
FILAMENT PULSES
FROM
1424
OF
(LINE
DEFL.)
VSYM
3301
5310
+200D
11
10
1
1424
3
5
6
7
2
4
7330
TDA61118JF
7340
TDA61118JF
7350
TDA61118JF
CRT
HOT
COLD
STATIC FOC (B)
DIN FOC (A)
EHT
DEFLECTION
FROM LOT
1434
7500
R-CRT
G-CRT
B-CRT
CUT_OFF
CUT_OFF
SCAVEM
OUTPUT
7503
7506
+200A
3341
5309
3404
3352
3351
3350
3403
SC1
1 SDA-S
6x
SCL-S
2
1
+11V
1940
Y
R
G
B
HFB_X_RAY_PROT
EHT-INFO
Y-SCAVEM
7003
7005
7007
R-CRT
G-CRT
B-CRT
2
3
4
5
6
7
8
9
10
11
1
1440
2
3
4
5
6
7
8
9
R-DL
+8V+12V
SVM
EHT_INFO
HFB_X_RAY_PROT
G-DL
B-DL
CUT-OFF
10
11
1955
TO 1955
LSP
3
4
+8V6
CUT_OFF
SCAVEM
COIL
SC3
0383
1
2
3
5300
A8
A3
A3
V18
V17
V16
C1
A8
DW PANEL
1681
3
1
1682 0205
0205 1682
5657
1
3
5658
5659
5660
5661
5662
4
6
8
9
1
3
4
1948 1937
5
6
3
1
0201
5
6
C3
F25
7
F26
F27
6
8
9
24
1352
7332
7301-A
TDA8885
BOCMA
PLL
VIDEO
DEM
PLL
AUDIO
DEM
AGC
SOUND
TRAPS
VIDEO
AMPL.
TO
BLOCK
DIAGRAM
AUDIO
LUM
DELAY
CHROMA
BAND-
PASS
SYNC
SEPARATOR
VCO
+
CONTROL
V CHIP
PROC.
BASE
BAND
DELAY
3827
3834
PAL/NTSC/SECAM
DEMODULATOR
7301-B
TDA8885
BOCMA
7801
SAB9083H
1334
F13
F10
F22
F24
F23
C2
TUNER
C4
IF-VIDEO-SYNC
C5
V CHIP
(FOR USA ONLY)
C1
DW
C3
I/O
54 26 51 52
RGB
Y/U/V
MATRIX
RGB2
INPUT
DOUBLE
WINDOW
SIGNAL
PROC.
7301-C
TDA8885
7385
7386
7501
Z86130
7828
7892 : 7894
87H
56
PULS
FORMER
57
BOCMA
HORIZONTAL
OUTPUT
7201
TELE9-088A
3267
SDA-4
SDL-4
+5VS
+33V
7.6
TUNER
2
DUAL WINDOW
- DUAL WINDOW -
AGC
9
15
C-PIP-IN
MAIN-CVBS-EXT-IN
2301
24
Y
U
V
Y
41 42 43
U
V
SY
SU
SV
SY
SU
SV
40
45
46
18
17
20
29
3268
42
+5VS
1327
SV-SYNC
12MHz
1501
32,7 KHz
49
72
81
79
83
94
V
70
100
2
98
12
10
8
DU
DV
DY
DU
DV
DY
3818
3816
3812
2846
2814
2832
3846
3811
3839
2829
2828
2831
3829
3828
1
2
3
3831
C3
11
10
1
5
4
1
2
7
IF-TER
F2
F1
F3
F5
+8VS
+8VS
+8VS
F9
F6 F7
3
0272
1
0207
2
1
B
YCV1
G
R
3
F11
3329
3330
PULS
FORMER
EF
7871
7874
7876
35032503
PIP-CVBS-OUT
3509
74
SDA
3852
73
SCL
3854
3863
75
POR
F21
3862
3462
SANDCASTLE
SDA
SCL
2
0273
3
4
5
PIP AUDIO
B6
C4
C1
C4
V19
V20
3510
SCL
SDA
3501
CVBS-SC1-AV1-IN
Y-CVBS-SC2-AV2-IN
C-FRONT-IN
Y-CVBS-FRONT-IN
C-SC2-SVHS-IN
4
6
13
9
8
7
1
0201
2
1
0200
3
5
1
0236
2
3
8
1937
1935
1953
1
2
8
1
3
5
1952
1
2
3
11
1933
1
2
3
FBL
B
G
R
4
1
2
3
+8V
RG/B/SC3-IN
Y-CVBS-SC2-AV2-IN
INPUT/OUTPUT (VIDEO PART)
A11A8
7 (2x)
P50
OTC
OTC
B5
SEL-SVHS-RR-STATUS 2
B5
Y-CVBS-SC2-AV2-IN
SC2-CVBS-MON OUT
C-SC2-SVHS-IN
SCART 2
7902
EF
10
SC2-C-OUT
7908
EF
9
7,10 9
20
16
8
10
21
19
15
7
CVBS-SC2-
MON-OUT
C-FRONT-IN
CVBS-SC1-AV1-IN
CVBS-SC1-AV1-IN
SC1-FBL-IN
SC1-STATUS
R
G
B
FBL
TER-CVBS-OUT
SCART 1
7901
EF
7508
7509
1
INPUT/OUTPUT (VIDEO PART)
A11
B5
11 (2x)
OTC
20
16
8
21
19
15
11
7
CVBS-TER-OUT
TER-CVBS-OUT
R/G/B/SC1-IN
14
2
1
7515
15
10
2
Y-PIP
U-PIP
V-PIP
7803
TDA8601
ERR
3
ERR
27
ERR
7
ERR
12
(option)
1,2,3,4
OISW
TER-CVBS-OUT
ONLY FOR 2TUNER PIP
9505

Related product manuals