EasyManua.ls Logo

Philips EM5.1E - Page 36

Philips EM5.1E
134 pages
Print Icon
To Next Page IconTo Next Page
To Next Page IconTo Next Page
To Previous Page IconTo Previous Page
To Previous Page IconTo Previous Page
Loading...
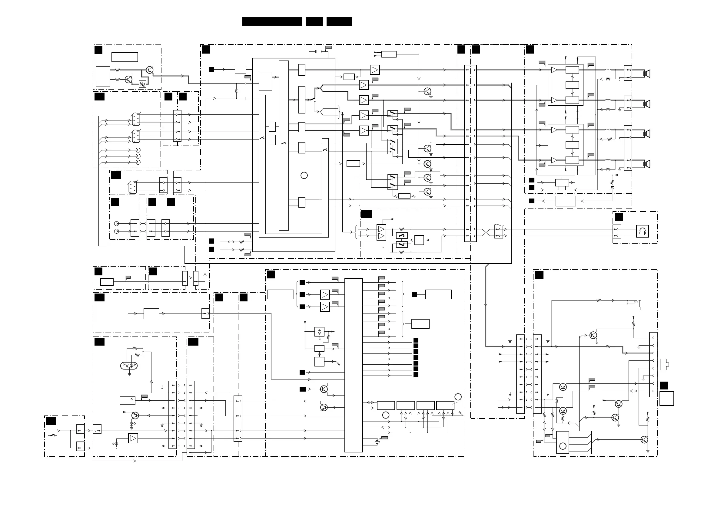
36EM5.1E 6.
Wiring Diagram, Block Diagrams and Overviews
Block Diagram Audio 1 (Exclusive Wireless Audio Details)
7651
MSP3452G
7674
7323
TDA9320H
2651
QSS_AM
L-SC1-AV1-IN
L-SC1-AV1-OUT
L-SC1_AV1-IN
R-SC1_AV1-IN
L-SC2_AV2-IN
R-SC2_AV2-IN
R-SC2-AV2-IN
L-SC2-AV2-IN
R-SC1-AV1-IN
2653
3651
SOUND
DEMO-
DULATOR
NICAM-
DECODER
ADC
DAC
DAC SC1 OUT
SC2 OUT
LOUDSPEAKER
ADC
DSP
DIGITAL
SOUND
PROC.
54
16
QSS_AM
50
47
1651
18M432
55
R
L
R
L
R
L
25
26
20
2
2
2
2
2
74
3
3
12
13
3
3
23
7666
AUDIO-SW
PWM
-16V-19V +16V+19V
-16V-19V
+5V_AUD
1000 1205
7656
7654
7663
7664
7652
11
11
9.10
9.10
7665
24
60
ANTI-PLOP
CIRCUIT
MUTE-SSB
22
DACM-SUB
DACM-S
DACM-C
HEADPHONE
CONN.
21
28
29
SELECT
AUDIO LR
SELECT_AUDIO_LR
EPG-
FLASH-RAM
SELECT
HIP
SEE ALSO
BLOCK DIAGRAM
VIDEO
SEE ALSO
BLOCK
DIAGRAM
WIRELESS
DOLBY
SEE ALSO
BLOCK DIAGRAM
VIDEO
SEE ALSO
BLOCK DIAGRAM
VIDEO
RESET
AUDIO
RESET AUDIO
DAC
R
L
17
18
B76
B66
A62
B65
B74
B75
B67
B55
H2
H1
MUTE
SW
MUTE-
SW
7015
7016
7070
6070
AUDIO DEMODULATOR
B6
OTC
HEADPHONE
AMPLIFIER
B5
SIM
CONN.
B1
B2
B5
B5
B5
AUDIO AMPLIFIER
A6
SIDE I/O
O
IF
B2
SIM
CONN.
B1
INPUTS/
OUTPUTS
A11
I/O 3rd SCART
H
SIM
CONN.
A8
44
45
PIP_AUD_IN
41
42
R-SC1-AV1-OUT
L-SC2-OUT
SCART 1
3380
5
10
SOUND-OUTPUT
3437
SCART 2
R-SC2-OUT
SNDR-SC3-IN
SNDL-SC3-IN
SNDR-SC3
SNDL-SC3
16801680
35
36
R-FRONT-IN
3655
3656
L-FRONT-IN
R-FRONT-IN
L-FRONT-IN
SDA-F
SCL-F
38
2
1
39
58
53
60
52
10001205
10001205
73
10 3
24
24 22
24 22
5,10
18
6
3
AUDIO-C
AUDIO-L
AUDIO-R
B73
B68
B69
B70
B71
B77
B61
B60
B78
75
76
72
AUDIO-SL
7677
B72
A63
AUDIO-SL
L_CL_VL-OUT
R_CL_VL-OUT
5
4
3
2
1
6
7
1
3
2
6
AUDIO-SL-OUT
AUDIO-L-OUT
AUDIO-R-OUT
SIM
CONN.
A8
B10
I/O 3rd SCART
(WIRELESS TRANSMITTER CONNECTION)
H
R
SIM
CONN.
B1
1
3
1
3
1936
11
10
1936
11
10
R
L
SIM
CONN.
A8
FRONT
A10
MAINS SWITCH PANEL
CONTROL
AUDIO
PIP AUDIO
E
TOP CONTROL
P
79
78
37
77
SIM
CONN.
B1
SIM
CONN.
A8
66
65
19361936
2
2
1
3
4
5
6
7
8
9
2
1
3
3
GREEN
IR-
RECEIVER
6051
TLUV5300
RED
1
3
4
5
6
7
8
9
3
1
1737
15W/8ohm
SUBWOOFER
8
6
8
6
R
L
R
L
1
3
2
6
1
3
2
6
+5V2
23
A61
3
1
1738
5721
5720
5702
5701
15W/8ohm
CENTRE
7678-A
12
13
14
14
7653
2
1
15
15
4
7653
5
3
61
7667
2
1
4
7652
5
3
OSC
STBY-MUTE
7702
TDA7490
PWM
PMW
-16V-19V
6
7
70
R-CL_VL-OUT
L-CL_VL-OUT
R-SC2-OUT
L-SC2-OUT
7680
1
8
7681
MC33178D
+8V_AUD
7
4
3
5
R
L
3506
3728
3729
3717
3718
3518
3527
1339
SURROUND
JACK
7505
IO_6
+5V_IO
3501
SEL_IN_2
59
55
HEADPHONE-R
68
HEADPHONE-L
67
R-SC1-AV-OUT
61
L-SC1-AV-OUT
56
6
69
4
2
77
7001
SAA5801H
5
OTC
CVBS-TXT R-TXT
1
10
L
R
H
109STATUS_SC3
114
97
7009
7010
FRONT-DETECT
113
A11
P50
ON-OFF-LED
10001205
107KEYBOARD
110LIGHT_SENSOR
100RC
+8V
N.C.
IR-LED
LIGHT SENDER
RC5
COLD
ON/OFF LED
N.C.
1946
2
27
2
5x
0241
3082
3084
ON/OFF LED
1050
7050
6052
SEND
LED
LIGHT
SENSOR
1
+3V3
B4
B4
B5
A3
A2
A6
B6
A1
B6
B6
B58
84
47
1
3017
VSYNC
7005
LD1117
7684
7685
ANTI
PLOP
+3V3
INTOTO
+5V2_CON
RESET
B56
74
RESET
B3
B57
83HFB
B62
78 G-TXT
SEE ALSO
IIC DIAGRAM
B63
79 B-TXT
B64
E1
80 FBL-TXT
B53
88 SDA-F
B54
87 SCL-F
B51
86 SDA-S
B52
H3
H4
85 SCL-S
104 STANDBY
95 SOUND-ENABLE
94 RESET AUDIO
115 DEGAUSSING
117
116
SEL_IN_2
91
SDA
92
5
6
SCL
16
17
1001
SEL_IN_1
7006
LH28F320BJE
7007
MSM51V18165F
7012
M29W400BT
B9
103
PWW_ANTIMOIRÉ
ADDRESS
DATA
CONTROL
3
A58
A60
A56
18
3
24
10
A57
3
4
1735
15W/8ohm
R
+5V2
1945
+5V STANDBY
+5V STANDBY
KEYBOARDKEYBOARD
MENU
CHANNEL+
CHANNEL-
VOLUME+
VOLUME-
0245
OR
OR
0345
2
0346
+8V6
RP
23
7701 : 7707
SOUND-ENABLE
POR PROT1
A59
2
1
15W/8ohm
L
OSC
STBY-MUTE
7700
TDA7490
PMW
SOUND
ENABLE
RESET
FLASH
RAM
7002 :
7004
7013, 7014
+5V_AUD
DRAM
(TXT)
PROGRAM
FLASH-RAM
SET SW
7011
MC24C32
EEPROM
NVM.
RP
CL 36532017_003.eps
230403
DAC
DAC
7675, 7668
ERR
1
ERR
9
ERR
32
7410
7411
1411
SIDE I/O
O
9
10
8
7
6
5
4
3
2
9
10
8
7
6
5
4
3
2
+11V5
AUDIO_SL_TM
19371937
+5V
+11V
+5V
SCL2
SDA2
1
14
6
9
10
IO_3
IO_3
+5V_IO
+5V_IO
+11V_IO
IO_6
IO_4
IO_4
IO_4
3521
3520
7502
3503
3515
PILOT_MUTE
I2C_MUTE
AUDIO_SL_S_TM
7501
PCF8574T
3506
7503
2x
3519
3510
7504
7506
SCL2_TM
TO
WIRELESS
TRANSMITTER
SDA2_TM
7507
I/O
EXP.
15
8
7
6
5
4
3
2
1
1
1690
7678-B
7679-A
7679-B
ERR
14
F4
IF-VIDEO-SYNC (DW)
C4
DW PANEL
C1
8 SIF1
BOCMA
PIP-AUDIO PIP-AUDIO
7301
TDA8885
10 10
0205 1682
SIDE I/O
O
7
1936
HEADPHONE
FRONT
DETECT
+16V+19V
+16V+19V
4
+16V+19V
3745
6745
A3
PROT-AUDIO-SUPPLYHFB-X-RAY-PROT
AUDIO
SUPPLY
PROT, CIRCUIT

Related product manuals