EasyManua.ls Logo

Philips FW C717 - FRONT CONTROL BOARD AND IR-EYE BOARD DETAILS; Circuit Diagrams

Philips FW C717
96 pages
Print Icon
To Next Page IconTo Next Page
To Next Page IconTo Next Page
To Previous Page IconTo Previous Page
To Previous Page IconTo Previous Page
Loading...
5-3
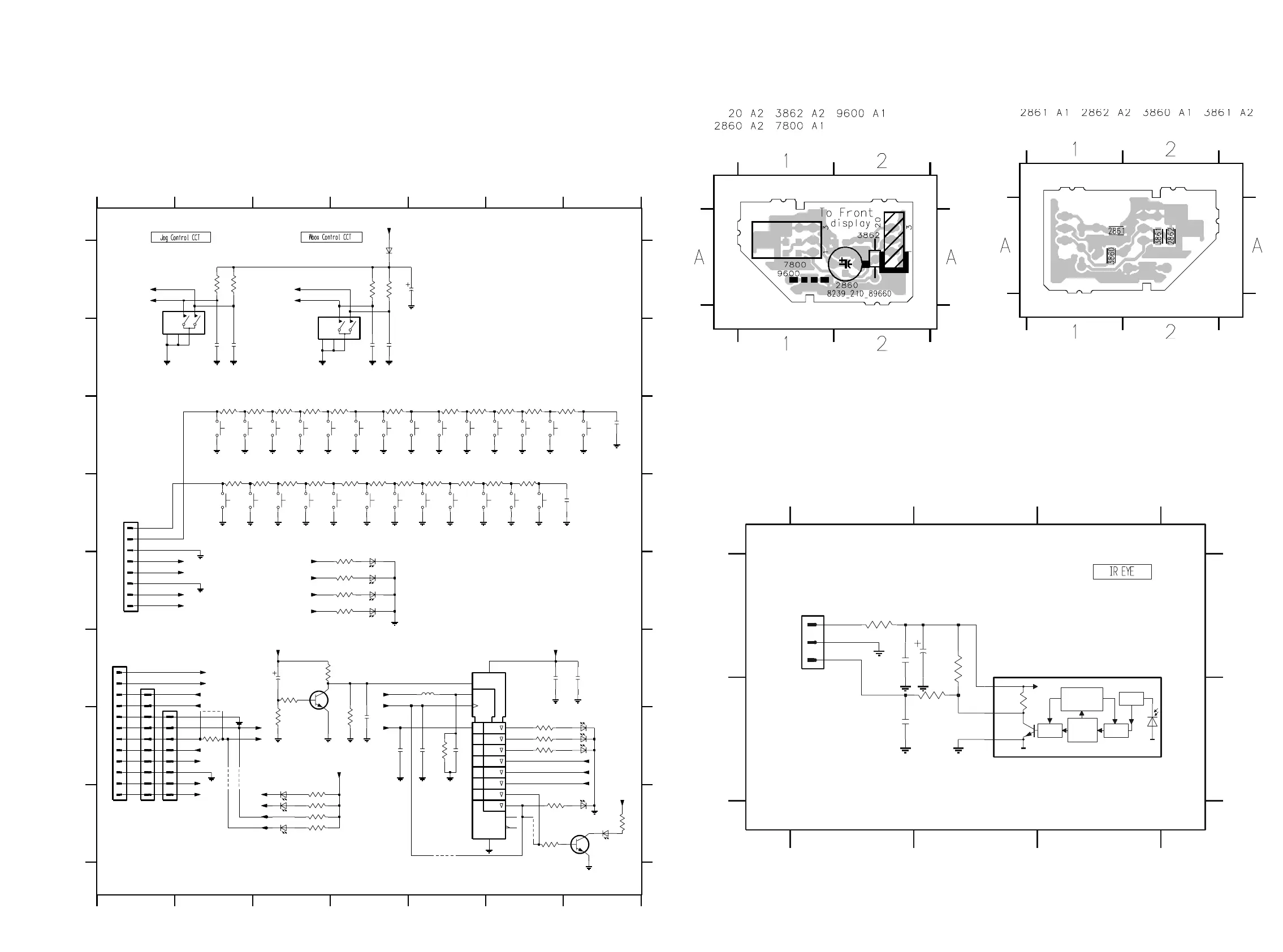
FRONT CONTROL BOARD - CIRCUIT DIAGRAM
5-3
IR-EYE BOARD - CIRCUIT DIAGRAM
IR-EYE BOARD - COMPONENT LAYOUT IR-EYE BOARD - CHIP LAYOUT
DEM
BAND
PASS
CTRL
CIRCUIT
AGC
INP
PIN
123
123
A
B
A
B
20 A1 2860 A2 2861 B1 2862 A1 3860 A1 3861 A2 3862 B2 7800 A2
2860
47u
Gnd
Gnd
7800
TSOP2236
GND3
OUT1
VS2
Gnd
Gnd
20
DIPMATE
1
2
3
47n2n2
2861
3860
100R
2862
3861
1K
3862
Gnd
10K
3139 118 54530...for 89660...3446 pt2 dd wk0116
Note : Some values may varies, see respective parts list for correct value.
STB
D1
EN1
SRG8
Gnd
Dubbing
Max/DPL
DISPLAY
NEXT
PROG
D
E
F
G
H
1600 F1
1601 H2
1602 D1
1603 H1
PLAY
Tape
WOOX_A
RDS
Dpl_surr_C
1234567
1234567
A
B
C
D
E
F
G
H
A
B
C
NEWS
REC
Dolby NR
TAPE
CD
Dpl_left
CLK
AUX
1650 D2
1651 C2
1652 C3
1653 C3
1654 C3
1655 C2
1656 D3
1657 D3
1658 D3
1659 D2
1660 D5
1661 D4
1662 C5
1663 C6
1664 C6
1665 C7
1666 C5
1667 C4
1668 C4
1669 C4
1670 C6
1671 D6
1672 D6
S_back
PREV
S_fwd
CD
TUNER
Aux
1673 D5
1674 D5
1675 D4
1690 B1
1691 A3
2600 G5
2603 G5
2604 B4
2605 B4
2606 B2
2607 B2
2608 C7
2613 D6
2615 A4
2620 F3
2622 F6
2623 F7
2624 G4
2625 G4
3600 G2
3604 A4
3605 A4
3606 A2
DSC
WOOX_B
Dpl_surr_R
Dpl_right
STOP
IS
VAC
3607 A2
3608 G5
3609 G4
3610 C2
3611 C3
3612 C3
3613 C3
3614 C4
3615 C4
3616 C5
3617 C5
3618 C6
3619 C6
3620 C7
3621 E4
3622 E4
3623 E4
3624 E4
3630 D2
3631 D3
3632 D3
3633 D3
3634 D4
Tuner
AUTO REV
DBB
3635 D4
3636 D4
3637 D5
3638 D5
3639 D6
3640 D6
3643 G6
3644 G6
3645 G6
3646 H7
3647 H6
3648 G3
3649 F3
3650 F3
3651 H3
3652 H3
3653 H3
3654 H3
3655 H6
4600 G2
4605 H5
4606 H6
5601 F5
6602 A4
6603 E4
6604 E4
Dpl_surr_L
Green-Led
Max_Led(Amber)
Green-Led
6605 E4
6606 E4
6610 H3
6611 H3
6613 H3
6620 G7
6621 G7
6622 G7
6623 H7
6624 H7
7601 F5
7602 H7
7650 F3
9610 G2
9618 G2
Gnd
1653
1K
3655
GND-B
1666
GND-B
2613
2605
10n
EC12
1
1691
4K7
Gnd Gnd
GND-B
1664
GND-B
Gnd
3618
GND-B
220R
3631
GND-B
2
3
MT1
4
MT2
5
GND-B
6605
4606
1656
GND-B
GND-B
6606
2604
1663
150R
3630
GND-B
GND-B
3610
3612
270R
3644
GND-B
1658
1670
180R
9610
560R
3634
4600
270R3653
1601
FE-ST-VK-N
1
2
3
4
5
6
7
8
3648
10K
2620
10u
GND-B
10K
3604
Gnd
Gnd
390R
3613
220p
2624
1667
3643 180R
120R
3621
3614
120R
3622
560R
220p
2603
6620
1K8
3617
Gnd
1657
2622
1651
100n
GND-B
4K7
3619
100p
220p
2625
Gnd
1N4148
6602
6603
2607
10n
120R
3624
1675
3635
1K2
3636
6623
820R
1671
1672
GND-B
1661
6621
1668
220R3652
1669
2608
100p
6622
Gnd
Gnd
6610
GND-B
1654
390R
3633
GND-B
9
10
1
16
8
10K
3620
74HC4094D
7601
3
2
15
4
5
6
7
14
13
12
11
10K
3606
10n
3605
10K
3647
180R
1655
3640
Gnd
2K7
6604
3654 120R
Gnd
1
2
3
4
5
6
7
8
6613
1602
FE-ST-VK-N
4605
1K2
3616
GND-B
Gnd
Gnd
GND-B
3623
120R
Gnd
10n
GND-B
3646180R
2606
150R
GND-B
220R3651
Gnd
1673
GND-B
1
10
11
12
2
3
4
5
6
7
8
9
7
8
9
FE-ST-VK-N
1600
1603
FE-ST-VK-N
1
10
2
3
4
5
6
GND-B GND-B
GND-B
4K7
3639
3615
820R
Gnd
2K7
3638
3
2
MT1
4
MT2
5
6624
Gnd
10K
3609
Gnd
2600
220p
9618
10K
3608
470R
# 3600
7650
1665
BC847B
1K8
1690
EC16
1
GND-B
Gnd
3637
1652
1659
3632
270R
4K7
3650
BC847B
7602
1662
2u2
5601
Gnd
1660
GND-B GND-B
1674
100n
2615
47u
10K
3607
180R3645
2623
1650
Gnd
220R
3611
10K
3649
6611
GND-B
+5V6
IS_ShData
Max_Woox_LedShClk
IS_ShData
JOG_A
VacJOG_B
DSC
DBB_Led
+5V6
IS_Led
DSC
Max_Woox_LedShClk
Vac
+5V6
DBB_ShStr
DSC
DBB_Led
TunerAux
CD
Tape
+5V6
Woox_A
Woox_B
DBB_ShStr
+5V6
Vac
Key2
Key1
Ta peCD
Aux
Tuner
JOG_B
+5V6
Woox_A
Woox_B
JOG_A
3139 118 54530...for 89600...3446 pt2 dd wk0116
# : Provision
Note : Some values may varies, see respective
parts list for correct value.
This assembly drawing shows a summary of all possible versions.
For components used in a specific version see schematic diagram and respective parts list.
3139 113 3446 pt2 dd wk0116
This assembly drawing shows a summary of all possible versions.
For components used in a specific version see schematic diagram and respective parts list.
3139 113 3446 pt2 dd wk0116

Table of Contents

Other manuals for Philips FW C717

Related product manuals