EasyManua.ls Logo

Philips FW C717 - ANALOG CIRCUIT

Philips FW C717
96 pages
Print Icon
To Next Page IconTo Next Page
To Next Page IconTo Next Page
To Previous Page IconTo Previous Page
To Previous Page IconTo Previous Page
Loading...
9-7
9-7
ANALOG CIRCUIT
2
1
3
4
3
4
6
5
0
1
11
1
1
1
CHANNEL
S2
S1
1
1
S3
0
0
S3
REC MUTE
# For Provision Only
#
#
#
1701 F9
1710 C1
1730 A1
2701 B2
2702 B2
2703 A2
2704 B2
2705 A2
2706 A2
PB/REC
Pb deck B
S1
S3
S0
0
S4
1
LEFT CHANNEL
11
1
0
1
123456789
12345
1
1
1
0
STOP
S1
0
--
1
1
0
1
*
*
1
--
1
S1
0
6789
A
B
C
1
1
RIGHT
A0
0
1
0
S2
S3
S0
S1
S0
1
1
S4
S2
1
MODE
D
E
F
A
B
C
D
E
F
S4
EQUALISATION
0
1
HS Chrome
A0 S0
1
0
1
S2
1
SELECTOR
--
--
HS Ferro
2707 A4
2708 B4
2709 A5
2710 B5
2711 A6
2712 B6
2713 A6
2714 B6
2715 A4
S2
REC-L
1
1
0
0
DECK B
1
1
1
DECK A
S0
1
S2
1
1
1
0
2716 C4
2717 C6
2718 D6
2719 C5
2720 D5
2721 C5
2722 D5
2723 C5
2724 D5
2725 D4
2726 D4
2727 A3
0
0
-CMOS
REC MUTE
1
A1A2
AMPLIFIER
1
REC
A2
NS Ferro
+12V
0
1
2728 E5
2729 A8
2730 B8
2733 A5
2734 C4
2735 B3
2737 A6
2738 B6
2741 D6
2742 C3
2743 F1
2744 A4
2745 F5
A0
Pb deck A
1
1
1
1
1
1
CONTROL LOGIC
0
1
0
0
2746 F8
2747 E8
2760 E3
2761 B5
2762 B6
2763 B6
2765 B4
2769 F7
2770 F8
2780 F3
2781 F2
2782 F2
2784 F1
2785 F1
2786 D1
2787 D3
3701 B1
3702 C2
3703 A2
0
HS Chrome
A1
S0
1
0
0
GND_A
TAPE-R
S4
S3
S0
1
1
0
S2
3704 B1
3705 A4
3706 B4
3707 A5
3708 B4
3709 A4
3710 C4
3711 A5
3712 B4
3713 A7
3714 B7
3715 A6
3716 B6
3717 C6
1
Pb Ferro
1
*
*
*
*
*
*
*
*
*
*
*
*
*
3718 E6
3719 C6
3720 E6
3721 C6
3722 D6
3723 A3
3724 D5
3725 C5
3726 D5
3727 A7
3728 B7
3729 A7
3730 B7
3731 A7
3732 B7
3733 A2
TO/FROM AF
ERASE
1
S3
1
S0
S3
1
1
1
0
S1
L
TAPE-L
S1
1
3734 B2
3735 A2
3736 B1
3741 A6
3742 C7
3743 F8
3744 F8
3745 F8
3746 E8
3748 C8
3749 C7
3751 E5
1
1
Not For ND/DD/FR
1
Pb Chrome
STOP
--
3752 F4
3753 F5
3754 E8
3755 E7
3756 D8
3757 D8
3758 D8
3759 D7
3760 A7
3761 E3
3762 E2
3763 A5
3764 A5
3765 B6
3766 B7
3767 A7
3768 E8
3769 E4
3770 F2
3771 F2
3772 F3
REC in
S3
0
1
--
1
1
S4
1
0
1
A2
NS Chrome
3773 E3
3774 E3
3775 F3
3776 F2
3777 F2
3778 E1
3779 D3
3780 D2
3781 D2
3784 D1
3786 F4
3787 C3
3788 C3
3789 F4
4790 C3
4794 C6
5701 D2
*
REC/PB
* See Variant Table for details
*
*
A1
1
1
*
1
1
*
5703 F1
6770 E2
6771 E2
6772 D1
6773 D1
6774 D3
6775 C3
6776 F3
6777 E2
6778 E4
6782 C7
6785 A7
6786 B7
7710 A3
7720 A5
7730 D6
7740 A8
Dubbing
S4
0
*
REC MUTE
*
--
*
7780 F4
7781 F3
7782 E1
7783 E2
7784 D2
7786 C2
7787 C8
7791 F5
7792 D8
9791 A8
9792 B8
9793 A6
LEVEL
S4
OSCILLATOR
1
1
0
0
S2
PLAY BACK
1
0
S4
1
S0
REC EQUALISATION
11
REC-R
S4
PLAYBACK
0
1
S1
ANALOG CCTRY
1
1
0
S2
S1
S3
AN7323S
0
1
1
BIAS
4n7
2726
7784
BC857B
1M
3787
100n
2746
A0
7
A1
9
A2
10
VDD
HEF4952B
7730
7782
220R
3701
+C
B4
A
3789
47K
A
A
2784
15n
1N4148
6778
7792
BC847B
P
2706
220p
2A0
33n
2719
3736
22K
3760
120R
A
A
1N4148
6776
P
3K3
7786
J111
470p
2727
3K9
3722
2742
1K2
1M
3780
47u
2763
100p
2711
100n
2741
15K
3723
3703
220R
6K8
3769
3730
3770
1K5
100R
3720
12K
+12
A
3708
A
2735
100n
4n7
2782
P
3712
150K
3779
330K
M
2738
A
100n
A
330p
2709
1
2
3
4
5
6
7
2720
33n
P
1701
B3
HS
220R
3704
470p
2728
P
3728
5K6
+5
2722
6n8
5K6
3727
1
2
3
BC847B
7781
BC847B
7787
1730
BZX79-F8V2
6777
3751
10K
A
3771
1K2
3746
470p
2707
3764
3K3
A
220R
P
A
6785
1N4148
3745
3K3
3A0
1
2
3
4
5
2u2
5701
1710
REC
B1
4u7
2762
3754
1M
+C
10R
3714
22u
2780
13
VEE
4
VSS
8
16
1
14
3
12
5
11
6
15
2
CRB
3748
2K2
B2
A
A
CRB
3774
15K
3A0
1M
3755
1N4148
6771
100n
2737
470p
2770
A1
9
A2
10
VDD
13
VEE
4
VSS
8
16
1
14
3
12
5
11
6
15
2
HEF4952B
7740
7
A0
220u
2761
6786
1N4148
8K2
3732
A
-C
150p
2702
1N4148
1A1
4K7
3773
3753
100K
6774
A
A
A
22n
2743
3759
10K
1A0
470p
2733
REC_R
3788
2760
100n
1K8
3716
A
1M
12K
3719
3752
3724
15K
A
M
100K
22n
3762
820R
A
B4
6775
1N4148
P
A
P
LH
2714
10u
10K
3758
2A1
+12
-C
A
3749
47K
470p
2734
P
A
2708
470p
3713
100p
2704
2745
100n
10R
A
P
10n
2717
CRA
3765
39K
A
100n
2744
3742
2K2
REC_L
+C
2747
100n
A
ALCEN
REC
A
3766
3733
1K2
2769
470p
4M7
HS
8K2
3731
7
MT1
8
MT2
1
2
3
4
5
6
A
B2
A
CLNS-2A833 YEZ
5703
B1
REC
A
3777
150R
+12
2A2
4790
1A0
LH
2781
10n
220R
3702
4M7
3781
3710
10R
9791
2725
4n7
2713
10u
3705
220R
1N4148
B3
6772
220p
2705
3768
10K
A
4794
3709
10R
3725
10R
A
REC
2K2
3718
3786
22K
1A1
-C
3772
6K8
1A0
A
A
A
A
1
14
3
12
5
11
6
15
2
3744
1K5
HEF4952B
7710
7
A0
A1
9
A2
10
13
VDD
VEE
4
VSS
8
16
1K8
2A0
A
+12
3715
REC_R
3784
1K
7783
BC847B
2721
6n8
2K2
3741
A
4M7
3767
330p
2710
3735
22K
2786
100p
2703
100p
+5
P
3734
P
3776
6K8
3757
BC847B
7791
220K
15n
2724
7780
BC847B
3743
1K5
ALCEN
10R
3726
A
A
P
100p
2712
9793
22n
2730
22n
2729
3707
100R
REC_L
47u
2765
3775
4R7
9792
150p
2701
220R
3706
220K
3756
-C
3721
3K9
6782
1N4148
150K
P
2718
10n
15n
2723
3763
+C
A
BC557B
1N4148
6773
P
NC1
9
NC2
6
NF1
11
NF2
4
OUT1
13
OUT2
5
PC1
12
PC2
15
RF
Vcc
16
3729
3K3
7720
3
AIN1
ALCC
2
14
AN2
1
GND
IN1
7
10
IN2
8
3761
10K
2716
470u
6R8
3778
1u
2785
2715
470u
150K
3711
A
6770
1N4148
2K2
-C
2787
33n
3717
P
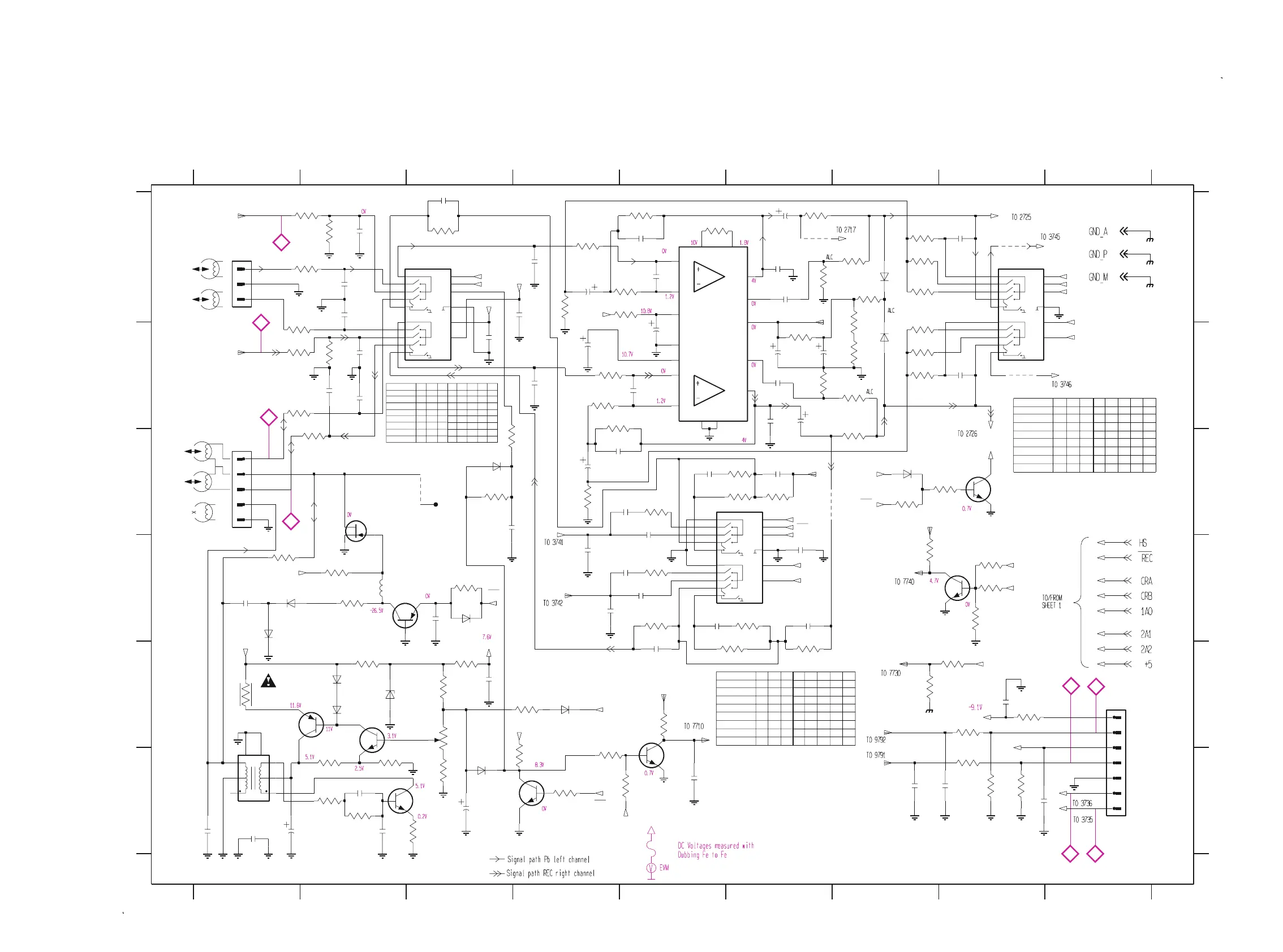
Note : Some values may varies, see respective parts list for correct value.
*
*
*
*

Table of Contents

Other manuals for Philips FW C717

Related product manuals