EasyManua.ls Logo

Philips FW C717 - EXPLODED VIEW (3 CDC-LC-DA11 MODULE)

Philips FW C717
96 pages
Print Icon
To Next Page IconTo Next Page
To Next Page IconTo Next Page
To Previous Page IconTo Previous Page
To Previous Page IconTo Previous Page
Loading...
10-10 10-10
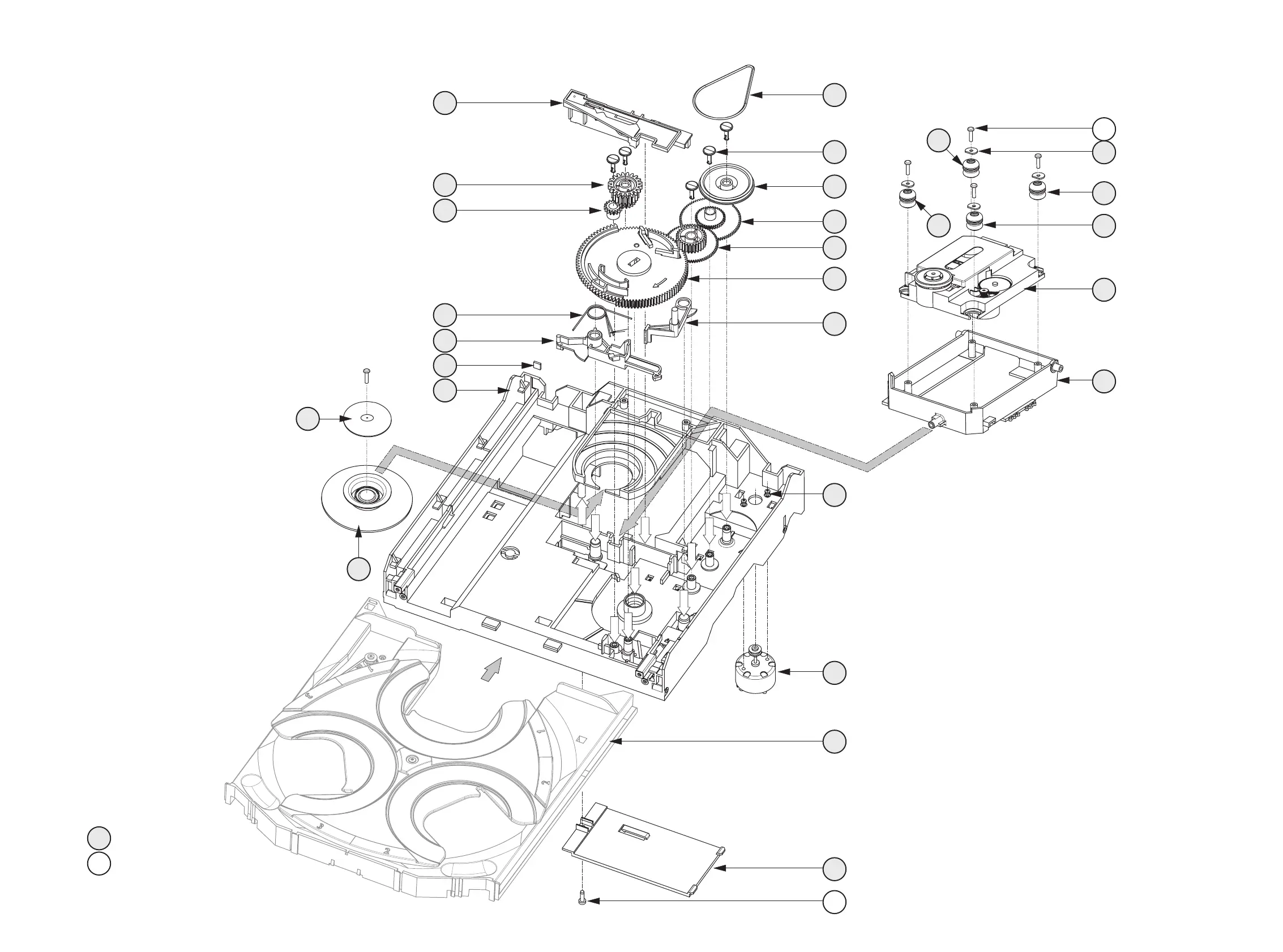
3CDC-LC-DA11 Exploded view 2000 09 07
Pos. 51
Pos. 53
Pos. 52
Pos. 47
Pos. 48
Pos. 49
Pos. 43
Pos. 44
Pos. 42
Pos. 57
54
53
47
55
56
31
30
35
32
31
32
33
34
X spare part
non spare part
Y
57
58
52
48
45 5x 4x
4x
46
49
44
43
42
59
41
21
20
51
23
2x
EXPLODED VIEW (3CDC-LC-DA11 MODULE)
MECHANICAL PARTS
Loader this page
–––––––––––––––––––––––––––––––––––––––––––––––––––––
20 3103 304 66500 DRAWER
21 3140 114 29070 PRESSURE RING-DA11
23 3140 111 21270 METAL RING-DA11
30 3103 304 66560 SUPPORT
31 4822 529 10386 DAMPER - RUBBER (Rear)
32 4822 529 10387 DAMPER - RUBBER (Front)
33 3103 304 06970 WASHER
35 3103 309 05310 CD DRIVE DA11T3C
41 3103 304 66480 FRAME
42 3103 304 66540 BRACKET-GUIDING
43 3103 301 06460 SPRING-GUIDING
44 3103 304 06890 GEAR-3
45 3103 304 06980 NAIL FIXATION
46 3103 304 06880 GEAR-2
47 3103 304 66530 BRACKET-LOAD
48 3103 304 06910 CAM
49 3103 304 66510 GUIDING
51 3103 304 06900 GEAR-4
52 3103 304 06870 GEAR-1
53 3103 304 06960 PULLEY-FRAME
54 3103 304 66910 DRIVING-BELT-DRAWER
55 4822 361 10753 TRAY MOTOR
56 4822 502 12548 SCREW M2,6X3,5
57 3103 304 69880 COVER-DA11
59 4822 466 12146 RUBBER
MECHANICAL PARTS
Drawer Chapter 10-11
–––––––––––––––––––––––––––––––––––––––––––––––––––––
20 3103 304 66500 DRAWER
21 3103 304 66490 CAROUSEL
22 3103 304 06860 PULLEY-DRAWER
23 3103 304 06850 ECCENTRIC GEAR WHEEL
24 3103 304 06980 NAIL FIXATION
25 3103 304 66850 DRIVING BELT CAROUSEL
27 3103 304 07100 BUSH DRAWER (height=8,5mm,d=16mm)
27 4822 532 12365 BUSH DRAWER (height=5,5mm,d=9,4mm)
29 3103 304 66550 BRACKET-DISC
30 3103 304 66520 TUMBLER
31 3103 301 06470 SPRING-DISC
32 3103 304 06920 CONTROL-DISC
33 3103 304 06970 WASHER
34 3103 304 06870 GEAR-1
37 4822 361 10753 CAROUSEL MOTOR

Table of Contents

Other manuals for Philips FW C717

Related product manuals